Cos'è ElectroYou | Login Iscriviti

ElectroYou - la comunità dei professionisti del mondo elettrico

Esercizio trasformatore trifase

Trasformatori, macchine rotanti ed azionamenti

Moderatori: Foto UtenteSandroCalligaro, Foto Utentemario_maggi, Foto Utentefpalone

0
voti

[1] Esercizio trasformatore trifase

Messaggioda Foto UtenteRobbyx » 16 set 2012, 11:30

Buongiorno,

ho serie difficoltà su questo esercizio:

Un trasformatore con rapporto di trasformazione 20KV/380 V da 400KVA con P_0=925W, P_c_c=5300W,I_0=1,9\%,V_c_c=4,2\% alimenta un carico di 200KW a cos\phi=0,8.
Nell'ipotesi che la tensione concatenata al secondario sia pari a 378V si determini la tensione concatenata al primario in modulo e fase.


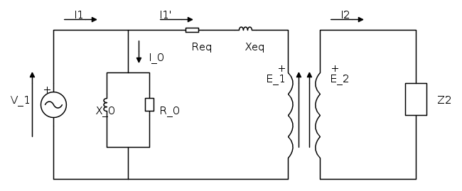
Ho fatto riferimento allo schema equivalente:


Conoscendo la potenza sul carico mi ricavo la I_2 come I_2=P_z/\sqrt3E_2cos\phi_2; conoscendo il rapporto spire posso ricavarmi la I1^{\prime} così come la E_1 almeno credo(378V sarebbe la E_2 giusto?);

Poi, conoscendo la P_c_c ricavo la R_eq come R_eq=P_c_c/3(I1^{\prime})^2 e sapendo che vale anche che P_c_c=(V_c_c)^2/R_eq ricavo V_c_c e, sapendo che è il 4,2% della V_1 calcolo la V_1.

Ora non so, c'è sicuramente qualcosa che non va...per esempio la E_1, calcolata mediante il rapporto spire, mi viene 19,88KV mentre la V_1, calcolata dalla conoscenza della V_c_c mi viene 10KV, cioè meno della E_1!

Grazie per l'attenzione
Avatar utente
Foto UtenteRobbyx
165 1 7
Frequentatore
Frequentatore
 
Messaggi: 147
Iscritto il: 21 lug 2012, 17:17

3
voti

[2] Re: Esercizio trasformatore trifase

Messaggioda Foto UtenteRenzoDF » 16 set 2012, 14:30

Non ci siamo proprio.

Alcune osservazioni:

a) tutte le tensioni fornite dal testo, se non altrimenti specificato, sono concatenate
b) se vuoi usare il circuito equivalente monofase devi usare quelle stellate
c) la Pcc si riferisce alla prova di cortocircuito con corrente nominale
d) la Vcc non è la tensione ai capi della sola Req ma bensì quella che cade sulla Zeq con corrente pari alla nominale e non devi calcolartela se non con la vcc% nei dati del problema, dalla tensione nominale primaria o secondaria
...
z) la V1 non te la ricavi in quel modo, ma per esempio usando la c.d.t. industriale, oppure usando Boucherot.
"Il circuito ha sempre ragione" (Luigi Malesani)
Avatar utente
Foto UtenteRenzoDF
55,9k 8 12 13
G.Master EY
G.Master EY
 
Messaggi: 13189
Iscritto il: 4 ott 2008, 9:55

2
voti

[3] Re: Esercizio trasformatore trifase

Messaggioda Foto UtenteLele_u_biddrazzu » 16 set 2012, 14:52

Sulla scia delle osservazioni di Foto UtenteRenzoDF, mi permetto, a titolo di allenamento personale, di tracciare una possibile soluzione del problema proposto :-)

- Parametri longitudinali del trafo riportati al primario:

Z_{cc}^{\,\prime}=\frac{v_{cc\%}}{100}\frac{V_{1n}^{2}}{A_{n}}\quad(1)

R_{cc}^{\,\prime}=\frac{P_{cc}V_{1n}^{2}}{A_{n}^{2}}\quad (2)

X_{cc}^{\,\prime}=\sqrt{Z_{cc}^{\,\prime^{2}}-R_{cc}^{\,\prime^{2}}}\quad(3)

- Parametri trasversali del trafo

Y_{0}=\frac{i_{0\%}}{100}\frac{A_{n}}{V_{1n}^{2}}\quad(4)

G_{0}=\frac{P_{0}}{V_{1n}^{2}}\quad(5)

B_{0}=\sqrt{Y_{0}^{2}-G_{0}^{2}}\quad(6)

- Corrente secondaria riportata al primario:

I_{21}=\frac{P_{c}}{\left(\sqrt{3}V_{2}\cos\varphi\right)k};\quad\arg\left(\dot{I}_{21}\right)=-\arccos\left(\cos\varphi\right) \quad (7)

A questo punto si riconduce il problema proposto allo studio del circuito equivalente monofase del trafo.

Mi auguro di non aver sbagliato o complicato le cose eccessivamente, in tal caso mi appello alle correzioni che Foto UtenteRenzoDF vorrà effettuare :ok:
Emanuele Lorina

- Chi lotta contro i mostri deve fare attenzione a non diventare lui stesso un mostro. E se tu riguarderai a lungo in un abisso, anche l'abisso vorrà guardare dentro di te (F. Nietzsche)
- Tavole della legge by admin
Avatar utente
Foto UtenteLele_u_biddrazzu
8.154 3 8 13
Master EY
Master EY
 
Messaggi: 1288
Iscritto il: 23 gen 2007, 16:13
Località: Modena

4
voti

[4] Re: Esercizio trasformatore trifase

Messaggioda Foto UtenteRenzoDF » 16 set 2012, 15:17

Di metodi ce ne sono diversi, la sequenza di calcolo potrebbe per esempio essere la seguente;

calcolare:
a) I1' da I2/k e Q2 da cosφ2 e P2
b) fattore di carico α=I1'/I1n
c) pcc% da Pcc e Sn
d) cosφcc da pcc% e vcc%
e) PJ da Pcc e da α
f) Qx da PJ e dal cosφcc
g) P1=P2+PJ e Q1=Q2+Qx
h) V1 da S1 e da I1'

... faccio solo notare che se la richiesta del problema è solo quella di determinare la tensione V1, la determinazione dei parametri trasversali è inutile.
"Il circuito ha sempre ragione" (Luigi Malesani)
Avatar utente
Foto UtenteRenzoDF
55,9k 8 12 13
G.Master EY
G.Master EY
 
Messaggi: 13189
Iscritto il: 4 ott 2008, 9:55

1
voti

[5] Re: Esercizio trasformatore trifase

Messaggioda Foto UtenteLele_u_biddrazzu » 16 set 2012, 15:24

RenzoDF ha scritto: ...la richiesta del problema è solo quella di determinare la tensione V1, la determinazione dei parametri trasversali è inutile.

Innanzitutto grazie per il riscontro Foto UtenteRenzoDF :ok:
Hai ragione per i parametri trasversali, non avevo prestato la dovuta attenzione alle richieste del problema!
Emanuele Lorina

- Chi lotta contro i mostri deve fare attenzione a non diventare lui stesso un mostro. E se tu riguarderai a lungo in un abisso, anche l'abisso vorrà guardare dentro di te (F. Nietzsche)
- Tavole della legge by admin
Avatar utente
Foto UtenteLele_u_biddrazzu
8.154 3 8 13
Master EY
Master EY
 
Messaggi: 1288
Iscritto il: 23 gen 2007, 16:13
Località: Modena

0
voti

[6] Re: Esercizio trasformatore trifase

Messaggioda Foto UtenteRobbyx » 16 set 2012, 16:43

Grazie mille a entrambi per le preziose indicazioni! Foto UtenteRenzoDF il metodo che hai proposto forse mi risulta un po' difficile da capire perché ci sono delle cose che non ci hanno spiegato( come il fattore di carico, oppure Sn, PJ, S1 che non riesco a capire cosa siano).

Ho pensato a un metodo, sperando che questa volta sia giusto:
(1) E_1=N_1/N_2E_2 (pongo sia E_1 che E_2 a fase nulla)
(2)V_c_c=V_n_14,2/100
(3) I_1^{\prime}=N_2/N_1I_2
(4) V_c_c/\sqrt3=I_1^{\prime}Z_e_q
(5)R_e_q=P_c_c/{3I_1^{\prime}^2}
(6) X_e_q=\sqrt{Z_e_q^2-R_e_q^2} conosco così l'argomento di Z_e_q
(7) V_1/\sqrt3=-E_1+I_1^{\prime}Z_e_q

Spero, questa volta, di aver azzeccato qualcosa :roll:
Avatar utente
Foto UtenteRobbyx
165 1 7
Frequentatore
Frequentatore
 
Messaggi: 147
Iscritto il: 21 lug 2012, 17:17

2
voti

[7] Re: Esercizio trasformatore trifase

Messaggioda Foto UtenteLele_u_biddrazzu » 16 set 2012, 17:29

Mi permetto di fare alcune piccole osservazioni:

- il rapporto di trasformazione k non è il rapporto spire N1/N2 che hai indicato;
- nel tuo procedimento non hai indicato la fase di I1';
- i punti (4) e (5) mi sembrano sbagliati;
- nel punto (7) E1 dovrebbe comparire senza il segno -.
Emanuele Lorina

- Chi lotta contro i mostri deve fare attenzione a non diventare lui stesso un mostro. E se tu riguarderai a lungo in un abisso, anche l'abisso vorrà guardare dentro di te (F. Nietzsche)
- Tavole della legge by admin
Avatar utente
Foto UtenteLele_u_biddrazzu
8.154 3 8 13
Master EY
Master EY
 
Messaggi: 1288
Iscritto il: 23 gen 2007, 16:13
Località: Modena

0
voti

[8] Re: Esercizio trasformatore trifase

Messaggioda Foto UtenteRobbyx » 16 set 2012, 18:32

Giusto hai ragione nei punti 4 e 5 devo considerare In!

Per quanto riguarda I1', dovrebbe essere sfasata di 180 gradi rispetto alla I2.

Lele_u_biddrazzu ha scritto:- nel punto (7) E1 dovrebbe comparire senza il segno -.


Questa invece non l'ho capita....se applico la LKT alla maglia più esterna la E1 non dovrebbe comparire col segno + a primo membro? Non è una tensione che cerca di portare le cariche dal polo negativo al positivo?

Poi non ho capito il discorso del rapporto spire....è sbagliato determinare la I1' come ho fatto? Ci hanno insegnato così :lol:
Avatar utente
Foto UtenteRobbyx
165 1 7
Frequentatore
Frequentatore
 
Messaggi: 147
Iscritto il: 21 lug 2012, 17:17

1
voti

[9] Re: Esercizio trasformatore trifase

Messaggioda Foto UtenteLele_u_biddrazzu » 16 set 2012, 18:39

In base allo schema che hai postato, direi che E1 va con il segno + :-)
Robbyx ha scritto:...Poi non ho capito il discorso del rapporto spire....è sbagliato determinare la I1' come ho fatto? Ci hanno insegnato così :lol:

Non ti hanno spiegato che il rapporto spire è diverso dal rapporto di trasformazione :?: A dire il vero la differenza, in termini quantitativi, non è molta semmai è importante conoscere quella sostanziale :-)
Emanuele Lorina

- Chi lotta contro i mostri deve fare attenzione a non diventare lui stesso un mostro. E se tu riguarderai a lungo in un abisso, anche l'abisso vorrà guardare dentro di te (F. Nietzsche)
- Tavole della legge by admin
Avatar utente
Foto UtenteLele_u_biddrazzu
8.154 3 8 13
Master EY
Master EY
 
Messaggi: 1288
Iscritto il: 23 gen 2007, 16:13
Località: Modena

3
voti

[10] Re: Esercizio trasformatore trifase

Messaggioda Foto UtenteRenzoDF » 16 set 2012, 18:59

Scusa Lele_u_biddrazzu, ma per quel che ricordo, il rapporto spire è diverso dal rapporto di trasformazione a causa dei possibili diversi collegamenti fra le fasi primarie e secondarie, ma per quanto riguarda il rapporto di trasformazione nominale nel caso che primario e il secondario abbiano lo stesso collegamento è per consuetudine considerato (convenzionalemente) pari al rapporto N1/N2.
Nel nostro caso quindi, visto che vogliamo usare il circuito equivalente monofase, possiamo supporre che il nostro trasformatore virtuale Yy abbia proprio un rapporto spire pari a 20000/380.
"Il circuito ha sempre ragione" (Luigi Malesani)
Avatar utente
Foto UtenteRenzoDF
55,9k 8 12 13
G.Master EY
G.Master EY
 
Messaggi: 13189
Iscritto il: 4 ott 2008, 9:55

Prossimo

Torna a Macchine elettriche

Chi c’è in linea

Visitano il forum: Nessuno e 31 ospiti