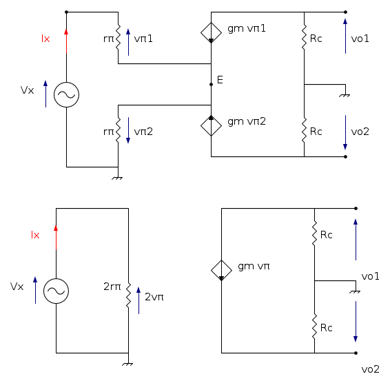
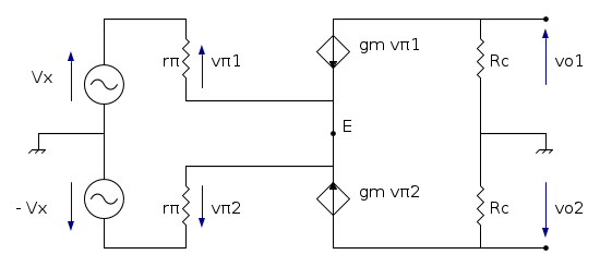
proprio per questo. Quando tu fissi una tensione di modo comune e questa resistenza tende ad infinito (perché la polarizzazione è realizzata tramite un generatore di corrente ideale), in pratica puoi fissare la tensione che vuoi sugli emettitori. In fatti, assenza di
, nelle resistenze
non scorre alcuna corrente in modo comune ed i generatori comandati rimangono spenti (trascurando anche l'effetto Early). In questo caso, non hai nulla neppure in uscita.Purtroppo, i generatori ideali non esistono in questa valle di lagrime e pertanto
rappresenta la nonidealità del circuito di polarizzazione (la resistenza equivalente Norton del circuito usato come generatore di corrente nella "coda" della coppia differenziale). Questa fa sì che un guadagno di modo comune ci sia, seppure piccolo. Il rapporto seguente:
quantifica la "bontà" del nostro amplificatore differenziale ed è chiamato tasso di reiezione di modo comune (Common Mode Rejection Ratio, da cui l'acronimo CMRR che si trova nei datasheet degli operazionali).
Altre domande prima di passare alle impedenze?

Elettrotecnica e non solo (admin)
Un gatto tra gli elettroni (IsidoroKZ)
Esperienza e simulazioni (g.schgor)
Moleskine di un idraulico (RenzoDF)
Il Blog di ElectroYou (webmaster)
Idee microcontrollate (TardoFreak)
PICcoli grandi PICMicro (Paolino)
Il blog elettrico di carloc (carloc)
DirtEYblooog (dirtydeeds)
Di tutto... un po' (jordan20)
AK47 (lillo)
Esperienze elettroniche (marco438)
Telecomunicazioni musicali (clavicordo)
Automazione ed Elettronica (gustavo)
Direttive per la sicurezza (ErnestoCappelletti)
EYnfo dall'Alaska (mir)
Apriamo il quadro! (attilio)
H7-25 (asdf)
Passione Elettrica (massimob)
Elettroni a spasso (guidob)
Bloguerra (guerra)





.
:
.
non scombinerebbe le cose perché, per come ho disegnato gli ultimi due circuiti, in virtù della simmetria, in entrambi i casi non dovrebbe scorrere corrente nel terminale di emettitore.
del mio post precedente, ma non so se si tratti di un metodo rigoroso, potrebbe essere solo un caso!
e
i generatori di segnale collegati alle basi dei transistor, spengo 