
Esercizio trasformatore trifase
Moderatori:
SandroCalligaro,
mario_maggi,
fpalone
35 messaggi
• Pagina 2 di 4 • 1, 2, 3, 4
1
voti
Hai ragione
RenzoDF, mi sono espresso male. Volevo solamente dire che il rapporto spire è pari (supponendo per semplicità un trasformatore Yy) al rapporto tra le f.e.m. indotte, mentre il rapporto di trasformazione nominale è pari al rapporto tra la tensione nominale primaria e quella secondaria a vuoto. 

Emanuele Lorina
- Chi lotta contro i mostri deve fare attenzione a non diventare lui stesso un mostro. E se tu riguarderai a lungo in un abisso, anche l'abisso vorrà guardare dentro di te (F. Nietzsche)
- Tavole della legge by admin
- Chi lotta contro i mostri deve fare attenzione a non diventare lui stesso un mostro. E se tu riguarderai a lungo in un abisso, anche l'abisso vorrà guardare dentro di te (F. Nietzsche)
- Tavole della legge by admin
-

Lele_u_biddrazzu
8.154 3 8 13 - Master EY

- Messaggi: 1288
- Iscritto il: 23 gen 2007, 16:13
- Località: Modena
2
voti
Lele_u_biddrazzu ha scritto: Volevo solamente dire che il rapporto spire è pari (supponendo per semplicità un trasformatore Yy) al rapporto tra le f.e.m. indotte ...
Qui sono ovviamente d'accordo.
Lele_u_biddrazzu ha scritto:...mentre il rapporto di trasformazione nominale è pari al rapporto tra la tensione nominale primaria e quella secondaria a vuoto.
E' qui che non concordo, anche il rapporto di trasformazione nominale, ovvero il rapporto fra le tensioni nominali, è pari al rapporto spire (sempre se Yy o Dd)

ovvero intendo dire che il rapporto di trasformazione nominale è quello fra entrambe le tensioni nominali non fra la "nominale primaria" e la "secondaria a vuoto"
Quello che non è pari al rapporto spire è il rapporto di trasformazione "a vuoto"

anche se di poco.
"Il circuito ha sempre ragione" (Luigi Malesani)
1
voti
Rapporto fra la tensione nominale di un avvolgimento
e quella di un altro avvolgimento caratterizzato
da una tensione nominale inferiore o
uguale.
essendo la tensione nominale...
Tensione specificata per essere applicata o indotta
in funzionamento a vuoto fra i terminali di linea di
un avvolgimento senza prese o di un avvolgimento
con prese collegato sulla presa principale (v.
3.5.2). Per un avvolgimento trifase è la tensione fra
i terminali di linea.
Non vorrei aver preso un abbaglio, pertanto sarebbe gradito un tuo parere

Emanuele Lorina
- Chi lotta contro i mostri deve fare attenzione a non diventare lui stesso un mostro. E se tu riguarderai a lungo in un abisso, anche l'abisso vorrà guardare dentro di te (F. Nietzsche)
- Tavole della legge by admin
- Chi lotta contro i mostri deve fare attenzione a non diventare lui stesso un mostro. E se tu riguarderai a lungo in un abisso, anche l'abisso vorrà guardare dentro di te (F. Nietzsche)
- Tavole della legge by admin
-

Lele_u_biddrazzu
8.154 3 8 13 - Master EY

- Messaggi: 1288
- Iscritto il: 23 gen 2007, 16:13
- Località: Modena
-1
voti
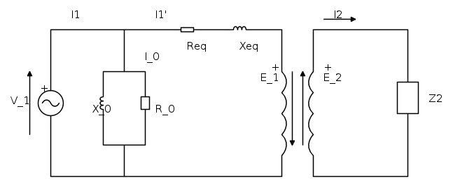
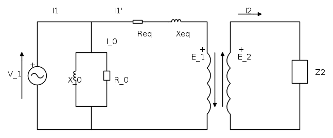
perchèèèèèè?Lele_u_biddrazzu ha scritto:In base allo schema che hai postato, direi che E1 va con il segno +
3
voti
Robbyx ha scritto:perchèèèèèè?Lele_u_biddrazzu ha scritto:In base allo schema che hai postato, direi che E1 va con il segno +
Per il segno che hai usato; se il positivo è assunto convenzionalmente sul morsetto superiore la E1 dà un contributo positivo a V1
occhio ... con tutte quelle èèèè va a finire che "qualcuno" ti dà un voto negativo.
"Il circuito ha sempre ragione" (Luigi Malesani)
4
voti
Lele_u_biddrazzu ha scritto:Rapporto fra la tensione nominale di un avvolgimento
e quella di un altro avvolgimento caratterizzato
da una tensione nominale inferiore o
uguale.
E fin qui non ci piove.
Lele_u_biddrazzu ha scritto:essendo la tensione nominale...Tensione specificata per essere applicata o indotta
in funzionamento a vuoto fra i terminali di linea di
un avvolgimento senza prese o di un avvolgimento
con prese collegato sulla presa principale (v.
3.5.2). Per un avvolgimento trifase è la tensione fra
i terminali di linea.
Hai davvero ragione, le CEI recitano proprio in quel modo ...
e qui alla tua citazione aggiungo il punto 1 relativo alle Note
che segue le righe da te citate e che chiarisce la definizione di "nominale" ...
1 Nel funzionamento a vuoto, le tensioni nominali di tutti gli
avvolgimenti compaiono simultaneamente quando la tensione
applicata ad uno di questi ha il suo valore nominale.
E qui, mi dispiace ma non concordo con le norme CEI, in quanto se la tensione nominale è
"Tensione specificata per essere applicata o indotta
in funzionamento a vuoto"
Ok, se lo dicono loro non posso che essere d'accordo, ...
...ma, se nello stesso tempo vengono a dirmi che ...
"Nel funzionamento a vuoto, le tensioni nominali di tutti gli
avvolgimenti compaiono simultaneamente quando la tensione
applicata ad uno di questi ha il suo valore nominale"
non capisco proprio come ciò possa essere possibile, in quanto se applicando la V1n e ottengo la V20 (definita come V2n) indotta al secondario, di sicuro non accade l'inverso, avvero se applicando la suddetta V20 al secondario, non otterrò di certo la V1n al primario!
Sbaglio?
"Il circuito ha sempre ragione" (Luigi Malesani)
0
voti
Ma allora ho le dispense tutte sbagliate!!
Per esempio quando spiega il trasformatore reale a vuoto arriva poi a questa equazione:

e poi disegna così il diagramma fasoriale
Non riesco proprio a capire...
Per esempio quando spiega il trasformatore reale a vuoto arriva poi a questa equazione:

e poi disegna così il diagramma fasoriale
Non riesco proprio a capire...
0
voti
1
voti
RenzoDF ha scritto:Sbaglio?
Direi di no
Se hai altre news in merito, sarei curioso di leggerle

Emanuele Lorina
- Chi lotta contro i mostri deve fare attenzione a non diventare lui stesso un mostro. E se tu riguarderai a lungo in un abisso, anche l'abisso vorrà guardare dentro di te (F. Nietzsche)
- Tavole della legge by admin
- Chi lotta contro i mostri deve fare attenzione a non diventare lui stesso un mostro. E se tu riguarderai a lungo in un abisso, anche l'abisso vorrà guardare dentro di te (F. Nietzsche)
- Tavole della legge by admin
-

Lele_u_biddrazzu
8.154 3 8 13 - Master EY

- Messaggi: 1288
- Iscritto il: 23 gen 2007, 16:13
- Località: Modena
3
voti
Robbyx ha scritto:Allora dovevo disegnarlo così?
... devi cambiare anche il segnooooooooooooooooooooooooooooooooooooo
.... e non usare quelle frecce per le tensioni!!!!!!!!!!!!!!!!!!!!!!!!!!!!!!!!!!!!!
... quelle si usano per le correnti (che non vedo per I1, I0 e I1')
"Il circuito ha sempre ragione" (Luigi Malesani)
35 messaggi
• Pagina 2 di 4 • 1, 2, 3, 4
Chi c’è in linea
Visitano il forum: Nessuno e 13 ospiti

Elettrotecnica e non solo (admin)
Un gatto tra gli elettroni (IsidoroKZ)
Esperienza e simulazioni (g.schgor)
Moleskine di un idraulico (RenzoDF)
Il Blog di ElectroYou (webmaster)
Idee microcontrollate (TardoFreak)
PICcoli grandi PICMicro (Paolino)
Il blog elettrico di carloc (carloc)
DirtEYblooog (dirtydeeds)
Di tutto... un po' (jordan20)
AK47 (lillo)
Esperienze elettroniche (marco438)
Telecomunicazioni musicali (clavicordo)
Automazione ed Elettronica (gustavo)
Direttive per la sicurezza (ErnestoCappelletti)
EYnfo dall'Alaska (mir)
Apriamo il quadro! (attilio)
H7-25 (asdf)
Passione Elettrica (massimob)
Elettroni a spasso (guidob)
Bloguerra (guerra)




