Cos'è ElectroYou | Login Iscriviti

ElectroYou - la comunità dei professionisti del mondo elettrico

Circuito singola semionda con zener

Elettronica lineare e digitale: didattica ed applicazioni

Moderatori: Foto Utentecarloc, Foto Utenteg.schgor, Foto UtenteBrunoValente, Foto UtenteIsidoroKZ

0
voti

[1] Circuito singola semionda con zener

Messaggioda Foto Utentemacco » 14 set 2012, 20:36

Ciao a tutti :mrgreen:
Ho da proporre un nuovo esercizio,ormai sono disperato vi chiedo anche se oltre che ad aiutarmi potreste suggerirmi alcuni testi o materiale inerente a funzionamenti del diodo e dei circuiti con diodi come componenti o se esiste un metodo di approccio per tali esercizi,in modo da riuscire a risolvere problemi di questo tipo in modo autonomo.

Testo esercizio:

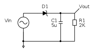
Sia dato il circuito in figura (NON è un raddrizzatore).La tensione del generatore sinusoidale abbia un valore di picco di 10 volt e una frequenza di 50 Hz.
La caduta diretta del diodo sia di 0.7 volt e la sua tensione di zener di 4.6 volt



Richieste:

Tracciare il grafico delle tensioni e delle correnti notevoli (per almeno 2 cicli) .

Gentilmente vi chiederei di spiegare ogni calcolo proposto, in modo che possa essere istruttivo,so che per molti possono essere problemi banali,spero che con il vostro aiuto lo possano diventare anche per me.

Grazie mille
Avatar utente
Foto Utentemacco
48 5
New entry
New entry
 
Messaggi: 94
Iscritto il: 27 lug 2012, 9:27

0
voti

[2] Re: Circuito singola semionda con zener

Messaggioda Foto Utentesimo85 » 14 set 2012, 20:51

Prima potresti postare i tuoi ragionamenti, tanto per il semiciclo positivo e negativo.
Avatar utente
Foto Utentesimo85
30,9k 7 12 13
Disattivato su sua richiesta
 
Messaggi: 9927
Iscritto il: 30 ago 2010, 4:59

4
voti

[3] Re: Circuito singola semionda con zener

Messaggioda Foto UtenteBrunoValente » 15 set 2012, 11:28

Spiega per bene come lo risolveresti tu senza preoccuparti se dici stupidaggini, noi cercheremo di farti capire dove sbagli, è un modo di procedere molto istruttivo.
Avatar utente
Foto UtenteBrunoValente
39,6k 7 11 13
G.Master EY
G.Master EY
 
Messaggi: 7796
Iscritto il: 8 mag 2007, 14:48

0
voti

[4] Re: Circuito singola semionda con zener

Messaggioda Foto Utentemacco » 15 set 2012, 20:52

Premetto che ciò che scriverò sarà sicuramente un eresia per il mondo dell'elettronica,chiedo scusa in anticipo e mi affido a voi.

Quello che mi sembra di aver capito è che il diodo zener venga utilizzato quando si vuole tener costante una certa tensione.
In questo caso suppongo che la tensione sia V_{OUT} .
Poiché V_{IN} sarà data da 10 \cdot \sin{( \omega t)}
Inizialmente il diodo sarà un corto fino a V_{D} = V_{D_{0}},successivamente avrò la tensione del diodo che arriverà a V_{m}-V_{D} il condensatore comincerà a caricarsi (ma in che modo?) e una volta carico si scaricherà sul resistore.
Questo è quello che mi sembra di aver capito a grandi linee.
Ma non saprei formalizzarlo in formule matematiche e poi sicuramente non sarà molto corretto.
Avatar utente
Foto Utentemacco
48 5
New entry
New entry
 
Messaggi: 94
Iscritto il: 27 lug 2012, 9:27

6
voti

[5] Re: Circuito singola semionda con zener

Messaggioda Foto UtenteBrunoValente » 16 set 2012, 14:35

Proviamo ad arrivarci per gradi.
Ti propongo questo circuito più semplice del tuo.



Il generatore non è sinusoidale, bensì genera un'onda triangolare (per i nostri scopi è più semplice così).
Il diodo non è uno zener ed è ideale, cioè se polarizzato direttamente è un perfetto cortocircuito, se polarizzato inversamente è un circuito perfettamente aperto.
Sapresti disegnare la forma d'onda della tensione che si ha sulla resistenza?
Avatar utente
Foto UtenteBrunoValente
39,6k 7 11 13
G.Master EY
G.Master EY
 
Messaggi: 7796
Iscritto il: 8 mag 2007, 14:48

0
voti

[6] Re: Circuito singola semionda con zener

Messaggioda Foto Utentemacco » 16 set 2012, 20:31

al fine di poter calcolare la tensione nella resistenza non dovrei avere un valore di riferimento per sapere quando il diodo si comporta come circuito aperto o come un corto?
Avatar utente
Foto Utentemacco
48 5
New entry
New entry
 
Messaggi: 94
Iscritto il: 27 lug 2012, 9:27

6
voti

[7] Re: Circuito singola semionda con zener

Messaggioda Foto UtenteBrunoValente » 16 set 2012, 20:46

Il diodo si chiude (conduce) quando la corrente scorre dall'anodo al catodo oppure, che è la stessa cosa, quando la tensione dell'anodo è superiore a quella del catodo. Viceversa si apre (non conduce) quando la corrente scorre dal catodo all'anodo (vorrebbe farlo ma non ci riesce perché il diodo si apre) oppure quando la tensione del catodo è superiore a quella del'anodo.
E' simile alla valvola di tenuta dell'aria dei pneumatici: la valvola "conduce" quando l'aria va dall'esterno all'interno, oppure, che è la stessa cosa, quando la pressione esterna è superiore a quella interna. Viceversa "non conduce" quando l'aria va dall'interno all'esterno(vorrebbe farlo ma non ci riesce perché la valvola si chiude), oppure quando la pressione interna è superiore a quella esterna.
Visto così dovresti capire quando il diodo si apre e quando si chiude.

Fai attenzione: nei circuiti elettrici quando si dice che un interruttore è "chiuso" si intende "che conduce", nei circuiti pneumatici quando si dice che un rubinetto è "chiuso" si intende "che non conduce" per cui i paragoni vanno fatti tenendone conto.
Avatar utente
Foto UtenteBrunoValente
39,6k 7 11 13
G.Master EY
G.Master EY
 
Messaggi: 7796
Iscritto il: 8 mag 2007, 14:48

0
voti

[8] Re: Circuito singola semionda con zener

Messaggioda Foto Utentemacco » 16 set 2012, 22:04

quindi sulla resistenza fino a che il segnale di ingresso sarà sul fronte di salita fino a 10 volt, in questo caso,(tensione di picco) avrò esattamente la tensione di ingresso,una volta superati i 10 volt,il diodo diventerà un circuito aperto e non vi sarà alcuna tensione sulla resistenza.
Giusto?
Avatar utente
Foto Utentemacco
48 5
New entry
New entry
 
Messaggi: 94
Iscritto il: 27 lug 2012, 9:27

4
voti

[9] Re: Circuito singola semionda con zener

Messaggioda Foto UtenteBrunoValente » 17 set 2012, 20:07

La prima parte del ragionamento è corretta, la seconda no.
Perché secondo te, superata la tensione di picco, il diodo dovrebbe aprirsi?
Subito dopo il picco massimo positivo, quando inizia la discesa, quale è il verso della corrente nel diodo?
Oppure: se ritieni che il diodo sia aperto e che quindi non scorra corrente, quale è il verso della tensione ai suoi capi?

Se dopo il picco massimo positivo le cose andassero come dici tu allora avremmo il catodo a 0V e l'anodo ad una tensione un po' inferiore a +10V quindi?...
Avatar utente
Foto UtenteBrunoValente
39,6k 7 11 13
G.Master EY
G.Master EY
 
Messaggi: 7796
Iscritto il: 8 mag 2007, 14:48

0
voti

[10] Re: Circuito singola semionda con zener

Messaggioda Foto Utentemacco » 17 set 2012, 21:12

forse ho capito dove ho sbagliato il mio ragionamento,ossia superati i +10 volt il diodo conduce fino a quando il segnale d'ingresso fornirà valori positivi,appena comincia a fornire valori negativi il diodo diventerà un circuito aperto.
Giusto?
Avatar utente
Foto Utentemacco
48 5
New entry
New entry
 
Messaggi: 94
Iscritto il: 27 lug 2012, 9:27

Prossimo

Torna a Elettronica generale

Chi c’è in linea

Visitano il forum: Nessuno e 56 ospiti