Componenti continue su un segnale audio.
Moderatore:
IsidoroKZ
9 messaggi
• Pagina 1 di 1
-1
voti
Teorizzando tra me e me e leggendo vari argomenti di questo forum mi sono posto qualche domanda a cui non so darmi risposta. Come fanno a formarsi componenti continue su un segnale audio alimentato con tensione duale, è possibile ? allora ammettiamo che queste componenti continue provengano da un circuito posto in precedenza, male che vada quale è il massimo v olt aggio a cui può arrivare una componente continua ? trattandosi di catena audio in ambito di preamplificazione solida è ovvio che siamo sempre in un certo range forzato di v olt aggi minimi e massimi, ora non vorrei scrivere una castronata (anche se è molto facile vista la mia scarsa padronanza in questo ambito) ma mi sembra, e ripeto 'mi sembra' che per eliminare una componente continua di circa 15 volt serva un condensatore molto più alto dei 1uF/2,2uF/10uF che vedo in certi schemi pubblicati qui nel forum.
1
voti
Non vedo perche' tu voglia insistere a scrivere termini errati modificandoli per evitare il correttore automatico.
Si dice tensione o differenza di potenziale.
V o l t a g g i o e' un Comune in provincia di Alessandria.
Si dice tensione o differenza di potenziale.
V o l t a g g i o e' un Comune in provincia di Alessandria.
marco
2
voti

"Non farei mai parte di un club che accettasse la mia iscrizione" (G. Marx)
-

claudiocedrone
21,3k 4 7 9 - Master EY

- Messaggi: 15302
- Iscritto il: 18 gen 2012, 13:36
3
voti
francos ha scritto:ma mi sembra, e ripeto 'mi sembra' che per eliminare una componente continua di circa 15 volt serva un condensatore molto più alto dei 1uF/2,2uF/10uF che vedo in certi schemi pubblicati qui nel forum.
Ti sembra male, molto male.
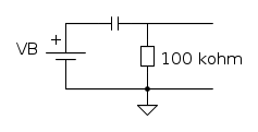
Prova a realizzare il circuito qua sotto, e misura la tensione continua ai capi della resistenza. Prova a variare la capacità e la tensione di ingresso
. Quando usi condensatori elettrolitici connetti il terminale + dal lato della tensione d'ingresso. Sai cosa scoprirai? Che con i condensatori elettrolitici, aumentando la capacità, aumenta la componente continua all'uscita It's a sin to write
instead of
(Anonimo).
...'cos you know that
ain't
, right?
You won't get a sexy tan if you write
in lieu of
.
Take a log for a fireplace, but don't take
for
arithm.
instead of
(Anonimo)....'cos you know that
ain't
, right?You won't get a sexy tan if you write
in lieu of
.Take a log for a fireplace, but don't take
for
arithm.-

DirtyDeeds
55,9k 7 11 13 - G.Master EY

- Messaggi: 7012
- Iscritto il: 13 apr 2010, 16:13
- Località: Somewhere in nowhere
0
voti
DirtyDeeds ha scritto: aumenta la componente continua all'uscita![]()
sull'uscita aux di amplificatore per chitarra elettrica vecchiotto era presente una
componete continua e collegato ad un finalino nelle spie si sentiva il ronzio.
Con un opamp jfet come inseguitore, un condensatore da 10 uf e una resitenza da 47k per polarizzare
e impostare l'impedenza tutto uguale a prima, aumentando la capacità ma mano.. a partire
da 68uf dallo strumento non si sentiva più il ronzio, ho provato a sostituire i cavi come
prima cosa pensando a quelli come causa, ma inutilmente, questo è quello che mi è
successo praticamente, non essendo una cima ho tratto le mie conclusioni, e anche se
teoricamente sbagliate a me non fanno sentire il fastidioso ronzio.
0
voti
Ciao,premesso che non ce l'ho con te per partito preso
da ignorantone quale sono vorrei che mi spiegassi cosa c'entrano le componenti continue col ronzio,poi ti do una piccola dritta : la componente continua in uscita da un circuito alimentato dualmente è dovuta alle inevitabili dissimmetrie tra i due "rami" del dispositivo/circuito e si chiama tensione di offset 

"Non farei mai parte di un club che accettasse la mia iscrizione" (G. Marx)
-

claudiocedrone
21,3k 4 7 9 - Master EY

- Messaggi: 15302
- Iscritto il: 18 gen 2012, 13:36
0
voti
claudiocedrone ha scritto:Ciao,premesso che non ce l'ho con te per partito preso![]()
quindi mi stai dicendo che il ronzio sparito dopo aver inserito nella catena un condensatore da 68 uF è dovuto a ?
Per avercela con me senza conoscermi .... basandoti su sensazioni trasmesse da uno scritto ? ...no comment
io sono qui per imparare, non per insegnare. Ciao.
9 messaggi
• Pagina 1 di 1
Torna a Elettronica e spettacolo
Chi c’è in linea
Visitano il forum: Nessuno e 4 ospiti

Elettrotecnica e non solo (admin)
Un gatto tra gli elettroni (IsidoroKZ)
Esperienza e simulazioni (g.schgor)
Moleskine di un idraulico (RenzoDF)
Il Blog di ElectroYou (webmaster)
Idee microcontrollate (TardoFreak)
PICcoli grandi PICMicro (Paolino)
Il blog elettrico di carloc (carloc)
DirtEYblooog (dirtydeeds)
Di tutto... un po' (jordan20)
AK47 (lillo)
Esperienze elettroniche (marco438)
Telecomunicazioni musicali (clavicordo)
Automazione ed Elettronica (gustavo)
Direttive per la sicurezza (ErnestoCappelletti)
EYnfo dall'Alaska (mir)
Apriamo il quadro! (attilio)
H7-25 (asdf)
Passione Elettrica (massimob)
Elettroni a spasso (guidob)
Bloguerra (guerra)


