costruzione amplificatore per chitarra!!!
Moderatori:
carloc,
g.schgor,
BrunoValente,
IsidoroKZ
14 messaggi
• Pagina 1 di 2 • 1, 2
0
voti
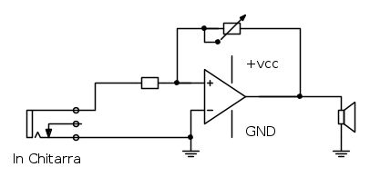
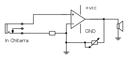
salve a tutti, faccio il 5° superiore all' itis e oggi hanno spiegato l'amplificatore operazionale in modalità invertente e invertente, cosi ho deciso dato che suono la chitarra, di costruirmi un piccolo amplificatore con l'operazionale su uno speaker da 16Ω o da 8Ω questo è lo schema:
però il problema è come calcolo il valore della resistenza e del potenziometro, e soprattutto va bene o devo cambiare qualcosa. grazie
P.S. vorrei regolare solo il volume niente toni e roba varia, e avere minor distorsione possibile, sono ben accetti consigli su quali componenti utilizzare
però il problema è come calcolo il valore della resistenza e del potenziometro, e soprattutto va bene o devo cambiare qualcosa. grazie
P.S. vorrei regolare solo il volume niente toni e roba varia, e avere minor distorsione possibile, sono ben accetti consigli su quali componenti utilizzare
1
voti
imac27 ha scritto:penso non invertente...poi può darsi anche che ho sbagliato
Secondo me sì.
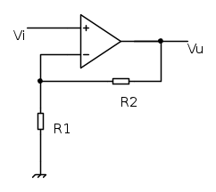
La configurazione non invertente è la seguente:
Mi sembra che non coincida con il tuo schema.
1
voti
Sai ricavare la formula del guadagno di tensione dell' opamp in quella configurazione?
Lascia da parte, per un momento, il tuo circuito che mi sembra di nuovo sbagliato.
Lascia da parte, per un momento, il tuo circuito che mi sembra di nuovo sbagliato.
0
voti
se non mi sbaglio è Av=Vout/Vs=1+(R2/R1), dove Av è il guadagno di tensione, Vout e l'uscita, Vs è la tensione applicata sul morsetto + in questo caso il segnale della chitarra, R2 il potenziometro e R1 la resistenza collegata al morsetto -
1
voti
imac27 ha scritto:se non mi sbaglio è Av=Vout/Vs=1+(R2/R1)
Sì.
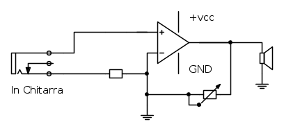
Però il tuo schema:
andrebbe modificato nel seguente modo:
Comunque non si può usare un amplificatore operazionele "normale" per pilotare direttamente un altoparlante.
Occorrerebbe un opamp di potenza.
Altrimenti occorre uno stadio di potenza con due transistor configurati in simmetria complementare in uscita ad un operazionale.
Inoltre, prima di questo, occorre uno stadio di preamplificazione con il quale regolare il volume prima dalla sezione di potenza.
Naturalmente questi stadi devono essere opportunamente accoppiati.
Tutto questo per un amplificatore "casalingo" non professionale.
Disegnando uno schema a blocchi,verrebbe una cosa di questo tipo:
Non è, a mio avviso, una cosa semplicissima da fare.
0
voti
grazie della risposta, quindi il circuito finito quale sarebbe?
3
voti
Inoltre, se non vuoi tagliare tutte le semionde negative, dovrai anche utlizzare una alimentazione duale:
Ciao.
Paolo.
Ciao.
Paolo.
"Houston, Tranquillity Base here. The Eagle has landed." - Neil A.Armstrong
-------------------------------------------------------------
PIC Experience - http://www.picexperience.it
-------------------------------------------------------------
PIC Experience - http://www.picexperience.it
-

Paolino
32,6k 8 12 13 - G.Master EY

- Messaggi: 4226
- Iscritto il: 20 gen 2006, 11:42
- Località: Vigevano (PV)
14 messaggi
• Pagina 1 di 2 • 1, 2
Chi c’è in linea
Visitano il forum: Nessuno e 51 ospiti

Elettrotecnica e non solo (admin)
Un gatto tra gli elettroni (IsidoroKZ)
Esperienza e simulazioni (g.schgor)
Moleskine di un idraulico (RenzoDF)
Il Blog di ElectroYou (webmaster)
Idee microcontrollate (TardoFreak)
PICcoli grandi PICMicro (Paolino)
Il blog elettrico di carloc (carloc)
DirtEYblooog (dirtydeeds)
Di tutto... un po' (jordan20)
AK47 (lillo)
Esperienze elettroniche (marco438)
Telecomunicazioni musicali (clavicordo)
Automazione ed Elettronica (gustavo)
Direttive per la sicurezza (ErnestoCappelletti)
EYnfo dall'Alaska (mir)
Apriamo il quadro! (attilio)
H7-25 (asdf)
Passione Elettrica (massimob)
Elettroni a spasso (guidob)
Bloguerra (guerra)








