Atmospher81 ha scritto:con i transistor NPN/PNP è una tragedia, i lampi sono bassissimi di intensità ed alcuni di quelli già provati non funzionano come vorrei.
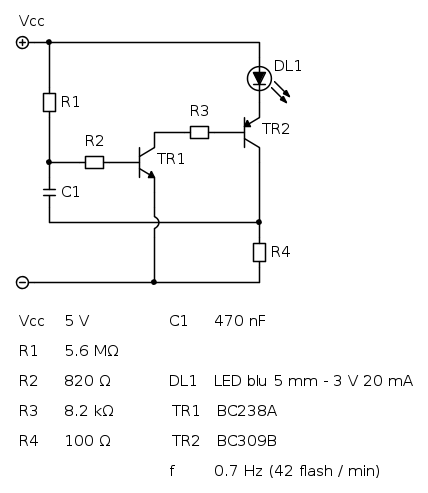
Non so se ti riferisci al circuito qui sotto. Io l'ho realizzato tempo fa (per un lampeggiatore su un aereo giocattolo), fa lampi brevissimi, praticamente dei flash, ma possono essere intensi (basta dimensionare correttamente R4: io ne avevo usata una da 150 ohm ma il led era rosso, te l'ho cambiata sullo schema per adattarla a un led blu) e il consumo medio è basso. Cambiando i valori dei componenti ovviamente si può cambiare l'intervallo tra i flash e entro certi limiti anche la durata del flash (comunque bassa).
L'alimentazione è fornita da 4 accumulatori NiMH da 1,25 V circa l'uno, che erano già disponibili.
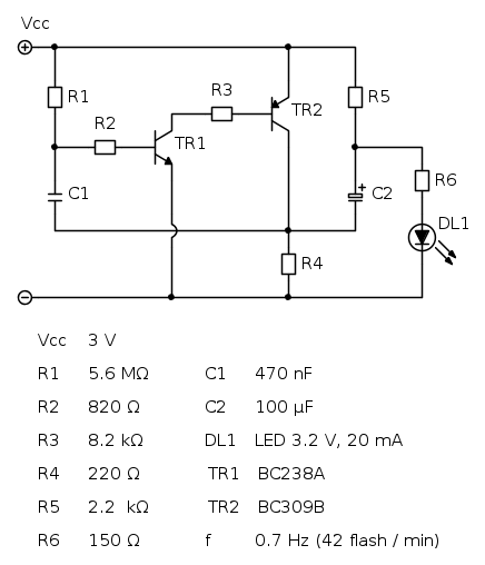
Di questo circuito esiste una variante "charge pump" in grado di raddoppiare la tensione di alimentazione e fornirla al led, quindi con una pila da 1,5 V riesci a far lampeggiare un led rosso. Forse anche un led blu, ma l'intensità poi si riduce tantissimo appena la pila si scarica un po', quindi per un led blu (o bianco) ti converrebbe usare due pile in serie. Il tuo led deve essere per forza blu?
Se va bene lo schema postato posso anche disegnarti la variante "charge pump" appena ho tempo, così puoi provare anche quella.

Elettrotecnica e non solo (admin)
Un gatto tra gli elettroni (IsidoroKZ)
Esperienza e simulazioni (g.schgor)
Moleskine di un idraulico (RenzoDF)
Il Blog di ElectroYou (webmaster)
Idee microcontrollate (TardoFreak)
PICcoli grandi PICMicro (Paolino)
Il blog elettrico di carloc (carloc)
DirtEYblooog (dirtydeeds)
Di tutto... un po' (jordan20)
AK47 (lillo)
Esperienze elettroniche (marco438)
Telecomunicazioni musicali (clavicordo)
Automazione ed Elettronica (gustavo)
Direttive per la sicurezza (ErnestoCappelletti)
EYnfo dall'Alaska (mir)
Apriamo il quadro! (attilio)
H7-25 (asdf)
Passione Elettrica (massimob)
Elettroni a spasso (guidob)
Bloguerra (guerra)





Non basta farlo con FidocadJ, bisogna inserire il sorgente e non l'immagine. Se no non possiamo prendere lo schema e modificarlo.