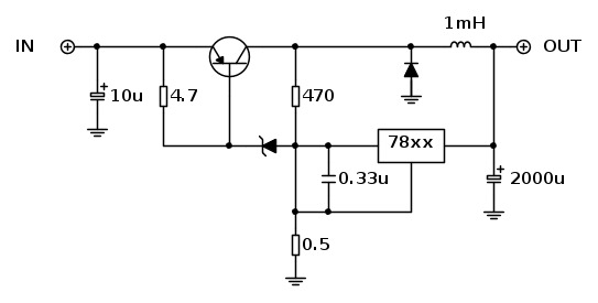
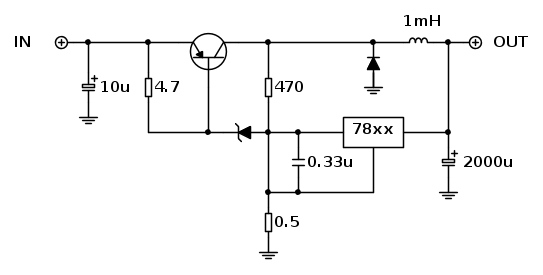
Curiosando sul datasheet degli stabilizzatori di tensione 78xx ho trovato questo circuito che dovrebbe funzionare da switching regulator:
Puo funzionare veramente? cioè evito molte delle perdite in calore dovute alla differenza di tensione tra uscita e ingresso? Casomai che valore deve avere il diodo zener per stabilizzare l'uscita a 12V?
Grazie

Elettrotecnica e non solo (admin)
Un gatto tra gli elettroni (IsidoroKZ)
Esperienza e simulazioni (g.schgor)
Moleskine di un idraulico (RenzoDF)
Il Blog di ElectroYou (webmaster)
Idee microcontrollate (TardoFreak)
PICcoli grandi PICMicro (Paolino)
Il blog elettrico di carloc (carloc)
DirtEYblooog (dirtydeeds)
Di tutto... un po' (jordan20)
AK47 (lillo)
Esperienze elettroniche (marco438)
Telecomunicazioni musicali (clavicordo)
Automazione ed Elettronica (gustavo)
Direttive per la sicurezza (ErnestoCappelletti)
EYnfo dall'Alaska (mir)
Apriamo il quadro! (attilio)
H7-25 (asdf)
Passione Elettrica (massimob)
Elettroni a spasso (guidob)
Bloguerra (guerra)




...anche se non mi spiego la funzione dello zener.