Ho un orologio a pannello, l'unità di tempo minima per un programma ON/OFF è di 1 minuto, siccome vorrei utilizzarlo per dare solo un impulso ad un altro circuito, c'è la possibilità di realizzare un circuito di interfaccia, che trasformi questo segnale in un semplice impulso?
Ad esempio per collegarlo come pulsante di START ad un multivibratore bistabile con NE555, mi serve che dia un impulso al circuito e poi se viene premuto il tasto STOP il multivibratore torni basso in uscita, nonostante l'uscita del timer sia ancora alta.
circuito di interfaccia per timer
Moderatori:
carloc,
g.schgor,
BrunoValente,
IsidoroKZ
10 messaggi
• Pagina 1 di 1
1
voti
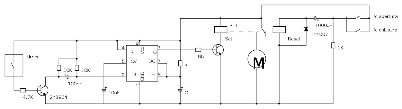
Se ti basta generare una breve chiusura di un contatto,
puoi utilizzare questo schema:
puoi utilizzare questo schema:
1
voti
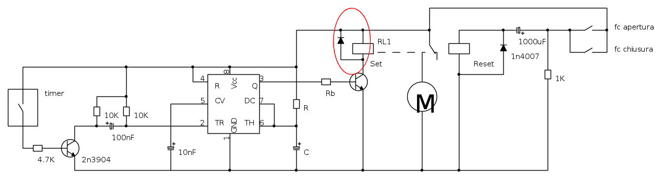
Quando si chiude il contatto che alimenta il circuito,
si ha l'attrazione momentanea del relè: la durata di
questa attrazione dipende dalle caratteristiche del relè
e dal valore del condensatore in serie alla sua bobina.
Quando si riapre il contatto di alimentazione, il condensatore
si scarica attraverso la resistenza ed il diodo.
In definitiva ogni volta che si chiude questo contatto si genera
una breve chiusura del contatto del relè, indipendentemente
da quanto rimane chiuso il contatto di alimentazione stesso.
si ha l'attrazione momentanea del relè: la durata di
questa attrazione dipende dalle caratteristiche del relè
e dal valore del condensatore in serie alla sua bobina.
Quando si riapre il contatto di alimentazione, il condensatore
si scarica attraverso la resistenza ed il diodo.
In definitiva ogni volta che si chiude questo contatto si genera
una breve chiusura del contatto del relè, indipendentemente
da quanto rimane chiuso il contatto di alimentazione stesso.
0
voti
Dunque la chiusura del contatto diventa di tipo impulsivo?
Grazie mille
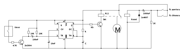
Ad ogni modo ho provato a fare un circuito anche io, sarei felice che qualcuno possa dargli un' occhiata, in attesa della prova su basetta.
Saluti
Grazie mille
Ad ogni modo ho provato a fare un circuito anche io, sarei felice che qualcuno possa dargli un' occhiata, in attesa della prova su basetta.
Saluti
1
voti
Se, come sembra, il relè è di tipo bistabile,
l'impiego del 555 diventa superfluo (basterebbe
per il Set un circuito analogo a quello del Reset).
Ma non è chiara la funzione dei contatti "in apertura"
e "in chiusura" (se è un movimento di apertura
e chiusura, non ci vuole un cambiamento del
senso di marcia del motore?)
l'impiego del 555 diventa superfluo (basterebbe
per il Set un circuito analogo a quello del Reset).
Ma non è chiara la funzione dei contatti "in apertura"
e "in chiusura" (se è un movimento di apertura
e chiusura, non ci vuole un cambiamento del
senso di marcia del motore?)
0
voti
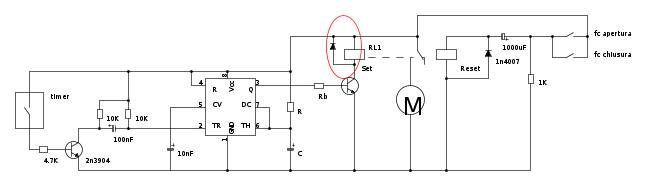
Mi intrometto brevemente solo per apportare una piccola modifica al circuito, cerchiata in rosso (dubbi restanti a parte).


0
voti
g.schgor ha scritto:Se, come sembra, il relè è di tipo bistabile,
l'impiego del 555 diventa superfluo (basterebbe
per il Set un circuito analogo a quello del Reset).
Ma non è chiara la funzione dei contatti "in apertura"
e "in chiusura" (se è un movimento di apertura
e chiusura, non ci vuole un cambiamento del
senso di marcia del motore?)
Sono due microinterruttori, il motore ha un sistema biella-manovella, per cui non serve invertire.
10 messaggi
• Pagina 1 di 1
Chi c’è in linea
Visitano il forum: Nessuno e 57 ospiti

Elettrotecnica e non solo (admin)
Un gatto tra gli elettroni (IsidoroKZ)
Esperienza e simulazioni (g.schgor)
Moleskine di un idraulico (RenzoDF)
Il Blog di ElectroYou (webmaster)
Idee microcontrollate (TardoFreak)
PICcoli grandi PICMicro (Paolino)
Il blog elettrico di carloc (carloc)
DirtEYblooog (dirtydeeds)
Di tutto... un po' (jordan20)
AK47 (lillo)
Esperienze elettroniche (marco438)
Telecomunicazioni musicali (clavicordo)
Automazione ed Elettronica (gustavo)
Direttive per la sicurezza (ErnestoCappelletti)
EYnfo dall'Alaska (mir)
Apriamo il quadro! (attilio)
H7-25 (asdf)
Passione Elettrica (massimob)
Elettroni a spasso (guidob)
Bloguerra (guerra)






