Cos'è ElectroYou | Login Iscriviti

ElectroYou - la comunità dei professionisti del mondo elettrico

NE 555 e led blu lampeggiante

Elettronica lineare e digitale: didattica ed applicazioni

Moderatori: Foto Utentecarloc, Foto Utenteg.schgor, Foto UtenteBrunoValente, Foto UtenteIsidoroKZ

4
voti

[31] Re: NE 555 e led blu lampeggiante

Messaggioda Foto UtenteGuidoB » 23 set 2012, 15:22

Atmospher81 ha scritto:con i transistor NPN/PNP è una tragedia, i lampi sono bassissimi di intensità ed alcuni di quelli già provati non funzionano come vorrei.

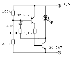
Non so se ti riferisci al circuito qui sotto. Io l'ho realizzato tempo fa (per un lampeggiatore su un aereo giocattolo), fa lampi brevissimi, praticamente dei flash, ma possono essere intensi (basta dimensionare correttamente R4: io ne avevo usata una da 150 ohm ma il led era rosso, te l'ho cambiata sullo schema per adattarla a un led blu) e il consumo medio è basso. Cambiando i valori dei componenti ovviamente si può cambiare l'intervallo tra i flash e entro certi limiti anche la durata del flash (comunque bassa).

L'alimentazione è fornita da 4 accumulatori NiMH da 1,25 V circa l'uno, che erano già disponibili.

Di questo circuito esiste una variante "charge pump" in grado di raddoppiare la tensione di alimentazione e fornirla al led, quindi con una pila da 1,5 V riesci a far lampeggiare un led rosso. Forse anche un led blu, ma l'intensità poi si riduce tantissimo appena la pila si scarica un po', quindi per un led blu (o bianco) ti converrebbe usare due pile in serie. Il tuo led deve essere per forza blu?

Se va bene lo schema postato posso anche disegnarti la variante "charge pump" appena ho tempo, così puoi provare anche quella.
Big fan of ƎlectroYou!       Ausili per disabili e anziani su ƎlectroYou
Caratteri utili: À È É Ì Ò Ó Ù α β γ δ ε η θ λ μ π ρ σ τ φ ω Ω º ª ² ³ √ ∛ ∜ ₀ ₁ ₂ ₃ ₄ ₅ ₆ ∃ ∄ ∆ ∈ ∉ ± ∓ ∾ ≃ ≈ ≠ ≤ ≥
Avatar utente
Foto UtenteGuidoB
17,8k 7 12 13
G.Master EY
G.Master EY
 
Messaggi: 2809
Iscritto il: 3 mar 2011, 16:48
Località: Madrid

0
voti

[32] Re: NE 555 e led blu lampeggiante

Messaggioda Foto UtenteAtmospher81 » 23 set 2012, 20:31

Ragazzi, finalmete risposte più concrete.

io avevo chiesto le possibili soluzioni e finalmente me le avete indicate.

Marco, questo schema appena postato non l'avevo ancora provato, vedo di testarlo su Breadboard nella nottata.
Volevo solo chiederti se è possibile usare qualsiasi TR NPN/PNP ??? dato che quelli descritti nello schema al momento non li ho.
Il LED che utilizzo l' ho chiesto in un normale negozio di elettronica ma non mi è stato detto il valore mcd.
Nota: visto che le dimensioni del mio circuito dovranno essere le più minuscole possibili credo che al momento è la soluzione ottimale.
Dovrò usare led Blu o Bianco, gentilmente postami appena hai tempo anche il "Charge Pump".

Dimenticavo: durata Minima almeno 150/200 ore
a risentirci
Avatar utente
Foto UtenteAtmospher81
0 3
 
Messaggi: 21
Iscritto il: 17 set 2012, 13:07

4
voti

[33] Re: NE 555 e led blu lampeggiante

Messaggioda Foto UtenteGuidoB » 23 set 2012, 23:24

Ciao,
Atmospher81 ha scritto:è possibile usare qualsiasi TR NPN/PNP ???

Sì, vanno bene i comuni NPN/PNP piccoli.
Atmospher81 ha scritto:Il LED che utilizzo l' ho chiesto in un normale negozio di elettronica ma non mi è stato detto il valore mcd.

Ovviamente se non fa abbastanza luce il primo sospetto è che non abbia una efficienza sufficiente. Se lo piloti con 20 mA continui fa una luce "abbagliante"?
Atmospher81 ha scritto:Dimenticavo: durata Minima almeno 150/200 ore

Questo devi vederlo tu. Io ti posso dire che con pile da 24 mAh puoi tenere acceso un LED da 20 mA per 1,2 ore. Se vuoi 200 ore, devi ridurre il duty-cycle a 1,2 / 200 = 0,006, cioè per esempio 6 ms acceso, circa 1 s spento, oppure 12 ms acceso, 2 s spento e così via.

Il circuito charge-pump è il seguente, tieni conto che questo non l'ho provato. Inoltre il raddoppio di tensione non è gratis, raddoppia anche il consumo medio di corrente, quindi la durata delle pile è la metà rispetto al circuito senza charge pump.

Dovresti controllare con l'oscilloscopio la durata dell'impulso e della pausa, e anche che sull'elettrolitico C2 non si inverta mai la polarità (non si sa mai).

Per favore facci poi sapere come funziona, i tempi che ottieni e valori dei componenti eventualmente cambiati nella messa a punto.

Big fan of ƎlectroYou!       Ausili per disabili e anziani su ƎlectroYou
Caratteri utili: À È É Ì Ò Ó Ù α β γ δ ε η θ λ μ π ρ σ τ φ ω Ω º ª ² ³ √ ∛ ∜ ₀ ₁ ₂ ₃ ₄ ₅ ₆ ∃ ∄ ∆ ∈ ∉ ± ∓ ∾ ≃ ≈ ≠ ≤ ≥
Avatar utente
Foto UtenteGuidoB
17,8k 7 12 13
G.Master EY
G.Master EY
 
Messaggi: 2809
Iscritto il: 3 mar 2011, 16:48
Località: Madrid

0
voti

[34] Re: NE 555 e led blu lampeggiante

Messaggioda Foto UtenteAtmospher81 » 24 set 2012, 3:08

GuidoB, grazie ancora e scusa se prima ti ho chiamato Marco ma non so da dove mi è venuto #-o

Sicuramente vista la maggior quantità di componenti nella versione "Charge Pump" (tanto alla fine testo anche questa !! ) adotterò quella normale da te testata.
A me bastasse riuscire ad ottenere 1,5 On e 4 OFF mantenendo una durata della batteria al max di 1 settimana e con luminosità max del LED (vediamo adesso quale prendere dal link di RS).
Appena lo provo ti faccio sapere, grazie.
Avatar utente
Foto UtenteAtmospher81
0 3
 
Messaggi: 21
Iscritto il: 17 set 2012, 13:07

4
voti

[35] Re: NE 555 e led blu lampeggiante

Messaggioda Foto UtenteGuidoB » 24 set 2012, 11:53

Atmospher81 ha scritto:A me bastasse riuscire ad ottenere 1,5 On e 4 OFF mantenendo una durata della batteria al max di 1 settimana e con luminosità max del LED

Guarda che non ce la fai, e te l'hanno già detto. L'energia non si crea dal nulla. Neanche i cinesi ce la fanno, per quanto bravi possano essere. O metti pile più grosse o devi accontentarti di 0,024 s On e 4 s off.

Credo che sarebbe meglio scambiare i valori di R2 e R3 (cioè mettere R2=8,2 kΩ e R3=820 Ω. Se ti funziona poi correggo gli schemi). Io ho ricavato lo schema dal circuito montato. Funziona, ma a suo tempo devo aver scambiato per errore queste resistenze.

Per allungare la pausa e il flash ti cosiglio di aumentare il valore di C1 a 1 μF o più.
Per il rapporto di tempi di 0,006:1 prova anche a mettere R2=33 kΩ anzichè 8,2 kΩ per allungare il flash (ma non garantisco).
Big fan of ƎlectroYou!       Ausili per disabili e anziani su ƎlectroYou
Caratteri utili: À È É Ì Ò Ó Ù α β γ δ ε η θ λ μ π ρ σ τ φ ω Ω º ª ² ³ √ ∛ ∜ ₀ ₁ ₂ ₃ ₄ ₅ ₆ ∃ ∄ ∆ ∈ ∉ ± ∓ ∾ ≃ ≈ ≠ ≤ ≥
Avatar utente
Foto UtenteGuidoB
17,8k 7 12 13
G.Master EY
G.Master EY
 
Messaggi: 2809
Iscritto il: 3 mar 2011, 16:48
Località: Madrid

2
voti

[36] Re: NE 555 e led blu lampeggiante

Messaggioda Foto UtenteIsidoroKZ » 25 set 2012, 14:22

Con quei tempi in una settimana vuol dire tenere acceso il led per 46 ore a 20mA che vuol dire che serve una batteria da almeno 1Ah (e anche un po' di piu`). Le batterie che vuoi usare sono 30 volte troppo piccole.
Per usare proficuamente un simulatore, bisogna sapere molta più elettronica di lui
Plug it in - it works better!
Il 555 sta all'elettronica come Arduino all'informatica! (entrambi loro malgrado)
Se volete risposte rispondete a tutte le mie domande
Avatar utente
Foto UtenteIsidoroKZ
121,2k 1 3 8
G.Master EY
G.Master EY
 
Messaggi: 21059
Iscritto il: 17 ott 2009, 0:00

0
voti

[37] Re: NE 555 e led blu lampeggiante

Messaggioda Foto UtenteAtmospher81 » 26 set 2012, 0:54

IsidoroKZ come già detto in un precedente messaggio i cinesi usano 3 Batt a bottone (L736) e l'aggeggio emette 1 flash ogni 2,5 sec. circa e dura settimane. comunque sia.....

Ho appena provato il circuito di GuidoB quello senza "charge pump" e non funziona, poi vedo il perché.
Da alcuni schemi usati ai tempi di squola scuola ho ritrovato questo che era per una lampadina da 3,8V ed io ci ho attaccato il Led e come luminosità è perfetto vorrei solo diminuire i tempi di ON/OFF di 1 sec ON e 3o4 OFF, i valori corretti da usare ?? considerando sempre i consumi minimi della Batt ??
Flash Lamp.png
Flash Lamp 3,8V
Flash Lamp.png (5.5 KiB) Osservato 10078 volte


Come vedete il circuito l'ho fatto con FidocadJ così niente + richiami !!! =D>

Grazie
Avatar utente
Foto UtenteAtmospher81
0 3
 
Messaggi: 21
Iscritto il: 17 set 2012, 13:07

3
voti

[38] Re: NE 555 e led blu lampeggiante

Messaggioda Foto UtenteIsidoroKZ » 26 set 2012, 0:58

Atmospher81 ha scritto:IsidoroKZ come già detto in un precedente messaggio i cinesi usano 3 Batt a bottone (L736) e l'aggeggio emette 1 flash ogni 2,5 sec. circa e dura settimane. comunque sia.....


I flash non durano 1.5s ma pochi millisecondi. L'elettrotecnica vale anche per i cinesi. Puoi sempre comprarne uno dai cinesi che duri tanti mesi e che tenga acceso il led per 1.5s ogni qualche secondo,
Per usare proficuamente un simulatore, bisogna sapere molta più elettronica di lui
Plug it in - it works better!
Il 555 sta all'elettronica come Arduino all'informatica! (entrambi loro malgrado)
Se volete risposte rispondete a tutte le mie domande
Avatar utente
Foto UtenteIsidoroKZ
121,2k 1 3 8
G.Master EY
G.Master EY
 
Messaggi: 21059
Iscritto il: 17 ott 2009, 0:00

0
voti

[39] Re: NE 555 e led blu lampeggiante

Messaggioda Foto UtenteAtmospher81 » 26 set 2012, 3:35

IsidoroKZ ,
vedo che mi hai preso in simpatia..................... :evil:
io non ne compro uno dai Cinesi e tantomeno riesco a contare i millisecondi con la vista !! e poi se leggi bene nel precedente mess. (emette 1 flash ogni 2,5 sec. circa e dura settimane)
Quindi non ho detto per quanto tempo rimane acceso ma bensì OGNI QUANTO TEMPO SI ACCENDE che non sono certo millisecondi !!
E' solo per capire come sti cinesi facciano a far durare un gadget così tanto (dato che nei precedenti post mi avete detto che con la stessa tipologia di batterie non dura più di 3 giorni giusto ??) in quel "COB" cosa c'è ??? IC sconosciuto ??? non sapendolo, chiedo a voi ingegneri.


Saluti
Avatar utente
Foto UtenteAtmospher81
0 3
 
Messaggi: 21
Iscritto il: 17 set 2012, 13:07

0
voti

[40] Re: NE 555 e led blu lampeggiante

Messaggioda Foto UtenteGuidoB » 27 set 2012, 1:41

Atmospher81 ha scritto:Da alcuni schemi usati ai tempi di squola scuola ho ritrovato questo che era per una lampadina da 3,8V ed io ci ho attaccato il Led e come luminosità è perfetto

Fa tanta luce e consuma un sacco perché non gli hai messo una resistenza di limitazione. Gli stai tirando il collo e quel LED non durerà molto, e neanche la batteria. Dovresti mettere 100 ohm in serie al LED.
Atmospher81 ha scritto:i valori corretti da usare ??

Nessuno qui è tenuto a farti i conti. Oltretutto per quel circuito non è così immediato. Io comunque lascerei perdere quel circuito. C'è un partitore che consuma anche quando il LED è spento, cioè per la maggior parte del tempo.
Prova a far funzionare il circuito che ti avevo indicato. A me funziona. Metti le resistenze indicate nello schema, poi prova a cambiarle come indicato nel testo.
Atmospher81 ha scritto:Come vedete il circuito l'ho fatto con FidocadJ così niente + richiami !!! =D>

[-X Non basta farlo con FidocadJ, bisogna inserire il sorgente e non l'immagine. Se no non possiamo prendere lo schema e modificarlo.
Per inserire il sorgente: control-D su FidocadJ: appare una finestra col sorgente. Selezioni tutto e fai Copy. Poi nel messaggio che prepari premi il tastino fcd in alto, appaiono due tag e tra i due incolli il sorgente.
Prova a fare "CITA" di un messaggio mio contenente uno schema, vedrai nel messaggio il sorgente FidocadJ tra i due tag.
Atmospher81 ha scritto:A me bastasse basterebbe riuscire ad ottenere 1,5 On e 4 OFF

Atmospher81 ha scritto:non ho detto per quanto tempo rimane acceso ma bensì OGNI QUANTO TEMPO SI ACCENDE che non sono certo millisecondi !!
E' solo per capire come sti cinesi facciano a far durare un gadget così tanto

Semplice, tengono acceso il led per pochi millisecondi, e non per 1,5 secondi come vuoi tu.
Te l'aveva già detto Isidoro, ma sembra che non hai letto:
IsidoroKZ ha scritto:I flash non durano 1.5s ma pochi millisecondi. L'elettrotecnica vale anche per i cinesi.

Atmospher81 ha scritto:in quel "COB" cosa c'è ??? IC sconosciuto ??? non sapendolo, chiedo a voi ingegneri.

Neanche "noi ingegneri" abbiamo un microscopio a raggi X negli occhi, e nemmeno la scienza infusa.
Atmospher81 ha scritto:IsidoroKZ ,
vedo che mi hai preso in simpatia..................... :evil:

Direi che a Isidoro è finita la pazienza con te. Ti ha spiegato e dato consigli, ma sembra che non ne tieni conto.
Big fan of ƎlectroYou!       Ausili per disabili e anziani su ƎlectroYou
Caratteri utili: À È É Ì Ò Ó Ù α β γ δ ε η θ λ μ π ρ σ τ φ ω Ω º ª ² ³ √ ∛ ∜ ₀ ₁ ₂ ₃ ₄ ₅ ₆ ∃ ∄ ∆ ∈ ∉ ± ∓ ∾ ≃ ≈ ≠ ≤ ≥
Avatar utente
Foto UtenteGuidoB
17,8k 7 12 13
G.Master EY
G.Master EY
 
Messaggi: 2809
Iscritto il: 3 mar 2011, 16:48
Località: Madrid

PrecedenteProssimo

Torna a Elettronica generale

Chi c’è in linea

Visitano il forum: Google Adsense [Bot] e 35 ospiti