Ciao.
Ho una questione a cui provo a dare risposta ragionandoci sopra.
Chiederei se vi torna il mio ragionamento.
Ho un lettore Mp3 con uscita stereo (jack 3mm) che voglio mandare ad una amplificatore però con ingresso MONO.
Ma non voglio perdere uno dei due canali.
Che faccio?
Ovviamente dovrei miscelare insieme i due segnali e poi amplificarli su ingresso mono.
Non volendo fare un "corto brutale" con i due ingrssi, faccio questo ragionamento a cui chiederei conferma.
Modellizzo le due uscite canale destro / canale sinistro come due generatori di tensione con bassa impedenza di uscita, diciamo 10 ohm (non ho idea di quanto sia l'impedenza di uscita di una cuffia di un lettore Mp3)
Modellizzo l'ingresso dell'amplificatore come una alta impedenza, diciamo 10k
Ora dico: normalmente ognuno dei due ingressi viene applicato ad un ingresso di alta impedenza in modo che il segnale non venga attenuato e venga quindi amplificato.
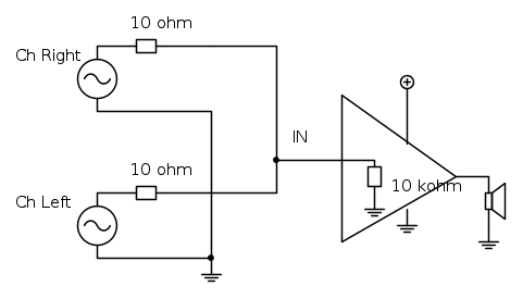
Ora, se li metto in corto brutale, cosi:
succedono 2 cose:
1. Facendo sovrapposizione degli effetti ottengo nel nodo IN la somma dei due segnali nel tempo MA dimezzati in ampiezza.
2. Il singolo generatore di segnale Ch right / Ch left deve pilotare "un carico" che è mooolto minore di quello che dovrebbe, quindi magari "si siede", non ce la fa.
Beh, per il punto 1 sarebbe OK, faccio la somma (e dimezzo), la amplfico... ma OK. ma per il punto 2 non penso vada bene.
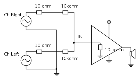
Allora provo a mettere in serie una 10k, cosi:
A questo punto sempre per sovrapposizione degli effetti, ogni singola sorgente vede una impedenza di 15k e mi trovo il segnale al nodo IN che è la somma dei due ma ridotti di 1/3.
Se posso poi guadagnare un po sull'ampli, posso recuperare il segnale perso.
Dite che potrebbe essere Ok o è una bestiata? Ci sono altri modi (semplici e veloci... senza opamp vari ecc...)?.
In questo modo farei tutto sul cavo schermato.
Ciao ciao!
Da stereo a mono "su cavo"
Moderatore:
IsidoroKZ
8 messaggi
• Pagina 1 di 1
5
voti
Ste75 ha scritto:Dite che potrebbe essere Ok o è una bestiata? Ci sono altri modi (semplici e veloci... senza opamp vari ecc...)?.
La soluzione che proponi va bene. Potresti abbassare le resistenze del miscelatore ad esempio a 470 ohm: l'uscita dell'mp3 probabilmente puo` pilotare delle cuffie da qualche decina di ohm, e comunque hai ancora una bassa impedenza per pilotare l'amplificatore.
Tieni anche presente che i due segnali sono fortemente correlati e quindi il carico sulle uscite e` veramente leggero, solo per segnali differenziali si ha un carico piu` pesante, ma ampiamente nelle capacita` di pilotaggio dell'mp3.
Sarebbe come dire che c'e` il metro_alto per misurare le altezze e il metro_largo per misurare le larghezze in orizzontale.
Per usare proficuamente un simulatore, bisogna sapere molta più elettronica di lui
Plug it in - it works better!
Il 555 sta all'elettronica come Arduino all'informatica! (entrambi loro malgrado)
Se volete risposte rispondete a tutte le mie domande
Plug it in - it works better!
Il 555 sta all'elettronica come Arduino all'informatica! (entrambi loro malgrado)
Se volete risposte rispondete a tutte le mie domande
0
voti
IsidoroKZ ha scritto:Sarebbe come dire che c'e` il metro_alto per misurare le altezze e il metro_largo per misurare le larghezze in orizzontale.
ok , prendo e porto a casa, grazie.
2
voti
Si dice che la tensione picco picco vale due volt, scritto ad esempio cosi`
(nota l'uso di corsivo per le variabili e tondo per le non variabili).
Quello che segue e` il paragrafo 7.4 di questo documento del NIST, ma c'e` anche il corrispondente ancora piu` ufficiale del BIPM che aveva citato
DirtyDeeds recentemente.
7.4 Unacceptability of attaching information to units
When one gives the value of a quantity, it is incorrect to attach letters or other symbols to the unit in order to provide information about the quantity or its conditions of easurement. Instead, the letters or other symbols should be attached to the quantity.
(nota l'uso di corsivo per le variabili e tondo per le non variabili).Quello che segue e` il paragrafo 7.4 di questo documento del NIST, ma c'e` anche il corrispondente ancora piu` ufficiale del BIPM che aveva citato
7.4 Unacceptability of attaching information to units
When one gives the value of a quantity, it is incorrect to attach letters or other symbols to the unit in order to provide information about the quantity or its conditions of easurement. Instead, the letters or other symbols should be attached to the quantity.
Per usare proficuamente un simulatore, bisogna sapere molta più elettronica di lui
Plug it in - it works better!
Il 555 sta all'elettronica come Arduino all'informatica! (entrambi loro malgrado)
Se volete risposte rispondete a tutte le mie domande
Plug it in - it works better!
Il 555 sta all'elettronica come Arduino all'informatica! (entrambi loro malgrado)
Se volete risposte rispondete a tutte le mie domande
0
voti
Ste75 ha scritto:Dite che potrebbe essere Ok o è una bestiata?
Sì, è ok, l'avevo fatto anni fa con un walkman (ehm, sì, molti anni fa
It's a sin to write
instead of
(Anonimo).
...'cos you know that
ain't
, right?
You won't get a sexy tan if you write
in lieu of
.
Take a log for a fireplace, but don't take
for
arithm.
instead of
(Anonimo)....'cos you know that
ain't
, right?You won't get a sexy tan if you write
in lieu of
.Take a log for a fireplace, but don't take
for
arithm.-

DirtyDeeds
55,9k 7 11 13 - G.Master EY

- Messaggi: 7012
- Iscritto il: 13 apr 2010, 16:13
- Località: Somewhere in nowhere
0
voti
Ciao e grazie per le risposte. Faccio la prova.
Volevo "sviscierare" le parole di
IsidoroKZ:
Intendi dire che per la musica, bene o male, considerando il canale destro e sinistro normalmente succede che quando "pompa" uno, di solito pompa anche l'altro (diciamo per la media dei brani musicali)?
E che comunque anche se dal canale destro avessi un "trombone che suona con sotto archi ad alto volume" e sul canale sinistro il solo "ding" di una triangolo, nel circuito che ho proposto (o con resistenze abbassate) non ci sarebbero problemi?
Ma, a questo punto... mettere in corto brutale?
Ciao
Stefano
Volevo "sviscierare" le parole di
IsidoroKZ ha scritto:Tieni anche presente che i due segnali sono fortemente correlati e quindi il carico sulle uscite e` veramente leggero, solo per segnali differenziali si ha un carico piu` pesante, ma ampiamente nelle capacita` di pilotaggio dell'mp3.
Intendi dire che per la musica, bene o male, considerando il canale destro e sinistro normalmente succede che quando "pompa" uno, di solito pompa anche l'altro (diciamo per la media dei brani musicali)?
E che comunque anche se dal canale destro avessi un "trombone che suona con sotto archi ad alto volume" e sul canale sinistro il solo "ding" di una triangolo, nel circuito che ho proposto (o con resistenze abbassate) non ci sarebbero problemi?
Ma, a questo punto... mettere in corto brutale?
Ciao
Stefano
"perché un uomo è grande, GRANDE davvero, quando ritorna bambino di nuovo". Zecchino d'oro '87
0
voti
Ste75 ha scritto:Ma, a questo punto... mettere in corto brutale?
No, corto brutale no, il coefficiente di correlazione non è 1
It's a sin to write
instead of
(Anonimo).
...'cos you know that
ain't
, right?
You won't get a sexy tan if you write
in lieu of
.
Take a log for a fireplace, but don't take
for
arithm.
instead of
(Anonimo)....'cos you know that
ain't
, right?You won't get a sexy tan if you write
in lieu of
.Take a log for a fireplace, but don't take
for
arithm.-

DirtyDeeds
55,9k 7 11 13 - G.Master EY

- Messaggi: 7012
- Iscritto il: 13 apr 2010, 16:13
- Località: Somewhere in nowhere
8 messaggi
• Pagina 1 di 1
Torna a Elettronica e spettacolo
Chi c’è in linea
Visitano il forum: Nessuno e 23 ospiti

Elettrotecnica e non solo (admin)
Un gatto tra gli elettroni (IsidoroKZ)
Esperienza e simulazioni (g.schgor)
Moleskine di un idraulico (RenzoDF)
Il Blog di ElectroYou (webmaster)
Idee microcontrollate (TardoFreak)
PICcoli grandi PICMicro (Paolino)
Il blog elettrico di carloc (carloc)
DirtEYblooog (dirtydeeds)
Di tutto... un po' (jordan20)
AK47 (lillo)
Esperienze elettroniche (marco438)
Telecomunicazioni musicali (clavicordo)
Automazione ed Elettronica (gustavo)
Direttive per la sicurezza (ErnestoCappelletti)
EYnfo dall'Alaska (mir)
Apriamo il quadro! (attilio)
H7-25 (asdf)
Passione Elettrica (massimob)
Elettroni a spasso (guidob)
Bloguerra (guerra)






