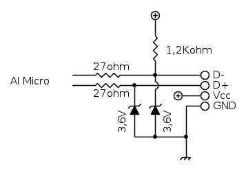
Ho in mente di realizzare in casa una di queste (LittleWire), di cui ho trovato uno schema qua, ho quasi tutto il necessario già in casa, mi mancherebbe solo il connettore USB, ma questa è un'altra storia....
L'unica cosa che mi da da pensare sono quei due diodi zener sulla parte di connessione USB, io ne ho da 2,7V invece che da 3,6V, volevo sapere a cosa servissero per capire se un valore di Vz inferiore pregiudicasse il funzionamento del tutto.
Ripeto lo schema anche in fidocadj della sola parte USB:
Zener su interfaccia USB-micro, a cosa servono?
Moderatori:
carloc,
g.schgor,
BrunoValente,
IsidoroKZ
0
voti
Servono nel caso che il dispositivo debba essere o si trova alimentato ad un massimo di circa 3.6V.
Se però usi un micro alimentato a 5V, e la tensione dei segnali D+ e D- in arrivo dalla USB è di 5V, non servono, anche se l'ho visto fare, oltre al tuo schema.
Infatti l'ATtiny85 (micro in questione per quel progetto) supporta una tensione massima di 6V.
Visto che comunque quella dei diodi non è una soluzione "pulita", in tal caso penso si potrebbe usare un buffer Open Drain alimentato a 5V con la USB, così:
Se però usi un micro alimentato a 5V, e la tensione dei segnali D+ e D- in arrivo dalla USB è di 5V, non servono, anche se l'ho visto fare, oltre al tuo schema.
Infatti l'ATtiny85 (micro in questione per quel progetto) supporta una tensione massima di 6V.
Visto che comunque quella dei diodi non è una soluzione "pulita", in tal caso penso si potrebbe usare un buffer Open Drain alimentato a 5V con la USB, così:
0
voti
No. Quegli zener sono delle protezioni, per me discutibili all'ingresso del ricevitore. I livelli su D+ e D- rispetto a GND possono arrivare a 3.6 V. La tensione minima di una protezione deve essere 3.6 V o superiore. Usare degli zener da 3.6 è sbagliato perché non si tiene conto della tolleranza della tensione di zener e si introduce una capacità che degrada il segnale. Insomma, 2.7 V no di sicuro, 3.6 V per me neanche.
0
voti
Servono nel caso che il dispositivo debba essere o si trova alimentato ad un massimo di circa 3.6V.
Se però usi un micro alimentato a 5 V, e la tensione dei segnali D+ e D- in arrivo dalla USB è di 5 V, non servono, anche se l'ho visto fare, oltre al tuo schema.
Si, servono a limitare la tensione per il successivo micro (che a occhio e croce viene alimentato a 3.6)
Ovvio che limitano
Ad esempio prendendo un modello da 0.2 W CD0603 della Bourns vedi dal grafico "Typical Junction Capacitance" che siamo a 100 150 pF
Se non ti disturba ... se li devi comperare (e li devi mi par di capire) piu' piccoli sono e meglio e'.
Ultima modifica di
Lelettrico il 29 set 2012, 12:51, modificato 3 volte in totale.
-

Lelettrico
2.458 1 4 6 - Master

- Messaggi: 1108
- Iscritto il: 13 set 2010, 12:24
0
voti
Lo schema in [1] è decisamente una brutta cosa. Il problema principale è che la linea bilanciata non è terminata in modo corretto. Viene da pensare che quegli zener siano stati messi li proprio per evitare il fenomeno della sovratensione che si viene a creare quando una linea viene terminata su un'impedenza infinita. La
del driver è 3.6 V massimi e quindi non ha senso limitare qualcosa che è già limitato. Ma se non si termina correttamente la linea, al capo ricevitore si può avere un raddoppio (teorico) della tensione e forse è questa la ragione degli zener. Non resta che dire che è tutto sbagliato, almeno per me.
del driver è 3.6 V massimi e quindi non ha senso limitare qualcosa che è già limitato. Ma se non si termina correttamente la linea, al capo ricevitore si può avere un raddoppio (teorico) della tensione e forse è questa la ragione degli 0
voti
Vediamo di tornare in topic, mi limito a dirvi che lo schema non l'ho progettato io, ma è di una scheda già funzionante (questa) e si tratta di un progetto discretamente famoso. Data la sua semplicità, invece di comprare un kit per 19$, volevo autocostruirmela, dato che ho la maggioranza dei pezzi. Quindi volevo sapere se quei due zener sulla linea USB dovessero essere esattamente di quel valore, o c'era una certa tolleranza, dato che non ne avevo di simili, ma di un valore vicino, 2,7V invece di 3,6V che sono richiesti dal progetto.
-

DADO91
3.552 3 12 13 - Expert EY

- Messaggi: 965
- Iscritto il: 27 feb 2009, 18:19
- Località: Prov. di Firenze
Chi c’è in linea
Visitano il forum: Majestic-12 [Bot] e 52 ospiti

Elettrotecnica e non solo (admin)
Un gatto tra gli elettroni (IsidoroKZ)
Esperienza e simulazioni (g.schgor)
Moleskine di un idraulico (RenzoDF)
Il Blog di ElectroYou (webmaster)
Idee microcontrollate (TardoFreak)
PICcoli grandi PICMicro (Paolino)
Il blog elettrico di carloc (carloc)
DirtEYblooog (dirtydeeds)
Di tutto... un po' (jordan20)
AK47 (lillo)
Esperienze elettroniche (marco438)
Telecomunicazioni musicali (clavicordo)
Automazione ed Elettronica (gustavo)
Direttive per la sicurezza (ErnestoCappelletti)
EYnfo dall'Alaska (mir)
Apriamo il quadro! (attilio)
H7-25 (asdf)
Passione Elettrica (massimob)
Elettroni a spasso (guidob)
Bloguerra (guerra)


