Salve a tutti...
da una settimana studio una lezione riguardante l'amplificatore operazionale (OP-AMP) , senza però riuscire a comprenderne alcuni punti...
1°) perché alcuni punti vengono messi a terra, ovvero in funsione di che cosa e per ottenere quale risultato vengono collegati a massa?
2°) se è vero che in un amplificatore ideale dovrebbe avere all'ingresso una resistenza di valore infinito, la corrente non passa ma come fa ad esserci una differenza di potensiale tra i due morsetti se il circuito è aperto come d'altronde si rappresenta la res. infinita? e perché la resistenza deve essere infinita? al fine di cosa?
3°)cosa vuol dire che avendo un guadagno infinito si ha GH>>1 ( cosa vuole dire?)
scusate l'ignoranza ma è la prima volta che affronto questo argomento quindi vogliate scusarmi se vi disturbo per cose che lorsignori vogliano reputare semplicissimi al mio contrario.
in attesa di una gentile risposta alla mia domanda, Salvatore.
Amplificatore operazionale
Moderatori:
carloc,
g.schgor,
BrunoValente,
IsidoroKZ
7 messaggi
• Pagina 1 di 1
1
voti
Che cosa stai studiando? Scuola/ateneo, percorso di studi/corso di laurea, materia e libro di testo?
Hai fatto elettrotecnica bene?
Hai fatto elettrotecnica bene?
Per usare proficuamente un simulatore, bisogna sapere molta più elettronica di lui
Plug it in - it works better!
Il 555 sta all'elettronica come Arduino all'informatica! (entrambi loro malgrado)
Se volete risposte rispondete a tutte le mie domande
Plug it in - it works better!
Il 555 sta all'elettronica come Arduino all'informatica! (entrambi loro malgrado)
Se volete risposte rispondete a tutte le mie domande
0
voti
1) Né a terra, né a massa: tipicamente vengono connessi al potenziale di riferimento: leggi questo articolo per capire le differenze tra i vari termini.
Poi, difficile spiegare il perché non sapendo a quale circuito tu ti stai riferendo: fai uno schema in FidoCadJ in modo che si possa commentarlo.
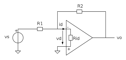
2) Qui metti insieme un po' di cose, perlopiù sbagliate. Un amplificatore operazionale ideale è un amplificatore lineare che, quando chiuso in retroazione, varia la tensione di uscita in modo da mantenere tra i due morsetti di ingresso invertente (-) e non-invertente (+) una tensione nulla. Ciò implica che qualunque sia il valore della resistenza (equivalente) d'ingresso tra i terminali + e -, la corrente che vi scorre è nulla.
Per esempio, nell'amplificatore invertente di figura sotto, l'amplificatore operazionale ideale, attraverso la rete di retroazione costituita da
ed
, mantiene all'ingresso una tensione
. Poiché
,
, per qualunque valore non nullo di
.
3) Cosa avete visto sulla retroazione?
Poi, difficile spiegare il perché non sapendo a quale circuito tu ti stai riferendo: fai uno schema in FidoCadJ in modo che si possa commentarlo.
2) Qui metti insieme un po' di cose, perlopiù sbagliate. Un amplificatore operazionale ideale è un amplificatore lineare che, quando chiuso in retroazione, varia la tensione di uscita in modo da mantenere tra i due morsetti di ingresso invertente (-) e non-invertente (+) una tensione nulla. Ciò implica che qualunque sia il valore della resistenza (equivalente) d'ingresso tra i terminali + e -, la corrente che vi scorre è nulla.
Per esempio, nell'amplificatore invertente di figura sotto, l'amplificatore operazionale ideale, attraverso la rete di retroazione costituita da
ed
, mantiene all'ingresso una tensione
. Poiché
,
, per qualunque valore non nullo di
.3) Cosa avete visto sulla retroazione?
It's a sin to write
instead of
(Anonimo).
...'cos you know that
ain't
, right?
You won't get a sexy tan if you write
in lieu of
.
Take a log for a fireplace, but don't take
for
arithm.
instead of
(Anonimo)....'cos you know that
ain't
, right?You won't get a sexy tan if you write
in lieu of
.Take a log for a fireplace, but don't take
for
arithm.-

DirtyDeeds
55,9k 7 11 13 - G.Master EY

- Messaggi: 7012
- Iscritto il: 13 apr 2010, 16:13
- Località: Somewhere in nowhere
1
voti
E visto che prima o poi ci incapperai nel concetto di "massa virtuale", meglio se ti prepari un po' di anticorpi qui
Per usare proficuamente un simulatore, bisogna sapere molta più elettronica di lui
Plug it in - it works better!
Il 555 sta all'elettronica come Arduino all'informatica! (entrambi loro malgrado)
Se volete risposte rispondete a tutte le mie domande
Plug it in - it works better!
Il 555 sta all'elettronica come Arduino all'informatica! (entrambi loro malgrado)
Se volete risposte rispondete a tutte le mie domande
0
voti
varia la tensione di uscita in modo da mantenere tra i due morsetti di ingresso invertente (-) e non-invertente (+) una tensione nulla. Ciò implica che qualunque sia il valore della resistenza (equivalente) d'ingresso tra i terminali + e -, la corrente che vi scorre è nulla.
perché la tensione diviene nulla?
per quanto riguarda l'ultima domanda che mi hai posto:
purtroppo nella scuola dove vado (elettrotecnico) la professoressa si è ammalata gravemente e per 2 anni non abbiamo fatto nulla idem di sistemi che stiamo cominciando a fare bene quest'anno per questo mi ritrovo a questi livelli, la colpa non è mia per niente se non c'e chi me le spiega :-(
perché la tensione diviene nulla?
per quanto riguarda l'ultima domanda che mi hai posto:
purtroppo nella scuola dove vado (elettrotecnico) la professoressa si è ammalata gravemente e per 2 anni non abbiamo fatto nulla idem di sistemi che stiamo cominciando a fare bene quest'anno per questo mi ritrovo a questi livelli, la colpa non è mia per niente se non c'e chi me le spiega :-(
-

SalvatoreSav
10 2 - Messaggi: 11
- Iscritto il: 29 set 2012, 12:28
1
voti
SalvatoreSav ha scritto:perché la tensione diviene nulla?
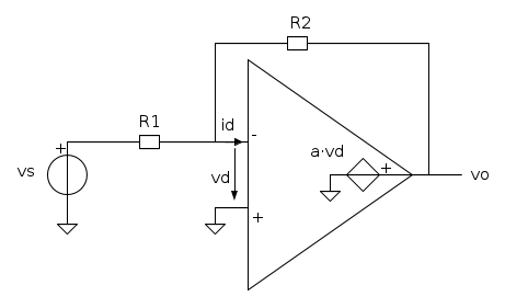
Ci possono essere (almeno) due risposte a seconda di quanta elettrotecnica sai:
1) Immagini che l'opamp ideale sia una scatola nera, dal contenuto ignoto, che lavora, attraverso l'uscita e un circuito di retroazione, in modo da mantenere una tensione nulla ai suoi ingressi. Non ti interessi del perché sia nulla, lo accetti e usi questa proprietà per determinare il comportamento di tutti quei circuiti contenenti opamp in cui la tensione di uscita è in grado, attraverso una rete esterna all'opamp, di variare la tensione d'ingresso.
2) Vedi l'opamp ideale come limite di un amplificatore normale con guadagno finito. Guarda il circuito qui sotto, dove ho modellato la "scatola nera" con un generatore pilotato di tensione che genera una tensione di uscita
, dove
è un coefficiente positivo, e dove, per semplificare le cose, ho rimosso la resistenza d'ingresso. Come esercizio di elettrotecnica, sapresti calcolare la tensione
?It's a sin to write
instead of
(Anonimo).
...'cos you know that
ain't
, right?
You won't get a sexy tan if you write
in lieu of
.
Take a log for a fireplace, but don't take
for
arithm.
instead of
(Anonimo)....'cos you know that
ain't
, right?You won't get a sexy tan if you write
in lieu of
.Take a log for a fireplace, but don't take
for
arithm.-

DirtyDeeds
55,9k 7 11 13 - G.Master EY

- Messaggi: 7012
- Iscritto il: 13 apr 2010, 16:13
- Località: Somewhere in nowhere
0
voti
DirtyDeeds ha scritto:SalvatoreSav a
, dove
è un coefficiente positivo, e dove, per semplificare le cose, ho rimosso la resistenza d'ingresso. Come esercizio di elettrotecnica, sapresti calcolare la tensione
?
cosa indica esattamente a ? e poi ancora a quale res. ti riferisci?
per quanto riguarda l'esercizio da te proposto, so dirti solo che Vd lo posso trovare con la formula inversa
:-(
Ultima modifica di
Lele_u_biddrazzu il 29 set 2012, 21:13, modificato 1 volta in totale.
Motivazione: Sistemato post e relativa citazione :)
Motivazione: Sistemato post e relativa citazione :)
-

SalvatoreSav
10 2 - Messaggi: 11
- Iscritto il: 29 set 2012, 12:28
7 messaggi
• Pagina 1 di 1
Chi c’è in linea
Visitano il forum: Nessuno e 63 ospiti

Elettrotecnica e non solo (admin)
Un gatto tra gli elettroni (IsidoroKZ)
Esperienza e simulazioni (g.schgor)
Moleskine di un idraulico (RenzoDF)
Il Blog di ElectroYou (webmaster)
Idee microcontrollate (TardoFreak)
PICcoli grandi PICMicro (Paolino)
Il blog elettrico di carloc (carloc)
DirtEYblooog (dirtydeeds)
Di tutto... un po' (jordan20)
AK47 (lillo)
Esperienze elettroniche (marco438)
Telecomunicazioni musicali (clavicordo)
Automazione ed Elettronica (gustavo)
Direttive per la sicurezza (ErnestoCappelletti)
EYnfo dall'Alaska (mir)
Apriamo il quadro! (attilio)
H7-25 (asdf)
Passione Elettrica (massimob)
Elettroni a spasso (guidob)
Bloguerra (guerra)

