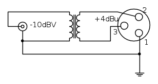
Nello schemino seguente è riportato a grandi linee un circuito a trasformatore che esegue una conversione di un segnale audio da -10dBV a +4dBu (RANE BB 44X - http://www.directproaudio.com/images/products/bb44manual.pdf), ora mi piacerebbe fare la stessa cosa eliminando il trasformatore, rimpiazzandolo con componenti attivi alimentati in duale (+15/-15).
Utilizzando il calcolatore su questo sito http://www.sengpielaudio.com/calculator-db-volt.htm ottengo :
-10 dBV = Voltage V (0.316227766) volt (RMS)
+4dBu = Voltage V (1.227652988) volt (RMS)
amplificare il segnale calcolando un guadagno costante di xx volte è la procedura corretta ?
Da -10dBV a +4dBu
Moderatore:
IsidoroKZ
44 messaggi
• Pagina 1 di 5 • 1, 2, 3, 4, 5
0
voti
Pare tu debba fare un semplice amplificatore con guadagno pari a 4. L'uscita la puoi mantenere a bassa impedenza con una resistenza serie di pochi ohm (22 può andare) in caso tu abbia un lungo cavo a valle. L'ingresso dovresti disaccoppiarlo in continua e decidere che impedenza presentare al driver.
0
voti
Mi chiedo quando il segnale audio da -10dBV sia a livelli validi ma molto prossimi all'overdrive cosa succeda quando gli applico un amplificazione.
0
voti
Perché i due amplificatori in cascata? Il primo non serve a nulla.
La dinamica di questo amplificatore va ben oltre i livelli di progetto. Anche se superi il livello prestabilito non saturi.
La dinamica di questo amplificatore va ben oltre i livelli di progetto. Anche se superi il livello prestabilito non saturi.
1
voti
Ho dato una occhiata, sembra che sia bilanciato in uscita
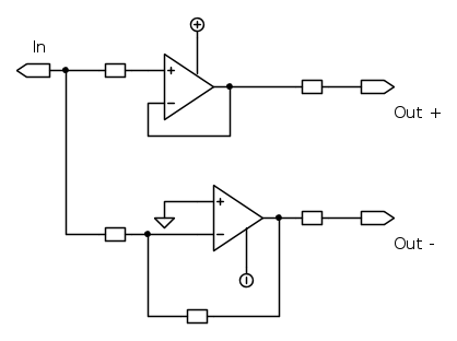
Piu che altro lo vedrei cosi ... ma dipende da cosa devi fare. A rigore non riesci a sostituire un trasformatore con operazionali
Piu che altro lo vedrei cosi ... ma dipende da cosa devi fare. A rigore non riesci a sostituire un trasformatore con operazionali
-

Lelettrico
2.458 1 4 6 - Master

- Messaggi: 1108
- Iscritto il: 13 set 2010, 12:24
0
voti
Sarebbe infinita di suo (magari rinfresca dalla pagina wiki OP Amp Circuits)
Realisticamente altissima. Per l'invertente sotto e' Rin ...
Eh lo so ... anche le due R in uscita dovrebbero essere tolte (sono adattamenti di linea per frequenze elevate, in campo audio ... audio giusto
... non devono (dovrebbero) esserci.
In ogni caso NON E' LA STESSA COSA, un trasformatore supporta differenze di modo comune che possono arrivare a migliaia di volt mentre l'op solo la VCC. E compreso questo concetto
Realisticamente altissima. Per l'invertente sotto e' Rin ...
Eh lo so ... anche le due R in uscita dovrebbero essere tolte (sono adattamenti di linea per frequenze elevate, in campo audio ... audio giusto
In ogni caso NON E' LA STESSA COSA, un trasformatore supporta differenze di modo comune che possono arrivare a migliaia di volt mentre l'op solo la VCC. E compreso questo concetto
-

Lelettrico
2.458 1 4 6 - Master

- Messaggi: 1108
- Iscritto il: 13 set 2010, 12:24
44 messaggi
• Pagina 1 di 5 • 1, 2, 3, 4, 5
Torna a Elettronica e spettacolo
Chi c’è in linea
Visitano il forum: Nessuno e 34 ospiti

Elettrotecnica e non solo (admin)
Un gatto tra gli elettroni (IsidoroKZ)
Esperienza e simulazioni (g.schgor)
Moleskine di un idraulico (RenzoDF)
Il Blog di ElectroYou (webmaster)
Idee microcontrollate (TardoFreak)
PICcoli grandi PICMicro (Paolino)
Il blog elettrico di carloc (carloc)
DirtEYblooog (dirtydeeds)
Di tutto... un po' (jordan20)
AK47 (lillo)
Esperienze elettroniche (marco438)
Telecomunicazioni musicali (clavicordo)
Automazione ed Elettronica (gustavo)
Direttive per la sicurezza (ErnestoCappelletti)
EYnfo dall'Alaska (mir)
Apriamo il quadro! (attilio)
H7-25 (asdf)
Passione Elettrica (massimob)
Elettroni a spasso (guidob)
Bloguerra (guerra)




