***** per circuito con fotodiodo
Moderatori:
carloc,
g.schgor,
BrunoValente,
IsidoroKZ
25 messaggi
• Pagina 3 di 3 • 1, 2, 3
0
voti
In effetti ce n'erano anche alcuni altri che non erano corretti. Se in serie al fotodiodo metti una R piu` elevata, il circuito dovrebbe funzionare meglio.
Per usare proficuamente un simulatore, bisogna sapere molta più elettronica di lui
Plug it in - it works better!
Il 555 sta all'elettronica come Arduino all'informatica! (entrambi loro malgrado)
Se volete risposte rispondete a tutte le mie domande
Plug it in - it works better!
Il 555 sta all'elettronica come Arduino all'informatica! (entrambi loro malgrado)
Se volete risposte rispondete a tutte le mie domande
0
voti
IsidoroKZ ha scritto:Se in serie al fotodiodo metti una R piu` elevata, il circuito dovrebbe funzionare meglio.
Si, è quello che ho notato questa mattina sostituendo la R da 10K per una da 470K.

0
voti
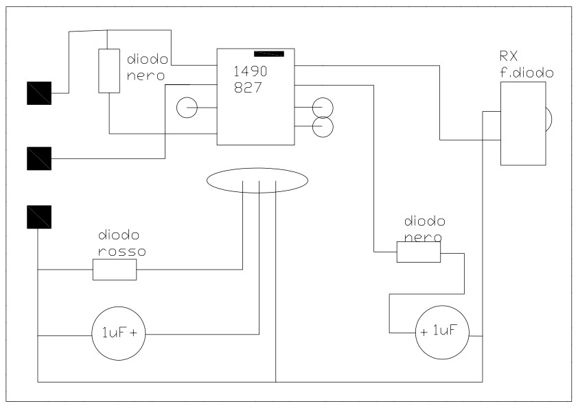
salve signori . . . . ho tra le mani un ricevitore di un vecchio videoregistratore .Ma il circuito è un po "insolito"
L'integrato è : 1496 827 , i 2 condensatori sono da 1uF,il sensore è un sensore a diodo quindi a 2 piedini "credo infrarosso" e poi trovo 3 componenti di forma quadrata che credo siano diodi .Ai tre piedini d'uscita quando era collegato avevo un 5V,un GND e un piedino DATA... mi sapete dire come funziona???? questo circuito per caso già decodifica i segnali d'igresso???
vorrei anch'io costruire un sistema RX TX per poter pilotare un paio di relè e visto che sono a corto di sensori volevo utilizzare questo ma non capisco,è la prima volta che ne vedo uno cosi montato
L'integrato è : 1496 827 , i 2 condensatori sono da 1uF,il sensore è un sensore a diodo quindi a 2 piedini "credo infrarosso" e poi trovo 3 componenti di forma quadrata che credo siano diodi .Ai tre piedini d'uscita quando era collegato avevo un 5V,un GND e un piedino DATA... mi sapete dire come funziona???? questo circuito per caso già decodifica i segnali d'igresso???
vorrei anch'io costruire un sistema RX TX per poter pilotare un paio di relè e visto che sono a corto di sensori volevo utilizzare questo ma non capisco,è la prima volta che ne vedo uno cosi montato
Ultima modifica di
admin il 6 ott 2012, 18:53, modificato 1 volta in totale.
Motivazione: cancellate immagini orrende
Motivazione: cancellate immagini orrende
-

eldiablo84
3 5 - New entry

- Messaggi: 56
- Iscritto il: 1 ott 2012, 23:06
0
voti
mmmm...le mie immagini non facevano cosi schifo quando le ho caricate....provo con fidocad e torno
-

eldiablo84
3 5 - New entry

- Messaggi: 56
- Iscritto il: 1 ott 2012, 23:06
0
voti
mi spiego . . . 1 3 contatti cerchiati non vedo a quali dei 3 piedini dell'integrato sono collegati purtroppo . . . non trovo il datasheet dell'integrato e ancora ho questi 3 componenti quadrati 2 neri e uno rosso che mi sembrano diodi . . . . ci capite qualcosa voi????
-

eldiablo84
3 5 - New entry

- Messaggi: 56
- Iscritto il: 1 ott 2012, 23:06
25 messaggi
• Pagina 3 di 3 • 1, 2, 3
Chi c’è in linea
Visitano il forum: Nessuno e 56 ospiti

Elettrotecnica e non solo (admin)
Un gatto tra gli elettroni (IsidoroKZ)
Esperienza e simulazioni (g.schgor)
Moleskine di un idraulico (RenzoDF)
Il Blog di ElectroYou (webmaster)
Idee microcontrollate (TardoFreak)
PICcoli grandi PICMicro (Paolino)
Il blog elettrico di carloc (carloc)
DirtEYblooog (dirtydeeds)
Di tutto... un po' (jordan20)
AK47 (lillo)
Esperienze elettroniche (marco438)
Telecomunicazioni musicali (clavicordo)
Automazione ed Elettronica (gustavo)
Direttive per la sicurezza (ErnestoCappelletti)
EYnfo dall'Alaska (mir)
Apriamo il quadro! (attilio)
H7-25 (asdf)
Passione Elettrica (massimob)
Elettroni a spasso (guidob)
Bloguerra (guerra)

