Cos'è ElectroYou | Login Iscriviti

ElectroYou - la comunità dei professionisti del mondo elettrico

Analisi circuito nel tempo

Circuiti, campi elettromagnetici e teoria delle linee di trasmissione e distribuzione dell’energia elettrica

Moderatori: Foto Utenteg.schgor, Foto UtenteIsidoroKZ

0
voti

[1] Analisi circuito nel tempo

Messaggioda Foto Utenteenpires » 10 ott 2012, 11:49

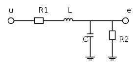
Salve a tutti! Devo determinare l'equazione differenziale che caratterizza il seguente circuito

Non sono sicuro dei passaggi che ho effettuato quindi chiedo conferma a voi :)

Prima di tutto, definendo i_2 come la corrente attraverso il condensatore e i_3 come la corrente attraverso R_2 posso scrivere
\left\{\begin{matrix}
i = i_2+ i_3\\ 
i_2 = C \frac{\mathrm{d} e}{\mathrm{d} t}\\ 
i_3 = e / R_2\\ 
u-e = iR_1 + L\frac{\mathrm{d} i}{\mathrm{d} t}
\end{matrix}\right.

sostituendo ottengo

\begin{align*}
u-e &= (i_2+i_3)R_1 + L\frac{\mathrm{d} (i_2+i_3)}{\mathrm{d} t}\\ 
 &= R_1C \frac{\mathrm{d} e}{\mathrm{d} t} + e \frac{R_1}{R_2} + LC\frac{\mathrm{d}^2 e}{\mathrm{d} t^2} + \frac{L}{R_2}\frac{\mathrm{d} e}{\mathrm{d} t}
\end{align*}

dalla quale, riordinando, dovrei ottenere il risultato

\left ( 1+\frac{R_1}{R_2} \right )e = u - \left ( R_1C+\frac{L}{R_2} \right )\frac{\mathrm{d} e}{\mathrm{d} t} - LC\frac{\mathrm{d}^2 e}{\mathrm{d} t^2}

Vi ispira, come risultato? :)
Ultima modifica di Foto Utenteenpires il 10 ott 2012, 12:12, modificato 1 volta in totale.
Avatar utente
Foto Utenteenpires
15 6
New entry
New entry
 
Messaggi: 97
Iscritto il: 9 mar 2010, 20:06

1
voti

[2] Re: Analisi circuito nel tempo

Messaggioda Foto UtenteLele_u_biddrazzu » 10 ott 2012, 12:02

Ciao, l'affermazione i_3 = R_2 \, e non mi ispira molto :-)
Emanuele Lorina

- Chi lotta contro i mostri deve fare attenzione a non diventare lui stesso un mostro. E se tu riguarderai a lungo in un abisso, anche l'abisso vorrà guardare dentro di te (F. Nietzsche)
- Tavole della legge by admin
Avatar utente
Foto UtenteLele_u_biddrazzu
8.154 3 8 13
Master EY
Master EY
 
Messaggi: 1288
Iscritto il: 23 gen 2007, 16:13
Località: Modena

0
voti

[3] Re: Analisi circuito nel tempo

Messaggioda Foto Utenteenpires » 10 ott 2012, 12:12

Ho dimenticato di ricopiare un segno di frazione :oops:
Ora dovrebbe essere giusto (vero??? :mrgreen: )
Avatar utente
Foto Utenteenpires
15 6
New entry
New entry
 
Messaggi: 97
Iscritto il: 9 mar 2010, 20:06

1
voti

[4] Re: Analisi circuito nel tempo

Messaggioda Foto UtenteLele_u_biddrazzu » 10 ott 2012, 12:14

Dopo la correzione, mi sembra che tutto sia ok :ok:
Emanuele Lorina

- Chi lotta contro i mostri deve fare attenzione a non diventare lui stesso un mostro. E se tu riguarderai a lungo in un abisso, anche l'abisso vorrà guardare dentro di te (F. Nietzsche)
- Tavole della legge by admin
Avatar utente
Foto UtenteLele_u_biddrazzu
8.154 3 8 13
Master EY
Master EY
 
Messaggi: 1288
Iscritto il: 23 gen 2007, 16:13
Località: Modena


Torna a Elettrotecnica generale

Chi c’è in linea

Visitano il forum: Nessuno e 151 ospiti