Cos'è ElectroYou | Login Iscriviti

ElectroYou - la comunità dei professionisti del mondo elettrico

Segnale tv bassa qualità

Telefonia, radio, TV, internet, reti locali...comandi a distanza

Moderatore: Foto Utentejordan20

1
voti

[31] Re: Segnale tv bassa qualità

Messaggioda Foto Utentemir » 1 ott 2012, 20:12

dario85 ha scritto:credo che ci sia un centralino (c'ha scritto sopra FR JB8R 1345U 223070)

in che senso
dario85 ha scritto:"credo"..
o c'è o non c'è,..mah..immaginiamo che ci sia del resto la sigla da dove vien fuori ...
dario85 ha scritto:Da questo mio modello di centralino sapreste dirmi se supporta 3 CAD collegati in serie senza far subire perdite di segnale alle prese del piano inferiore?

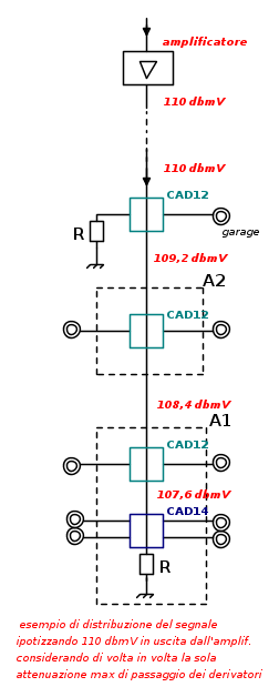
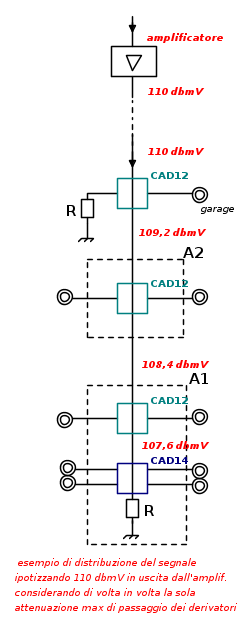
premesso che non ho trovato info sul modello che hai indicato, immaginando che abbia un segnale in uscita di ampiezza di 110 db\mu V considerando le sole attenuazioni di passaggio dei CAD inseriti lungo la linea si direbbe che l'ampiezza del segnale sia più che sufficiente su ogni piano, e credo che sia tale anche considerando l'attenuazione inserita dal cavo, spannometricamente credo sia una cosa del genere:
Avatar utente
Foto Utentemir
66,0k 9 12 13
G.Master EY
G.Master EY
 
Messaggi: 21870
Iscritto il: 19 ago 2004, 21:10

0
voti

[32] Re: Segnale tv bassa qualità

Messaggioda Foto Utentedario85 » 1 ott 2012, 21:46

o c'è o non c'è,..mah..immaginiamo che ci sia del resto la sigla da dove vien fuori ...


ho sbagliato :mrgreen: ,volevo dire che non so se sia centralino o amplificatore o altro...

premesso che non ho trovato info sul modello che hai indicato


Nemmeno io ho trovato info su internet, può darsi che sia un modello un po' vecchio, io ho dato semplicemente tutto quello che mi era possibile dare...il nome scritto sulla cassetta. :-)


Comunque io avevo pensato a questa configurazione

Secondo te va bene così?

Avendo 5 prese al 1°piano e 2 al 2° piano...altrimenti utilizzo la tua!
Grazie ancora per l'aiuto che mi stai dando mir :-)
Avatar utente
Foto Utentedario85
15 3
 
Messaggi: 23
Iscritto il: 27 set 2012, 23:29

0
voti

[33] Re: Segnale tv bassa qualità

Messaggioda Foto Utentemir » 1 ott 2012, 21:58

dario85 ha scritto: io avevo pensato a questa configurazione...

se il numero di prese è quello indicato la tua distribuzione va bene,tieni presente che oltre le connessioni ai morsetti dei CAD è fondamentale che i cavi di antenna non abbiano strozzature nelle curve,e che ogni eventuale presa libera (qualora ce ne fosse) in ogni CAD sia chiusa con un resistore da 75 ohm, non ultimo assicurati che le prese tv siano del tipo finale e non del tipo passante, in quest'ultimo caso si chiuderanno con il solito resistore da 75 ohm.
Avatar utente
Foto Utentemir
66,0k 9 12 13
G.Master EY
G.Master EY
 
Messaggi: 21870
Iscritto il: 19 ago 2004, 21:10

0
voti

[34] Re: Segnale tv bassa qualità

Messaggioda Foto Utentedario85 » 2 ott 2012, 0:28

non ultimo assicurati che le prese tv siano del tipo finale e non del tipo passante

Scusa, cosa intendi? Non conosco il vostro gergo tecnico :roll: aahhahah
Avatar utente
Foto Utentedario85
15 3
 
Messaggi: 23
Iscritto il: 27 set 2012, 23:29

0
voti

[35] Re: Segnale tv bassa qualità

Messaggioda Foto Utentemir » 2 ott 2012, 8:23

dario85 ha scritto:cosa intendi?

hai ragione, per presa finale si intende una presa che ha solamente la connessione per un cavo di segnale o meglio la inea di collegamento termina su questa presa (detta appunto presa terminale o finale), mentre la presa passante consente al cavo di segnale che arriva di proseguire o passare (presa passante) anche per un ulteriore presa, quest'ultimo tipo è sconsigliabile come utilizzo.
ora tralasciando la simbologia che utilizzo, solo per darti un'idea qui di seguito è rappresentata una presa passante ed una presa terminale o finale

ora se si ha una presa passante questa può diventare terminale semplicemente chiudendo l'uscita con il solito resistore da 75 ohm..
Avatar utente
Foto Utentemir
66,0k 9 12 13
G.Master EY
G.Master EY
 
Messaggi: 21870
Iscritto il: 19 ago 2004, 21:10

1
voti

[36] Re: Segnale tv bassa qualità

Messaggioda Foto Utentedario85 » 2 ott 2012, 17:02

Ok, appena posso mi metterò a lavoro! grazie mille a tutti coloro che mi hanno aiutato O_/
Avatar utente
Foto Utentedario85
15 3
 
Messaggi: 23
Iscritto il: 27 set 2012, 23:29

0
voti

[37] Re: Segnale tv bassa qualità

Messaggioda Foto Utentedario85 » 4 ott 2012, 19:09

mir ha scritto: premesso che non ho trovato info sul modello che hai indicato


Ho trovato su internet la foto di un amplificatore uguale al mio:
2irumgw.jpg
ecco il modello!
2irumgw.jpg (73.45 KiB) Osservato 9774 volte


Ricordando il fatto dei 110dbmV in uscita dall'amplificatore, va bene la configurazione dell'impianto fatta da me in precedenza?
Avatar utente
Foto Utentedario85
15 3
 
Messaggi: 23
Iscritto il: 27 set 2012, 23:29

0
voti

[38] Re: Segnale tv bassa qualità

Messaggioda Foto Utentefran66 » 7 ott 2012, 16:53

Il decoder o il tv DTT ha bisogno minimo di 50 db microvolt per funzionare , con un MER maggiore di 24 db .Chiaramente se non hai un misuratore di campo digitale per il DVB T- sono misure che non puoi fare !
Un livello di uscita troppo elevato potrebbe portare alla saturazione del centralino con decadimento di BER - MER - C/n e rendere intelleggibile il segnale video digitale demodulato prima del correttore Viterbi bber-

Da buon antennista ho come riferimento la mia bibbia
http://www.dgtvi.it/upload/1286542440.pdf,, ma è un brutto mestiere !

per il garage non puoi collegare la presa sulla uscita della colonna montante ! Sull'uscita del cad 14 Freccia in giu devi inserire un CAD 11 e derivarti la presa per il garage ...chiaramente chiudi il CAD 11 con CR 75 !

qui trovi tutti gli schemi di impianti !

http://www.fracarro.it/index.php?option ... Itemid=278

spero ti sia stato d'aiuto ...ma molte cose sul forum non riesco a spiegarle bene !!
Sui grandi impianti TV all'uscita del centralino Tv collego il generatore di rumore e mi misura tutti i problemi della rete di distribuzione ,,i cortocircuiti ..i disattamenti di impedenza ,,riesco a individuare cavi strozzati , schiacciati ...cavi con pessima qualita' bassa schermatura...cavi tv che sono posati nelle canaline con i cavi elettrici !!Trovi di tutto ....e il problema che il segnale del DTT --digit terrestre ...fa lo schizzinoso !!
Preferisce passare in cavi Tv di classe A+ ,in partitori e derivatori in alluminio pressofusione ....e spera che la rete di distribuzione sia stata progettata e collaudata a regola d'arte ! O_/

un valido compagno di battaglia per risolvere i problemi de DTT.
http://www.televes.com/sites/default/fi ... 001_it.pdf
Avatar utente
Foto Utentefran66
45 1 3
New entry
New entry
 
Messaggi: 86
Iscritto il: 7 lug 2012, 19:10
Località: bari provincia a sud

0
voti

[39] Re: Segnale tv bassa qualità

Messaggioda Foto Utentedario85 » 7 ott 2012, 23:57

fran66 ha scritto:per il garage non puoi collegare la presa sulla uscita della colonna montante ! Sull'uscita del cad 14 Freccia in giu devi inserire un CAD 11 e derivarti la presa per il garage ...


purtroppo il garage si deve collegare da lì(come è rappresentato nello schema), non posso collegarlo dal primo piano per vari motivi! Ne avevo già parlato nei post precedenti...

Grazie lo stesso comunque :-)
Avatar utente
Foto Utentedario85
15 3
 
Messaggi: 23
Iscritto il: 27 set 2012, 23:29

0
voti

[40] Re: Segnale tv bassa qualità

Messaggioda Foto Utentefran66 » 11 ott 2012, 17:04

inserisci un CAD 11 sotto il centralino e crea una uscita derivata che tranquillamente puoi mandare nel garage ....e cosi' risolvi il problema !!
Avatar utente
Foto Utentefran66
45 1 3
New entry
New entry
 
Messaggi: 86
Iscritto il: 7 lug 2012, 19:10
Località: bari provincia a sud

PrecedenteProssimo

Torna a Telecomunicazioni

Chi c’è in linea

Visitano il forum: Nessuno e 12 ospiti