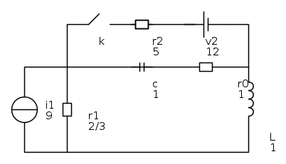
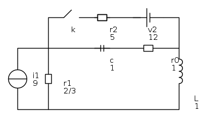
t=0s, in cui si ha la chiusura dell’interruttore K.
risultato atteso:
vr1= 2,169e^(-0.8333*t) *cos(0,5t +3,361)+ 3,882V
per t<0 interruttore aperto la maglia di sopra scompare e trovo che la tensione sul condensatore vc(0) = 6
mentre la il(0)=0
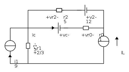
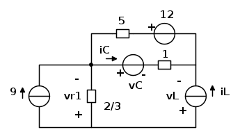
per t<0 se volessi usare il metodo delle equazioni di stato per risolvere quando sostituisco applicando il teorema di sostituzione ottengo:
l'quazioni che trovo sono queste ( sicuramente sbagliate ) visto che non mi risulta:


anzi mi viene una frequenza naturale positiva
con il metodo di laplace invece trovo la soluzione ma io vorrei risolvere con questo metodo
qualcuno che mi da una manina?? XD

Elettrotecnica e non solo (admin)
Un gatto tra gli elettroni (IsidoroKZ)
Esperienza e simulazioni (g.schgor)
Moleskine di un idraulico (RenzoDF)
Il Blog di ElectroYou (webmaster)
Idee microcontrollate (TardoFreak)
PICcoli grandi PICMicro (Paolino)
Il blog elettrico di carloc (carloc)
DirtEYblooog (dirtydeeds)
Di tutto... un po' (jordan20)
AK47 (lillo)
Esperienze elettroniche (marco438)
Telecomunicazioni musicali (clavicordo)
Automazione ed Elettronica (gustavo)
Direttive per la sicurezza (ErnestoCappelletti)
EYnfo dall'Alaska (mir)
Apriamo il quadro! (attilio)
H7-25 (asdf)
Passione Elettrica (massimob)
Elettroni a spasso (guidob)
Bloguerra (guerra)













![\det [\lambda I-A]=\det \left[ \begin{matrix}
\lambda +\frac{3}{2} & -\frac{5}{6} \\
\frac{5}{6} & \lambda +\frac{1}{6} \\
\end{matrix} \right]=0\quad \lambda =-\frac{5}{6}\pm j\frac{1}{6} \det [\lambda I-A]=\det \left[ \begin{matrix}
\lambda +\frac{3}{2} & -\frac{5}{6} \\
\frac{5}{6} & \lambda +\frac{1}{6} \\
\end{matrix} \right]=0\quad \lambda =-\frac{5}{6}\pm j\frac{1}{6}](/forum/latexrender/pictures/10ccbbfad04f43a74b94d3dc4bf704d1.png)




![{{v}_{r1}}(t)=\frac{8}{17}{{e}^{-\frac{5}{6}t}}\left[ \sin \left( \frac{t}{2} \right)-4\cos \left( \frac{t}{2} \right) \right]-\frac{66}{17} {{v}_{r1}}(t)=\frac{8}{17}{{e}^{-\frac{5}{6}t}}\left[ \sin \left( \frac{t}{2} \right)-4\cos \left( \frac{t}{2} \right) \right]-\frac{66}{17}](/forum/latexrender/pictures/60258cf982be247b75f621c59753ca30.png)



