Cos'è ElectroYou | Login Iscriviti

ElectroYou - la comunità dei professionisti del mondo elettrico

montaggio teleavviamento di un motore asincrono trifase

Trasformatori, macchine rotanti ed azionamenti

Moderatori: Foto UtenteSandroCalligaro, Foto Utentemario_maggi, Foto Utentefpalone

-1
voti

[1] montaggio teleavviamento di un motore asincrono trifase

Messaggioda Foto Utentelavolpe84 » 13 ott 2012, 19:01

salve a tutti, mi servirebbero delle "dritte" per il montaggio di un teleavviamento di un motore asincrono, per ora ho fatto solo passare tre conduttori nei fusibili e poi per gli ingressi 1, 3 , 5 dell teleruttore collegato al termico e poi che passano per la morsettiera dove andrà collegato il motore. poi devo far passare quei tre fili che escono dal fusibile e farli passare per il temporizzatore' correggetemi se sbaglio, poi per gli interruttori e per i led. grazie spero possiate aiutarmi.
Avatar utente
Foto Utentelavolpe84
6 4
 
Messaggi: 46
Iscritto il: 19 mar 2012, 16:53

0
voti

[2] Re: montaggio teleavviamento di un motore asincrono trifase

Messaggioda Foto UtenteGuerra » 13 ott 2012, 19:08

Se fai uno schema in fidocaj, chi vorrà aiutarti sarà più facilitato nel comprendere ciò che ahi intenzione di fare.
"Le domande non sono mai indiscrete. Le risposte lo sono a volte"
Per qualche dollaro in più
Avatar utente
Foto UtenteGuerra
34,9k 7 11 13
G.Master EY
G.Master EY
 
Messaggi: 4790
Iscritto il: 14 apr 2010, 16:38

0
voti

[3] Re: montaggio teleavviamento di un motore asincrono trifase

Messaggioda Foto Utenteattilio » 13 ott 2012, 19:40

poi devo far passare quei tre fili che escono dal fusibile e farli passare per il temporizzatore

:shock:
Ma non erano già "usciti dal fusibile" quei fili?
Ognuno sta solo sul cuor della terra
trafitto da un raggio di sole:
ed è subito sera


Salvatore Quasimodo
Avatar utente
Foto Utenteattilio
61,4k 8 12 13
free expert
 
Messaggi: 9167
Iscritto il: 21 gen 2007, 14:34

1
voti

[4] Re: montaggio teleavviamento di un motore asincrono trifase

Messaggioda Foto UtenteGuerra » 13 ott 2012, 19:44

I fusibili sono il centro del cosmo: tutto esce da loro.
Credo intenda i fili che entrano nei fusibili e che escono dal temporizzatore e ... un po' contorto.
"Le domande non sono mai indiscrete. Le risposte lo sono a volte"
Per qualche dollaro in più
Avatar utente
Foto UtenteGuerra
34,9k 7 11 13
G.Master EY
G.Master EY
 
Messaggi: 4790
Iscritto il: 14 apr 2010, 16:38

1
voti

[5] Re: montaggio teleavviamento di un motore asincrono trifase

Messaggioda Foto Utentemir » 13 ott 2012, 21:14

lavolpe84 ha scritto:salve a tutti, mi servirebbero delle "dritte" per il montaggio di un teleavviamento di un motore asincrono...

salve Foto Utentelavolpe84,una "dritta" corretta è quella di chiamare un elettricista per il corretto cabalaggio ed installazione dei componenti che realizzeranno poi il teleavviamento del motore asincrono in questione,soprattutto perché per scegliere i giusti componenti dovrà avere le giuste informazioni, fra le quali la tipologia di tensione in gioco, e le caratteristiche di potenza,ed assorbimento del motore e non ultimo il tipo di applicazione dello stesso o meglio il suo utilizzo, insomma una serie di informazioni che non possono mancare per realizzare un corretto teleavviamento di un motore asincrono.
Non ultima e più importante considerazione deve essere fatta per quanto concerne l'aspetto relativo alla sicurezza sia per chi dovrà realizzare il circuito (la presenza della tensione di rete monofase o trifase introduce il fattore rischio elettrico che non fa sconti a nessuno) sia per il lavoro che dovrà svolgere il motore nei confronti di altri operatori per i quali potrebbero essere necessari dei presidi di sicurezza che dovranno bloccarlo qualora si avverta un rischio per chi opera sulla macchina o impianto dove il motore verrà installato.
non volermene ma mi è sembrato di capire da quanto hai scritto (ammesso che non mi sia sbagliato) che non hai molta conoscenza nel campo, da qui questa premessa per dire che se non si hanno le giuste conoscenze/competenze ai fini della sicurezza propria e di altrui persone è consigliabile interpellare personale qualificato che saprà valutare e realizzare quanto necessario al comando del dispositivo.
Avatar utente
Foto Utentemir
66,0k 9 12 13
G.Master EY
G.Master EY
 
Messaggi: 21870
Iscritto il: 19 ago 2004, 21:10

0
voti

[6] Re: montaggio teleavviamento di un motore asincrono trifase

Messaggioda Foto Utentelavolpe84 » 15 ott 2012, 8:23

salve mir, devo fare l'impianto x scuola, e il prof ci ha dato lo schema e dobbiamo montarlo, per cui mi servirebbe un aiuto appunto per capire meglio come effettiare il montaggio. grazie
Avatar utente
Foto Utentelavolpe84
6 4
 
Messaggi: 46
Iscritto il: 19 mar 2012, 16:53

0
voti

[7] Re: montaggio teleavviamento di un motore asincrono trifase

Messaggioda Foto Utentemir » 15 ott 2012, 12:15

lavolpe84 ha scritto:devo fare l'impianto x scuola, e il prof ci ha dato lo schema e dobbiamo montarlo,..

bene, quindi si tratta di una realizzazione didattica, o meglio la realizzazione di quanto prevede un' esperienza di laboratorio di impianti elettrici (spero di non aver sbagliato materia).
Allora volendo fare il punto della situazione si può dire che:
a - lo schema elettrico c'è
b - i componenti si conoscono e sono disponibili
d - c'è anche il supporto di un Prof.
pertanto cosa si vuole di più dalla vita ? ..... :mrgreen:
Il mio consiglio è quello di vedere/seguire lo svolgimento di tutto il lavoro con la collaborazione del Professore che saprà darti sicuramente un supporto migliore del mio, e nell'eventualità si hanno dei dubbi si può prima ancora andarsi a ripassare l'argomento sul libro di testo sul quale ci si può sempre contare ed in ogni istante . ;-)
Questo non perché non ti voglia dare un mano, solo perché credo sia la cosa migliore; se poi decidi di voler avere anche il supporto didattico del forum, beh .. la scelta è tua, in tal caso dovresti dapprima postare lo schema elettrico del circuito senza il quale è difficile seguire ogni tipo di realizzazione, e mi raccomando lo schema va postato/realizzato esclusivamente con fidocadj software messo a disposizione nel forum trovi tutte le info necessarie alla voce Help del menu a tendina in alto.
Avatar utente
Foto Utentemir
66,0k 9 12 13
G.Master EY
G.Master EY
 
Messaggi: 21870
Iscritto il: 19 ago 2004, 21:10

0
voti

[8] Re: montaggio teleavviamento di un motore asincrono trifase

Messaggioda Foto Utenteattilio » 15 ott 2012, 13:32

il prof ci ha dato lo schema e dobbiamo montarlo

Ottimo!
Lo schema c' è! A questo punto hai due possibilità:

1- Lo schema è corretto, ti limiti a cablare i componenti secondo quanto stabilito ed Amen.

2- Lo schema è sbagliato, trovi gli errori, apporti le dovute correzioni e ripresenti tutto al professore con tanto di motivazioni. Un bel voto non te lo toglie nessuno!

(3- Ti siedi a tavolino col professore e gli chiedi delucidazioni sullo schema e in particolare su quello che non hai capito)
(4- Aspetti che qualcuno sul forum ti dia la soluzione bella e pronta)

Nota: Se rientri in 3 e 4 (non previste all' origine) ti consiglio di seguire la 3. La scuola infatti è fatta per imparare, anche i forum lo sono, ma avendone tu la possibilità perché non sfruttarla. Quello imparato (capito!) a scuola, non lo dimentichi più. Un indicazione specifica per un problema specifico, data su un forum, potrebbe lascare immutate alcune lacune.

Saluti
Ognuno sta solo sul cuor della terra
trafitto da un raggio di sole:
ed è subito sera


Salvatore Quasimodo
Avatar utente
Foto Utenteattilio
61,4k 8 12 13
free expert
 
Messaggi: 9167
Iscritto il: 21 gen 2007, 14:34

0
voti

[9] Re: montaggio teleavviamento di un motore asincrono trifase

Messaggioda Foto Utentelavolpe84 » 15 ott 2012, 18:36

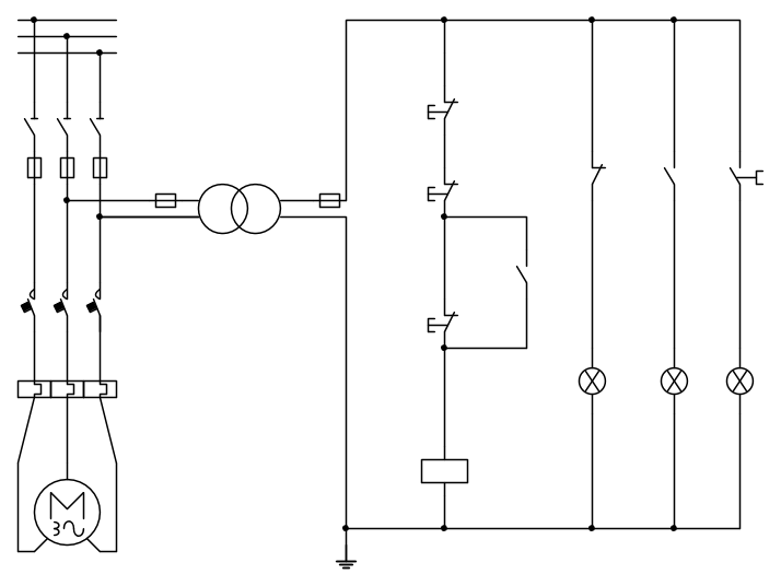
salve questo è lo schema, correggetemi se sbaglio qualche passaggio per il montaggio. Dal quadro di alimentazione faccio partire le tre fasi che passano per i fusibili ed vanno al teleruttore dove vi è collegato il termico, e all'uscita del termico li porto a una morsettiera dove sarà collegato il motore, poi siccome per il funzionamento degli interruttori di avviamento e arresto e le lampade mi occorre la tensione a 24 V, quindi prendo i conduttori li faccio passare per gli interruttori e per le lampade e poi per il temporizzatore e li collego all'entrate del teleruttore. poiché non sono affatto sicuro del procedimento, se per cortesia potete spiegarmi bene come collegare in modo opportuno tra loro i componenti. grazie mille
Avatar utente
Foto Utentelavolpe84
6 4
 
Messaggi: 46
Iscritto il: 19 mar 2012, 16:53

0
voti

[10] Re: montaggio teleavviamento di un motore asincrono trifase

Messaggioda Foto Utenteperotmichel » 15 ott 2012, 18:47

ciao, con la linea del 24 V è necessario fare la serie dei diversi contatti per l'avviamento, ma non c'è alcun temporizzatore, quel rettangolo in basso è la bobina del teleruttore
Avatar utente
Foto Utenteperotmichel
16 3
 
Messaggi: 33
Iscritto il: 15 ott 2012, 15:56

Prossimo

Torna a Macchine elettriche

Chi c’è in linea

Visitano il forum: Nessuno e 5 ospiti