montaggio teleavviamento di un motore asincrono trifase
Moderatori:
SandroCalligaro,
mario_maggi,
fpalone
32 messaggi
• Pagina 2 di 4 • 1, 2, 3, 4
0
voti
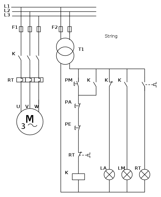
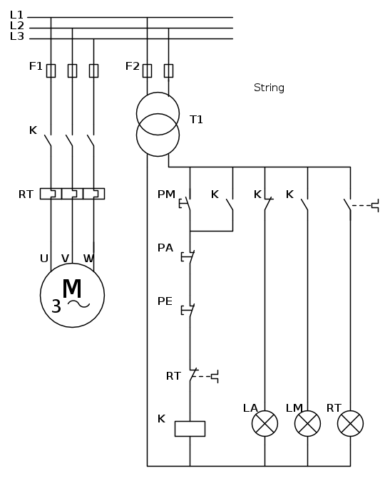
partiamo dal cicuito ausiliario, dall'uscita della fase 24 V ti colleghi al pulsante di emergenza, esci dal pulsante di emergenza e colleghi al pulsante di stop, che non melmente è rosso, dall'uscita dello stop rosso fai partire 2 fili, uno va al pulsante di avvio, che nel disegno è sbagliato perché deve essere un contatto NO, e l'altro va al contatto NO del teleruttore; le uscite dei 2 contatti vanno alla bobina del teleruttore
-

perotmichel
16 3 - Messaggi: 33
- Iscritto il: 15 ott 2012, 15:56
0
voti
il secondo ramo del circuito ausiliario si collega: prendi la fase del 24 V colleghi al contatto NC del teleruttore esci dal contatto e vai alla lampada di segnale spento. il terzo ramo: prendi la fase del 24 v e la colleghi al contatto NO del teleruttore esci dal contatto e vai alla lampada di segnale acceso. il quarto ramo: prendi la fase del 24 V la colleghi al contatto NO dell'interruttore termico, esci dal contatto e vai alla lampada del segnale di guasto
-

perotmichel
16 3 - Messaggi: 33
- Iscritto il: 15 ott 2012, 15:56
0
voti
Partiamo dal presupposto che sarebbe una buona idea inserire dei riferimenti sullo schema, quantomeno per identificare i contatti.
Lo schema degli ausiliari è comunque sbagliato, infatti appensa si chiude il cassetto portafusibili il motore parte istantaneamente.
Trova l' errore...
PS:
perotmichel non è propriamente corretto utilizzare la dizione "fase" per uno dei poli di uscita di un trasformatore di sicurezza.
Lo schema degli ausiliari è comunque sbagliato, infatti appensa si chiude il cassetto portafusibili il motore parte istantaneamente.
Trova l' errore...
PS:
Ognuno sta solo sul cuor della terra
trafitto da un raggio di sole:
ed è subito sera
Salvatore Quasimodo
trafitto da un raggio di sole:
ed è subito sera
Salvatore Quasimodo
0
voti
il contatto del 2 ramo degli ausiliari deve essere aperto e non chiuso così si avvia quando si preme il pulsante di avvio
-

perotmichel
16 3 - Messaggi: 33
- Iscritto il: 15 ott 2012, 15:56
0
voti
il contatto del 2 ramo degli ausiliari deve essere aperto
Se mette le indicazioni sui pulsanti e sui contatti forse riesce a capirci qualcosa, sul "secondo ramo" come lo chiami tu ha tre contatti N.C. ma solo uno dei tre deve essere N.O. (ma non uno a piacere
Edit: Poi, dei due pulsanti N.C. presumo che il primo sia il contatto del fungo di emergenza, in questo caso va adoperata la corretta simbologia.
Non vedo il contatto N.C. del termico (nella catena dei comandi), vedo solo il contatto N.O. collagato alla spia "scatto termico", questo mi fa supporre che non sia un relè termico ma un interruttore automatico (salvamotore) è così?
Ognuno sta solo sul cuor della terra
trafitto da un raggio di sole:
ed è subito sera
Salvatore Quasimodo
trafitto da un raggio di sole:
ed è subito sera
Salvatore Quasimodo
0
voti
effettivamente senza riferimenti non si riesce a spiegare. intendevo dire che il contatto sbagliato è quello in parallelo con il segno del pulsante che deve essere aperto invece di chiuso
-

perotmichel
16 3 - Messaggi: 33
- Iscritto il: 15 ott 2012, 15:56
0
voti
ha ragione
attilio, lo schema senza riferimenti non è di alcuna utilità, pertanto inserisci nello schema i riferimenti utilizzando lettere a second adella funzione del componente e questo vale per tutti rispettando dove è necessario le simbologie del disegno tecnico.
quello che non mi è chiaro cosa sia l'ultima lampada a destra dello schema (vedi se c'era il simbolo sarei stato immediatamente preciso ad indicarti quale lampada) con il contatto di un selettore ....
quello che non mi è chiaro cosa sia l'ultima lampada a destra dello schema (vedi se c'era il simbolo sarei stato immediatamente preciso ad indicarti quale lampada) con il contatto di un selettore ....
0
voti
quello che non mi è chiaro cosa sia l'ultima lampada a destra dello schema
Penso volesse indicare in contatto N.O. di segnalazione del termico. Però non è il simbolo corretto.
Ognuno sta solo sul cuor della terra
trafitto da un raggio di sole:
ed è subito sera
Salvatore Quasimodo
trafitto da un raggio di sole:
ed è subito sera
Salvatore Quasimodo
1
voti
ora il significato delle lettere è intuitivo e semplice, non ti resta che interpretare lo schema e dirci cosa non ti è chiaro, per
NB.
nello schema non è rappresentato ma sul circuito di potenza il conduttore di protezione non deve mancare anzi nella fase di cablaggio deve essere il primo ad essere collegato.
0
voti
Edit, mi hai anticipato oppure ho visto male io, ma prima il contatto di segnalazione di RT scattato era stato erroneamente disegnato come N.C. ora è tutto ok!

Ognuno sta solo sul cuor della terra
trafitto da un raggio di sole:
ed è subito sera
Salvatore Quasimodo
trafitto da un raggio di sole:
ed è subito sera
Salvatore Quasimodo
32 messaggi
• Pagina 2 di 4 • 1, 2, 3, 4
Chi c’è in linea
Visitano il forum: Nessuno e 10 ospiti

Elettrotecnica e non solo (admin)
Un gatto tra gli elettroni (IsidoroKZ)
Esperienza e simulazioni (g.schgor)
Moleskine di un idraulico (RenzoDF)
Il Blog di ElectroYou (webmaster)
Idee microcontrollate (TardoFreak)
PICcoli grandi PICMicro (Paolino)
Il blog elettrico di carloc (carloc)
DirtEYblooog (dirtydeeds)
Di tutto... un po' (jordan20)
AK47 (lillo)
Esperienze elettroniche (marco438)
Telecomunicazioni musicali (clavicordo)
Automazione ed Elettronica (gustavo)
Direttive per la sicurezza (ErnestoCappelletti)
EYnfo dall'Alaska (mir)
Apriamo il quadro! (attilio)
H7-25 (asdf)
Passione Elettrica (massimob)
Elettroni a spasso (guidob)
Bloguerra (guerra)




