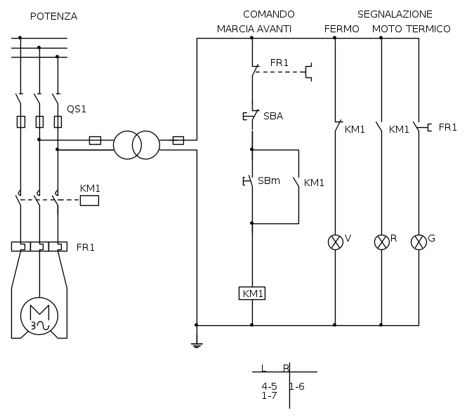
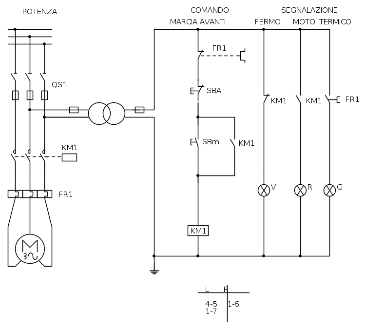
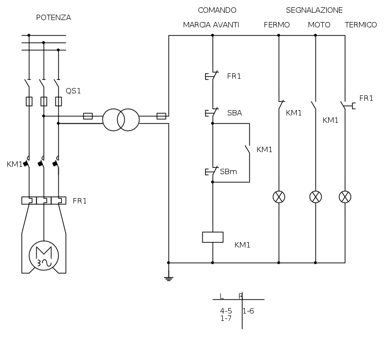
Attilio ha scritto:io un fusibile sul secondario del trasformatore glielo metterei.
Concordo, e anche il riferimento sul contatto ausiliario del termico che accende la lampada...
Saluti
Pepito
Moderatori:
SandroCalligaro,
mario_maggi,
fpalone
Attilio ha scritto:io un fusibile sul secondario del trasformatore glielo metterei.


Attilio ha scritto:mir, io un fusibile sul secondario del trasformatore glielo metterei.
Pepito ha scritto:Concordo, e anche il riferimento sul contatto ausiliario del termico che accende la lampada...
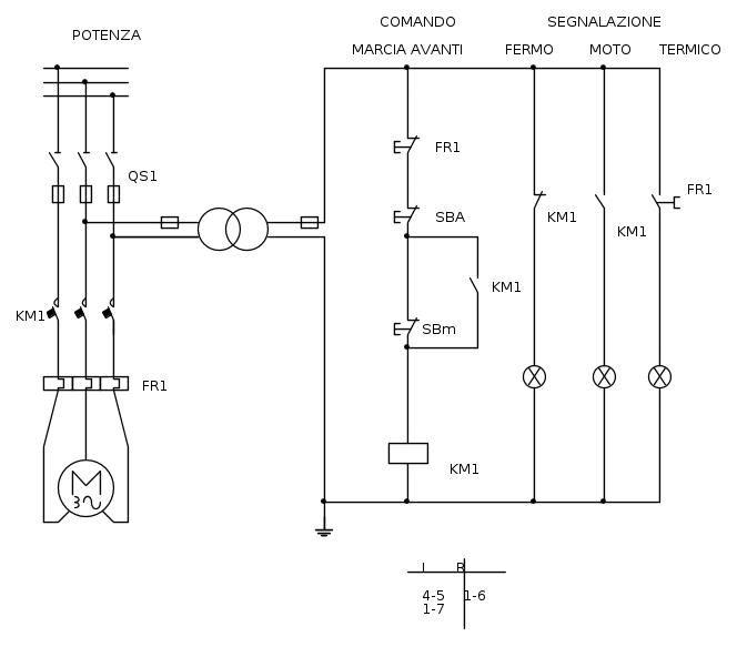
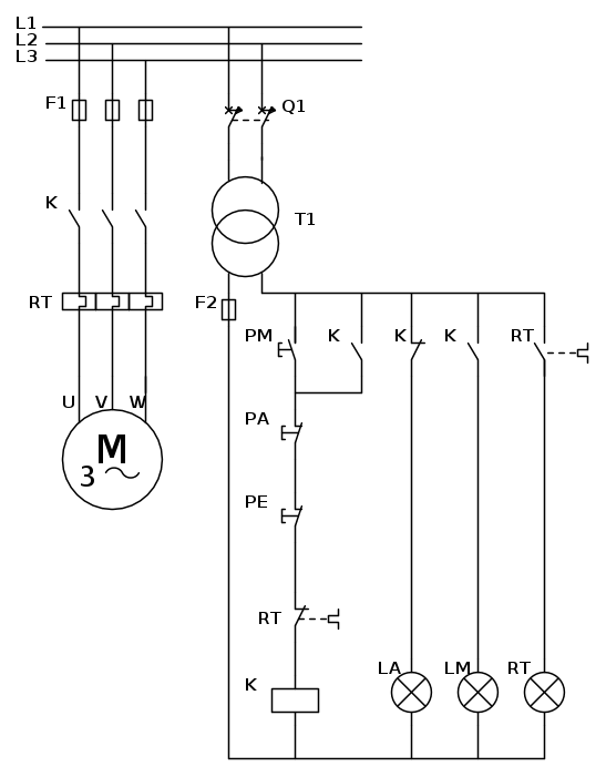
lavolpe84 ha scritto:QUESTO è LO SCHEMA IN MIO POSSESSO CHE DOMANI DOVREI MONTARE E CABLARE.
Forse non hai aspettato che intervenisse FR1, in caso contrario controlla i collegamenti - La segnalazione dovrebbe funzionare quando interviene FR1: Il contatto NC apre, (il motore si ferma) FR1 chiude il contatto N.O e accende la lampada intervento del termico.solo la lampada del termico simulando un sovraccarico dovrebbe accendersi invece niente. Il cablaggio e i collegamenti, sono fatto bene li ho ricontrollati ma non va.


lavolpe84 ha scritto:col tester ho verificato la continuetà della lampada ed è nella norma. potete dirmi secondo oi da cosa puo dipendere?
lavolpe84 ha scritto:il cablagio e i collegamenti. sono fatto bene li ho rocontrollati ....
lavolpe84 ha scritto:potrebbe anche essere ...
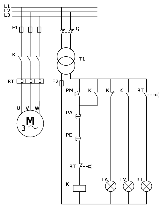
mir ha scritto:e va bene, vi accontento ..
Visitano il forum: Nessuno e 44 ospiti