Cos'è ElectroYou | Login Iscriviti

ElectroYou - la comunità dei professionisti del mondo elettrico

Risoluzione Thevenin con generatore Pilotato.

Circuiti, campi elettromagnetici e teoria delle linee di trasmissione e distribuzione dell’energia elettrica

Moderatori: Foto Utenteg.schgor, Foto UtenteIsidoroKZ

0
voti

[21] Re: Risoluzione Thevenin con generatore Pilotato.

Messaggioda Foto Utenteadmin » 16 ott 2012, 13:10

Nell'articolo che ti avevo linkato e che per te non era così tanto esaustivo, i simboli ci sono in una tabella che, almeno quella, avrebbe dovuto apparirti più esaustiva dei tuoi appunti.
Che sia pilotato dalla i2 nessuno lo nega: se sia un generatore di corrente o di tensione non si è ancora capito.
Se è un generatore di corrente, non c'è alcun bisogno di calcolare la corrente i3 che è quella del generatore di corrente cambiata di segno, visti i versi indicati, cioè i_3=-r_{23}i_2
I simboli in FJ dei generatori pilotati non ci sono, ma non è difficie disegnarlo con una manciata di linee: basta sapere quale simbolo si vuole disegnare.
Avatar utente
Foto Utenteadmin
196,6k 9 12 17
Manager
Manager
 
Messaggi: 11951
Iscritto il: 6 ago 2004, 13:14

-1
voti

[22] Re: Risoluzione Thevenin con generatore Pilotato.

Messaggioda Foto Utentemare009 » 16 ott 2012, 14:53

Solo in questo caso ti posso linkare la foto del circuito che ho?
L'articolo per me non è esaustivo perché non si capisce nulla di come risolvere gli esercizi escluso quei due casi particolari. Quindi chiudiamo la diatriba su quell'articolo.
Scusa ma quindi credi che il mio Prof. (universitario) di Elettrotecnica mi abbia dato esercizi sbagliati o che non possono essere interpretati?
Non capisco, quindi posso postarti la foto dell'esercizio?
All'interno del generatore c'è un + su e un - sotto. comunque credo, rivisto anche l'articolo, che se la legge che lo governa è r32*i2 deve essere per forza un generatore di tensione controllato in corrente E=R*i.
Concordi????
Avatar utente
Foto Utentemare009
-10 4
 
Messaggi: 38
Iscritto il: 15 ott 2012, 15:03

0
voti

[23] Re: Risoluzione Thevenin con generatore Pilotato.

Messaggioda Foto Utenteadmin » 16 ott 2012, 15:11

mare009 ha scritto:Concordi????

NO.
Se lo ritieni un generatore di tensione la tua formula n. 3, come già scritto, è un'assurdità dimensionale

mare009 ha scritto:Solo in questo caso ti posso linkare la foto del circuito che ho?


E che interesse possono avere?
Stiamo discutendo su tuoi disegni e su tue formule: possibile che tu non riesca a copiare lo schema che hai ed a riportare parola per parola quello che chiede senza fare confusione?
Avatar utente
Foto Utenteadmin
196,6k 9 12 17
Manager
Manager
 
Messaggi: 11951
Iscritto il: 6 ago 2004, 13:14

0
voti

[24] Re: Risoluzione Thevenin con generatore Pilotato.

Messaggioda Foto Utentemare009 » 16 ott 2012, 15:20

Sono stato mal interpretato, sto cercando in tutti i modi di riportare lo schema che io ho senza far errori.
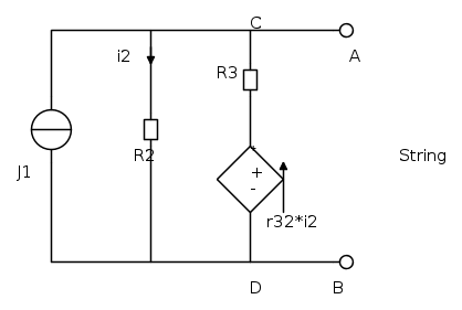
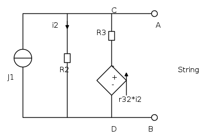
L'esercizio è :
Con riferimento al bipolo lineare a-dinamico in figura, si determini l'equivalente di Norton ai morsetti A-B


Dati
R3=10 \, \text{k} \Omega R2=20 \, \text{k} \, \Omega r32=10 \, \text{k} \Omega
J1=10 \, \text{mA}

P.S. comunque se la legge che regola il generatore pilotato e del tipo r32*i2 non è per forza un generatore di tensione pilotato in corrente?
Ultima modifica di Foto Utenteadmin il 16 ott 2012, 15:46, modificato 1 volta in totale.
Motivazione: corretta la scrittura LaTX delle unità di misura
Avatar utente
Foto Utentemare009
-10 4
 
Messaggi: 38
Iscritto il: 15 ott 2012, 15:03

1
voti

[25] Re: Risoluzione Thevenin con generatore Pilotato.

Messaggioda Foto Utentematteo375 » 16 ott 2012, 15:28

P.S. comunque se la legge che regola il generatore pilotato e del tipo r32*i2 non è per forza un generatore di tensione pilotato in corrente?


Assolutamente no! potrebbe essere anche un generatore di corrente pilotato in corrente, se r32 fosse un numero adimensionale. Non è tutto scontato come pensi tu, bisogna essere chiari e precisi

Sono stato mal interpretato


E in cosa? Tu hai sommato una corrente ad una tensione! Lo capisci che è un errore?
Avatar utente
Foto Utentematteo375
340 3 6
Expert
Expert
 
Messaggi: 150
Iscritto il: 12 giu 2012, 19:21

0
voti

[26] Re: Risoluzione Thevenin con generatore Pilotato.

Messaggioda Foto Utenteadmin » 16 ott 2012, 15:42

mare009 ha scritto:[..]

P.S. comunque se la legge che regola il generatore pilotato e del tipo r32*i2 non è per forza un generatore di tensione pilotato in corrente?


Ora che hai messo che r23 sono ohm, (cosa che non avevi specificato in precedenza), sì.
Allora per la terza volta mia, cui si aggiunge quella di Foto Utentematteo375:
la tua equazione n. 3 è un'assurdità dimensionale!
Avatar utente
Foto Utenteadmin
196,6k 9 12 17
Manager
Manager
 
Messaggi: 11951
Iscritto il: 6 ago 2004, 13:14

-1
voti

[27] Re: Risoluzione Thevenin con generatore Pilotato.

Messaggioda Foto Utentemare009 » 16 ott 2012, 15:53

Capito dell'assurdità (devo dire già qualche commento fa) del punto 3. Come devo fare per risolvere questo famosissimo circuito?
Escludendo il passaggio 3 è giusto il mio ragionamento,altrimenti mi puoi aiutare a procedere nella giusta direzione per la risoluzione dell'esercizio.
Ho capito il mio errore ma come devo rimediare?
Come si ragiona per risolvere questi esercizi?
In cosa sbaglio (tranne il terzo punto)?
Cosa devo fare?
Come devo ragionare?
Si è capito che sono la persona meno precisa della terra e che no so scrivere gli esercizi, ma vi prego aiutatemi semmai seguendo l'ultimo circuito postato.
Grazie mille per la pazienza.
Avatar utente
Foto Utentemare009
-10 4
 
Messaggi: 38
Iscritto il: 15 ott 2012, 15:03

0
voti

[28] Re: Risoluzione Thevenin con generatore Pilotato.

Messaggioda Foto Utentematteo375 » 16 ott 2012, 15:58

Il tuo ragionamento invece, errori a parte, è quello corretto: non ci vuole niente di trascendentale.
Metti il tuo generatore di prova, calcola le varie correnti, con calma e precisione ed alla fine fai il rapporto V/I : basta, non devi fare altro. Non prenderla così male, è solo un circuito
Avatar utente
Foto Utentematteo375
340 3 6
Expert
Expert
 
Messaggi: 150
Iscritto il: 12 giu 2012, 19:21

1
voti

[29] Re: Risoluzione Thevenin con generatore Pilotato.

Messaggioda Foto UtenteRenzoDF » 16 ott 2012, 15:59

mare009 ha scritto:...semmai seguendo l'ultimo circuito postato.

Dopo ben [25] post, il tuo schema in [25] è ancora incompleto e quindi irrisolvibile, manca il verso del GIC e c'è un'inutile "freccia" sul generatore dipendente. ;-)

Non mi dirai che il tuo Prof. (universitario) indica sul generatore comandato sia il + / - che la "freccia" nello schema originale. :-)

Io a dire il vero sarei proprio curioso di vedere la foto di codesto schema.
"Il circuito ha sempre ragione" (Luigi Malesani)
Avatar utente
Foto UtenteRenzoDF
55,9k 8 12 13
G.Master EY
G.Master EY
 
Messaggi: 13189
Iscritto il: 4 ott 2008, 9:55

0
voti

[30] Re: Risoluzione Thevenin con generatore Pilotato.

Messaggioda Foto Utentemare009 » 16 ott 2012, 16:06

Così è il mio schema. Ora lo posto con una foto. Non capisco cosa sbaglio ne disegnarvi il circuito e cosa vi serve per risolverlo.
Avatar utente
Foto Utentemare009
-10 4
 
Messaggi: 38
Iscritto il: 15 ott 2012, 15:03

PrecedenteProssimo

Torna a Elettrotecnica generale

Chi c’è in linea

Visitano il forum: Nessuno e 17 ospiti