Cos'è ElectroYou | Login Iscriviti

ElectroYou - la comunità dei professionisti del mondo elettrico

Risoluzione Thevenin con generatore Pilotato.

Circuiti, campi elettromagnetici e teoria delle linee di trasmissione e distribuzione dell’energia elettrica

Moderatori: Foto Utenteg.schgor, Foto UtenteIsidoroKZ

1
voti

[31] Re: Risoluzione Thevenin con generatore Pilotato.

Messaggioda Foto UtenteRenzoDF » 16 ott 2012, 16:07

mare009 ha scritto:... Non capisco cosa sbaglio ne disegnarvi il circuito e cosa vi serve per risolverlo.

Ma hai letto quello che ho scritto? :roll:

... io poi, in questo caso, non userei un GIC forzante esterno per determinare la resistenza equivalente, ma la calcolerei dal rapporto fra tensione a vuoto (ai morsetti A B) e la corrente di cortocircuito.

{{R}_{eq}}=\frac{{{V}_{AB0}}}{{{I}_{ABCC}}}
"Il circuito ha sempre ragione" (Luigi Malesani)
Avatar utente
Foto UtenteRenzoDF
55,9k 8 12 13
G.Master EY
G.Master EY
 
Messaggi: 13189
Iscritto il: 4 ott 2008, 9:55

-1
voti

[32] Re: Risoluzione Thevenin con generatore Pilotato.

Messaggioda Foto Utentemare009 » 16 ott 2012, 16:17

Grazie quindi come si fa secondo te mi espliciti i passaggi.
Grazie.
Avatar utente
Foto Utentemare009
-10 4
 
Messaggi: 38
Iscritto il: 15 ott 2012, 15:03

0
voti

[33] Re: Risoluzione Thevenin con generatore Pilotato.

Messaggioda Foto UtenteRenzoDF » 16 ott 2012, 16:19

mare009 ha scritto:... Grazie quindi come si fa secondo te mi espliciti i passaggi.

Mi stai prendendo in giro? :-)

E' NECESSARIO CONOSCERE IL VERSO DEL GIC ! :mrgreen:

e per mia sicurezza, ovvero per non perdere tempo, vorrei vedere LA FOTO :!:
"Il circuito ha sempre ragione" (Luigi Malesani)
Avatar utente
Foto UtenteRenzoDF
55,9k 8 12 13
G.Master EY
G.Master EY
 
Messaggi: 13189
Iscritto il: 4 ott 2008, 9:55

0
voti

[34] Re: Risoluzione Thevenin con generatore Pilotato.

Messaggioda Foto Utentemare009 » 16 ott 2012, 16:30

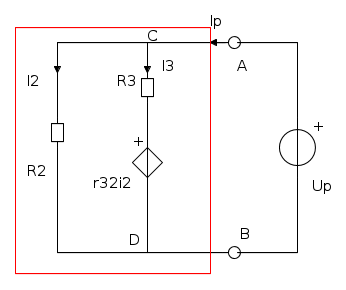
Allora ripartiamo da capo di questo esercizio che mi sto perdendo tra tutte queste risposte. in definitiva il circuito è

per gli scettici,

x.gif
x.gif (86.37 KiB) Osservato 4269 volte



[unparseable or potentially dangerous latex formula]

Dati:

R3=10 kOmega R2=20 kOmega r32=10 kOmega
J1=10 mAmpere

1.Spengo e sostituisco con circuito aperto il generatore ideale di corrente.
2.Applico il generatore di tensione da 1V ai morsetti A-B.
3. Calcolo la corrente tra A-B che chiamerò ix e sarà entrante nel nodo C (i3 è la corrente dove c'è il resistore 3)
4. Metto a terra il nodo D
5. Calcolo al nodo C le correnti quindi i3+ix=i2.

Fin qui ci siamo?
Ultima modifica di Foto Utentemare009 il 16 ott 2012, 16:34, modificato 1 volta in totale.
Avatar utente
Foto Utentemare009
-10 4
 
Messaggi: 38
Iscritto il: 15 ott 2012, 15:03

0
voti

[35] Re: Risoluzione Thevenin con generatore Pilotato.

Messaggioda Foto Utenteadmin » 16 ott 2012, 16:31

mare009 ha scritto:Come si ragiona per risolvere questi esercizi?

Non c'è un modo particolare di ragionare, né ci sono leggi e trucchi speciali per questi esercizi: bastano le leggi di Kirchhoff, oltre che conoscere correttamente le definizioni dei bipoli controllati e non.

Per il calcolo della resistenza del generatore equivalente, tolto il generatore ideale di corrente ed imponendo un generatore ideale di tensione di prova Up




\begin{array}{l}
{I_2} = \frac{{{U_P}}}{{{R_2}}}\\
{I_3} = \frac{{{U_P} - {r_{23}}{I_2}}}{{{R_3}}} = {U_P}\left( {\frac{1}{{{R_3}}} - \frac{{{r_{23}}}}{{{R_2}{R_3}}}} \right)\\
{I_P} = {I_2} + {I_3} = {U_P}\left( {\frac{1}{{{R_2}}} + \frac{1}{{{R_3}}} - \frac{{{r_{23}}}}{{{R_2}{R_3}}}} \right)\\
{R_{AB}} = \frac{{{U_P}}}{{{I_P}}} = \frac{1}{{\frac{1}{{{R_2}}} + \frac{1}{{{R_3}}} - \frac{{{r_{23}}}}{{{R_2}{R_3}}}}}
\end{array}
Avatar utente
Foto Utenteadmin
196,6k 9 12 17
Manager
Manager
 
Messaggi: 11950
Iscritto il: 6 ago 2004, 13:14

0
voti

[36] Re: Risoluzione Thevenin con generatore Pilotato.

Messaggioda Foto Utentemare009 » 16 ott 2012, 16:37

Ti Amo :oops: Admin. Finalmente mi metto, ragiono e cerco di capire i passaggi da te fatti... :ok:
Grazie mille. =D> =D> =D>
Semmai qualche domanda chiedo. Grazie mille e scusa per il tempo che ti ho fatto perdere.
Ultima modifica di Foto Utenteadmin il 16 ott 2012, 16:38, modificato 1 volta in totale.
Motivazione: eliminata citazione integrale del messaggio che precede. Usare il tasto Rispondi
Avatar utente
Foto Utentemare009
-10 4
 
Messaggi: 38
Iscritto il: 15 ott 2012, 15:03

1
voti

[37] Re: Risoluzione Thevenin con generatore Pilotato.

Messaggioda Foto UtenteRenzoDF » 16 ott 2012, 16:42

mare009 ha scritto:... per gli scettici,

a) ... per chi non legge

Lo vedi che c'è un verso sul GIC che non avevi indicato :!:

b) ... per lo stesore di quel problema

Quale è il significato di quella "freccia" a fianco del generatore dipendente :?: :D

c) A questo punto ci sono tutti gli elementi necessari per la soluzione; io come ti dicevo calcolerei la tensione a vuoto ai morsetti A B dalla seguente KCL

{{J}_{1}}=\frac{{{V}_{AB0}}}{{{R}_{2}}}+\frac{1}{{{R}_{3}}}\left( {{V}_{AB0}}-{{r}_{32}}\frac{{{V}_{AB0}}}{{{R}_{2}}} \right)

e la corrente di cortocircuito (sempre ai morsetti A B) dalla seguente

{{I}_{ABCC}}={{J}_{1}}

ed infine

{{R}_{eq}}=\frac{{{V}_{AB0}}}{{{I}_{ABCC}}}
"Il circuito ha sempre ragione" (Luigi Malesani)
Avatar utente
Foto UtenteRenzoDF
55,9k 8 12 13
G.Master EY
G.Master EY
 
Messaggi: 13189
Iscritto il: 4 ott 2008, 9:55

0
voti

[38] Re: Risoluzione Thevenin con generatore Pilotato.

Messaggioda Foto Utenteadmin » 16 ott 2012, 16:51

mare009 ha scritto:[..] Finalmente mi metto, ragiono e cerco di capire i passaggi da te fatti... :ok:
[..]

Lo puoi fare come esercizio. Ma ragiona anche sul successivo messaggio [37] di Foto UtenteRenzoDF: è più semplice e più veloce.
Avatar utente
Foto Utenteadmin
196,6k 9 12 17
Manager
Manager
 
Messaggi: 11950
Iscritto il: 6 ago 2004, 13:14

0
voti

[39] Re: Risoluzione Thevenin con generatore Pilotato.

Messaggioda Foto Utentemare009 » 16 ott 2012, 17:40

Non so perché ma credo ch e il tuo metodo sia più semplice.
Non riesco a capire il metodo di Foto UtenteRenzoDF.
Non riesco a capire il punto c cioè come viene applicata la leggi di K. delle correnti a quale nodo?
perché J1= Vab0/R2+1/R3(Vab0-r32(Vab0/R2 ))
Non riesco a capire perché la corrente di corto circuito è Iabcc=J1
perché non "spegne" il generatore ideale?
Ultima modifica di Foto Utenteadmin il 16 ott 2012, 17:49, modificato 1 volta in totale.
Motivazione: eliminata inutile citazione integrale del messaggio che precede. Esiste, per essere usato, il tasto rispondi.
Avatar utente
Foto Utentemare009
-10 4
 
Messaggi: 38
Iscritto il: 15 ott 2012, 15:03

1
voti

[40] Re: Risoluzione Thevenin con generatore Pilotato.

Messaggioda Foto UtenteRenzoDF » 16 ott 2012, 17:45

mare009 ha scritto:...Non riesco a capire il metodo di Foto UtenteRenzoDF...

Più che normale! ... non riesco mai a spiegare bene i miei strani metodi risolutivi.

mare009 ha scritto:...Non riesco a capire il punto c cioè come viene applicata la leggi di K. delle correnti a quale nodo?...

Ad uno qualsiasi dei due.

mare009 ha scritto:...perché J1= Vab0/R2+1/R3(Vab0-r32(Vab0/R2 ))...

perché Kirchhoff dice che la somma delle correnti entranti in un nodo è pari alla somma delle correnti uscenti.

mare009 ha scritto:...Non riesco a capire perché la corrente di corto circuito è Iabcc=J1...

Perché quando metto in corto i morsetti A e B, non circola corrente in R2 in quanto si annulla la tensione ai suoi morsetti e quindi I2=V2/R2=0/R2=0 e di conseguenza si annulla anche la forza elettromotrice del generatore comandato.

mare009 ha scritto:...perché non "spegne" il generatore ideale?...

Perché i generatori indipendenti si spengono solo quando si decide di usare un generatore forzante esterno.

BTW bello quel "perché non spegne" ... non sono "pericoloso" ... puoi anche chiedermelo direttamente :mrgreen:
"Il circuito ha sempre ragione" (Luigi Malesani)
Avatar utente
Foto UtenteRenzoDF
55,9k 8 12 13
G.Master EY
G.Master EY
 
Messaggi: 13189
Iscritto il: 4 ott 2008, 9:55

PrecedenteProssimo

Torna a Elettrotecnica generale

Chi c’è in linea

Visitano il forum: Nessuno e 17 ospiti