Anche prima di questo punto.
Ti sei mai chiesto il perché i simboli dei generatori ideali di tensione e corrente sono quelli che sono?
Perché nel generatore di tensione c'è la continuità tra i due terminali, mentre è interrotta in quello di corrente?
Risoluzione Thevenin con generatore Pilotato.
Moderatori:
g.schgor,
IsidoroKZ
0
voti
Ok giusto quindi ho sbagliato era in contrario?
Comunque l'ultimo schema postato è quello da cui partire?
Comunque l'ultimo schema postato è quello da cui partire?
0
voti
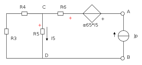
Qual è il valore di
?
Poi,
rappresenta la ddp del generatore indip. tensione in basso?
Infine, nel generatore dipendente in alto a destra, vedo
: quindi genera una tensione pari a
?
? Poi,
rappresenta la ddp del generatore indip. tensione in basso?Infine, nel generatore dipendente in alto a destra, vedo
: quindi genera una tensione pari a
?0
voti
Il valore di
non è specificato nell'esercizio. SI sarà dimenticato di metterlo il prof.
Quindi diciamo che
.
è il "valore" del generatore indipendente di tensione.
65 sono i pedici di
non è specificato nell'esercizio. SI sarà dimenticato di metterlo il prof. Quindi diciamo che
.
è il "valore" del generatore indipendente di tensione.
65 sono i pedici di

0
voti
0
voti
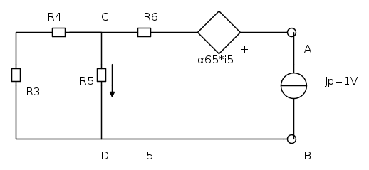
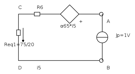
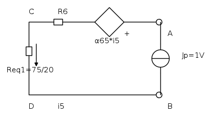
Faccio le semplificazioni dell caso sulle resistenze ed ottengo questo circuito
Non ho capito come va gestito l'
. Nel senso va solo moltiplicata per la corrente i5.
perché
è uguale a
.
va calcolata con il circuito non semplificato vero? Proviene dalla formula dei partitori di corrente? (Posso chiedere una spiegazione facile sui partitori, non riesco a capire come si applicano
)
Help!
Non ho capito come va gestito l'
. Nel senso va solo moltiplicata per la corrente i5.perché
è uguale a
.
va calcolata con il circuito non semplificato vero? Proviene dalla formula dei partitori di corrente? (Posso chiedere una spiegazione facile sui partitori, non riesco a capire come si applicano Help!
0
voti
E che semplificazioni avresti fatto rispetto allo schema precedente? Ma almeno lo hai visto? 
Per calcolare
basta la legge di Ohm: pensavo la conoscessi.

Partitori
Per calcolare
basta la legge di Ohm: pensavo la conoscessi.
Partitori
0
voti
Scusami ho postato un circuito per un altro di filocadj
Scusa mo io non capisco perché![Ur5/R5= Jp[(R3+R4)/(R3+R4+R5)] Ur5/R5= Jp[(R3+R4)/(R3+R4+R5)]](/forum/latexrender/pictures/196ec1dd81d6c70a6e77edb943329d5e.png)
Non capisco da dove viene fuori![[(R3+R4)/(R3+R4+R5)] [(R3+R4)/(R3+R4+R5)]](/forum/latexrender/pictures/d0c7f7ec5285a20f40cbac24883262de.png)
Scusa mo io non capisco perché
![Ur5/R5= Jp[(R3+R4)/(R3+R4+R5)] Ur5/R5= Jp[(R3+R4)/(R3+R4+R5)]](/forum/latexrender/pictures/196ec1dd81d6c70a6e77edb943329d5e.png)
Non capisco da dove viene fuori
![[(R3+R4)/(R3+R4+R5)] [(R3+R4)/(R3+R4+R5)]](/forum/latexrender/pictures/d0c7f7ec5285a20f40cbac24883262de.png)
Torna a Elettrotecnica generale
Chi c’è in linea
Visitano il forum: Nessuno e 28 ospiti

Elettrotecnica e non solo (admin)
Un gatto tra gli elettroni (IsidoroKZ)
Esperienza e simulazioni (g.schgor)
Moleskine di un idraulico (RenzoDF)
Il Blog di ElectroYou (webmaster)
Idee microcontrollate (TardoFreak)
PICcoli grandi PICMicro (Paolino)
Il blog elettrico di carloc (carloc)
DirtEYblooog (dirtydeeds)
Di tutto... un po' (jordan20)
AK47 (lillo)
Esperienze elettroniche (marco438)
Telecomunicazioni musicali (clavicordo)
Automazione ed Elettronica (gustavo)
Direttive per la sicurezza (ErnestoCappelletti)
EYnfo dall'Alaska (mir)
Apriamo il quadro! (attilio)
H7-25 (asdf)
Passione Elettrica (massimob)
Elettroni a spasso (guidob)
Bloguerra (guerra)









