Simulare l'alba e il tramonto
Moderatore:
Paolino
0
voti
Buona sera mi serve una mano nella realizzazione di un circuito che mi faccia accendere lentamente una lampada da 100W 220 V, mi simuli 70min di alba e 70 di tramonto in modo ciclico e se è possibile regolare i tempi con potenziometro...il tutto programmato con un PIC PIC 18F1320, se qualche utente mi può aiutare nelle varie fasi di questo progetto..
Ultima modifica di
Guerra il 19 ott 2012, 19:33, modificato 2 volte in totale.
Motivazione: modifica testo
Motivazione: modifica testo
0
voti
carlo87 ha scritto:mi simuli 70min di alba e 70 di tramonto in modo ciclico e se è possibile regolare i tempi con potenziometro...
Quello che puoi fare, è usare un quarzo da 32'768 Hz sul TMR1 del PIC18F1320 (pag. 107) implementando un RTC (vedi anche pag. 109).
Con un potenziometro collegato ad un pin AN sfrutti l'ADC interno per cambiare il numero di n interrupt di overflow a seconda del valore registrato.
EDIT: in base ai minuti regoli il duty cycle PWM. Ovviamente tutto il circuito di pilotaggio esterno deve essere collegato al pin CCP1.
0
voti
Mi poi dare qualche tritta sullo schema come impostare il tutto.... ti ringrazio.. Sepero di riuscire a fare qualcosa....
0
voti
mi servirebbe sapre x controllare lampada con PIC cosa devo usare??
0
voti
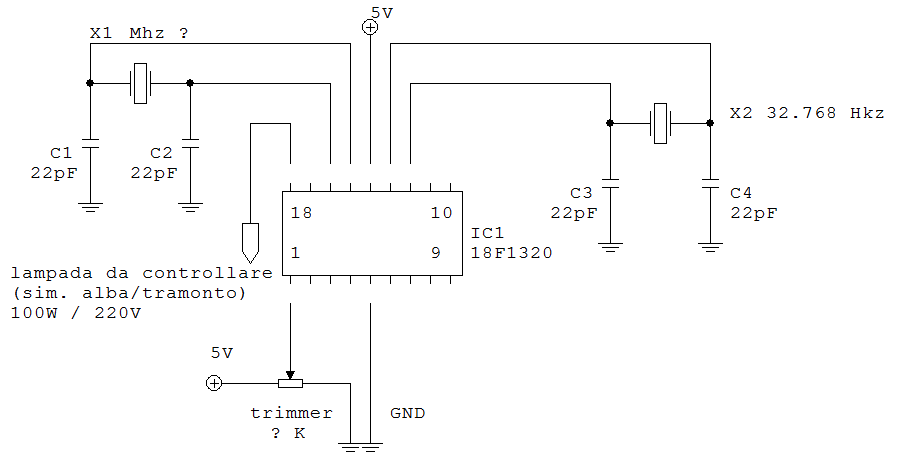
Ecco lo schema come mi avete suggerito vorrei sapere solo come fare a pilotare la lampada??
Ultima modifica di
simo85 il 22 ott 2012, 18:01, modificato 1 volta in totale.
Motivazione: Inserita immagine in linea
Motivazione: Inserita immagine in linea
0
voti
Una delle regole del forum prevede che gli schemi vengano disegnati in fidocad.
"Le domande non sono mai indiscrete. Le risposte lo sono a volte"
Per qualche dollaro in più
Per qualche dollaro in più
0
voti
In forma scherzosa le regole che puoi trovare nel Disclaimer a fondo pagina.
"Le domande non sono mai indiscrete. Le risposte lo sono a volte"
Per qualche dollaro in più
Per qualche dollaro in più
0
voti
L'oscillatore esterno X1 direi non è necessario, puoi usare quello interno. Per mantenere l'isolamento tra il PIC e la rete da da 220Vac puoi usare un phototriac.
0
voti
Grazie gohan dei consigli, mi poi indicare qualche phototriac usare??? la sigla
Torna a Firmware e programmazione
Chi c’è in linea
Visitano il forum: Nessuno e 9 ospiti

Elettrotecnica e non solo (admin)
Un gatto tra gli elettroni (IsidoroKZ)
Esperienza e simulazioni (g.schgor)
Moleskine di un idraulico (RenzoDF)
Il Blog di ElectroYou (webmaster)
Idee microcontrollate (TardoFreak)
PICcoli grandi PICMicro (Paolino)
Il blog elettrico di carloc (carloc)
DirtEYblooog (dirtydeeds)
Di tutto... un po' (jordan20)
AK47 (lillo)
Esperienze elettroniche (marco438)
Telecomunicazioni musicali (clavicordo)
Automazione ed Elettronica (gustavo)
Direttive per la sicurezza (ErnestoCappelletti)
EYnfo dall'Alaska (mir)
Apriamo il quadro! (attilio)
H7-25 (asdf)
Passione Elettrica (massimob)
Elettroni a spasso (guidob)
Bloguerra (guerra)




