Sto cercando lo schema elettrico per alimentatore stabilizzato con due tensioni fisse da 5 v e 24 V
con il 5 V alimento un PIC e con il 24 volt alimento 5 relè e due sensori.Premetto che prima di scrivere sul forum ho fatte diverse ricerche sul web ma non ho trovato niente con queste caratteristiche .
grazie in anticipo
schema elettrico alimentatore 5 e 24 V
Moderatori:
carloc,
g.schgor,
BrunoValente,
IsidoroKZ
14 messaggi
• Pagina 1 di 2 • 1, 2
0
voti
0
voti
marco438 ha scritto:Hai dimenticato di dire l'entita' della corrente in uscita per le due tensioni.
0,5 A per il 5 v e 2 A per 24 volt
0
voti
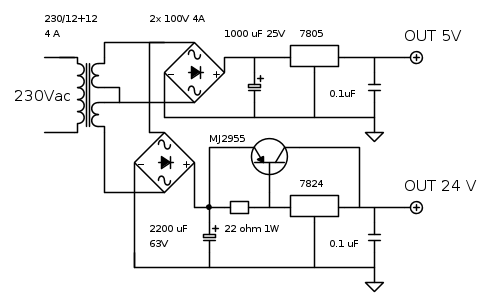
Allora, io mi servirei di un trasformatore a doppio secondario 12+12 usando un'uscita a 12V per ottenerne 5 e le due in serie per i 24 V.
Per i 5V e' sufficiente adoperare un 7805; per i 24 V servira' oltre ad un 7824 anche un transistor a sostegno, visto che la corrente richiesta supera quella supportabile dal regolatore.
Se la soluzione ti piace, vediamo di andare avanti; dimmi cosa non hai capito.
Per i 5V e' sufficiente adoperare un 7805; per i 24 V servira' oltre ad un 7824 anche un transistor a sostegno, visto che la corrente richiesta supera quella supportabile dal regolatore.
Se la soluzione ti piace, vediamo di andare avanti; dimmi cosa non hai capito.
marco
0
voti
la soluzione è ottima ,ti chiedo però di postare uno schema almeno comprendo meglio
Ultima modifica di
marco438 il 21 ott 2012, 13:39, modificato 1 volta in totale.
Motivazione: Eliminato quoting inutile - Usa il tasto rispondi e non cita.
Motivazione: Eliminato quoting inutile - Usa il tasto rispondi e non cita.
1
voti
Non vuoi provare a disegnarlo tu?
Potrebbe esserti utile anche per imparare a disegnare gli schemi con FidoCadJ. Le istruzioni le trovi nella Home Page alla voce Help.
Poi, se sbagli, lo correggiamo.
P.S. Forse qui puoi trovare informazioni utili.
Potrebbe esserti utile anche per imparare a disegnare gli schemi con FidoCadJ. Le istruzioni le trovi nella Home Page alla voce Help.
Poi, se sbagli, lo correggiamo.
P.S. Forse qui puoi trovare informazioni utili.
marco
0
voti
ok ci provo purtroppo mi occorre un po di tempo ci risentiamo quando ho finito
grazie per la disponibilità
ciao
grazie per la disponibilità
ciao
1
voti
Fai pure con comodo, siamo sempre qui! 
Se ti trovi in difficolta' guarda sul link che ti ho fornito prima; ci sono diversi schemi gia' fatti cui puoi attingere.
Se ti trovi in difficolta' guarda sul link che ti ho fornito prima; ci sono diversi schemi gia' fatti cui puoi attingere.
marco
0
voti
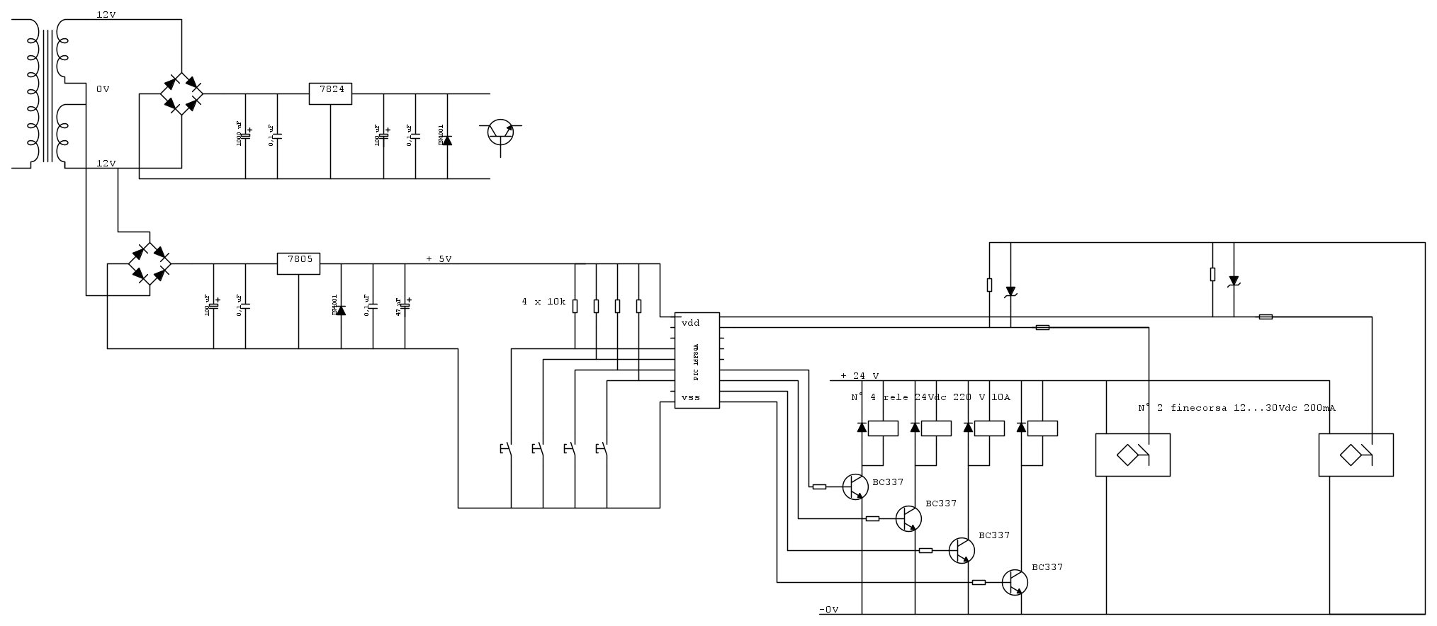
ho realizzato lo schema completo del mio progetto per farti capire che effettivamente non sono riuscito a trovare una soluzione ,perché ritengo forse erroneamente che per comandare i relè con il PIC devono avere una massa in comune.
0
voti
Forse cosi' facciamo prima:
Fammi sapere quello che non hai capito.
Fammi sapere quello che non hai capito.
marco
14 messaggi
• Pagina 1 di 2 • 1, 2
Chi c’è in linea
Visitano il forum: Nessuno e 60 ospiti

Elettrotecnica e non solo (admin)
Un gatto tra gli elettroni (IsidoroKZ)
Esperienza e simulazioni (g.schgor)
Moleskine di un idraulico (RenzoDF)
Il Blog di ElectroYou (webmaster)
Idee microcontrollate (TardoFreak)
PICcoli grandi PICMicro (Paolino)
Il blog elettrico di carloc (carloc)
DirtEYblooog (dirtydeeds)
Di tutto... un po' (jordan20)
AK47 (lillo)
Esperienze elettroniche (marco438)
Telecomunicazioni musicali (clavicordo)
Automazione ed Elettronica (gustavo)
Direttive per la sicurezza (ErnestoCappelletti)
EYnfo dall'Alaska (mir)
Apriamo il quadro! (attilio)
H7-25 (asdf)
Passione Elettrica (massimob)
Elettroni a spasso (guidob)
Bloguerra (guerra)



