salve signori,
ho una questione da porvi,premetto non conosco per nulla i MOSFET ma ho un circuito ben preciso e dettagliato da realizzare,naturalmete chiedo il vostro aiuto.
la questione è : usare un MOSFET co funzioni come se fosse un relè.In dettaglio,
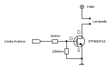
ho bisogno di poter pilotare tramite arduino, l'accensione e lo spegnimento di una serie di lampade a led,con un carico complessivo che arriva a 5A alimentate a 48V DC . Per cui ho bisogno del circuito montato intorno a MOSFET di potenza che mi alimenti o no un carico 5A 48V DC con un segnale digitale in ingresso di 5V 50mA
Il MOS in esame è questo : http://pdf1.alldatasheet.com/datasheet- ... F10FP.html
grazie anticipatamente a chi puo aiutarmi :)
MOSFET come relè
Moderatori:
carloc,
g.schgor,
BrunoValente,
IsidoroKZ
6 messaggi
• Pagina 1 di 1
4
voti
Dopo aver letto il link che ti è stato consigliato puoi provare così anche se il mosfet che usi non è l'ideale perché tra il gate e il source tu puoi arrivare soltanto a 5V invece per chiudere bene quel mosfet servirebbero almeno 10V:
Ricordati anche di collegare lo 0V di Arduino con lo 0V dell'alimentatore a 48V.
Dopo aver alimentato le lampade per quanche minuto senti la temperatura del corpo del mosfet (dopo aver staccato l'alimentazione). Se è troppo caldo puoi sostituirlo con un modello più adatto tipo l' IRL2910 o similari.
Ricordati anche di collegare lo 0V di Arduino con lo 0V dell'alimentatore a 48V.
Dopo aver alimentato le lampade per quanche minuto senti la temperatura del corpo del mosfet (dopo aver staccato l'alimentazione). Se è troppo caldo puoi sostituirlo con un modello più adatto tipo l' IRL2910 o similari.
0
voti
ooo k finalmente ho avuto un po di tempo per tornare a giocare con l'elettronica,ho testato questo circuito,va molto bene,sono sorpreso soprattutto della grande potenza in out che ti puo avere.... visto che ci troviamo ti dico cosa ho riscontrato,l'apertura del MOS mi avviane già da 4,5 v , un apertura piu certa però li ho sui 5v , sull'uscito sto tranquillo perché il MOS a pieno carico appena appena mi si scalda senza nemmeno che io abbia installato delle alette di dissipazione del calore . . . ora la mia perplessità è concentrata sul gate cioè ho trovato una corrente di apertura del MOS di 0.2mA e mi sembrano pochissimi,cioè sicuramente meglio visto che parliamo di comando di apertura con segnali digitali provenienti da arduino ma a questo punto mi chiedevo,data la bassissima corrente non sarebbe una buona soluzione eliminare la resistenza di gate ?? cosichè magari il mio segnale di ingressi al MOS di 4,5V / 5V sia sicuramente sufficiente senza incertezze??? ripeto non conosco bene i mosfet e non so se lui se ne frega o meno della corrente e magari vuole solo i suoi 5V . . . é che il mio problema sarebbe proprio questo,arduino mi tira fuori una tensione che è giusto appena sufficiente,e non vorrei inserire degli amplificatori o cose del genere . . . mi faresti un grande favore??? mi daresti giusto le formule basilari del comportamento dei mosfet?? cioè ad esempio come le 4-5 formule che regolano l'inserimento delle tensioni e delle resistenze nei transistor classici
-

eldiablo84
3 5 - New entry

- Messaggi: 56
- Iscritto il: 1 ott 2012, 23:06
1
voti
"Non farei mai parte di un club che accettasse la mia iscrizione" (G. Marx)
-

claudiocedrone
21,3k 4 7 9 - Master EY

- Messaggi: 15302
- Iscritto il: 18 gen 2012, 13:36
1
voti
Per il comportamento dei Mosfet puoi vedere questo
ma, come ti è stato già detto, nel tuo caso
dovresti cercare Mosfet particolari classificati
"Logic Level" che commutano con il gate a 3V.
ma, come ti è stato già detto, nel tuo caso
dovresti cercare Mosfet particolari classificati
"Logic Level" che commutano con il gate a 3V.
6 messaggi
• Pagina 1 di 1
Chi c’è in linea
Visitano il forum: Nessuno e 116 ospiti

Elettrotecnica e non solo (admin)
Un gatto tra gli elettroni (IsidoroKZ)
Esperienza e simulazioni (g.schgor)
Moleskine di un idraulico (RenzoDF)
Il Blog di ElectroYou (webmaster)
Idee microcontrollate (TardoFreak)
PICcoli grandi PICMicro (Paolino)
Il blog elettrico di carloc (carloc)
DirtEYblooog (dirtydeeds)
Di tutto... un po' (jordan20)
AK47 (lillo)
Esperienze elettroniche (marco438)
Telecomunicazioni musicali (clavicordo)
Automazione ed Elettronica (gustavo)
Direttive per la sicurezza (ErnestoCappelletti)
EYnfo dall'Alaska (mir)
Apriamo il quadro! (attilio)
H7-25 (asdf)
Passione Elettrica (massimob)
Elettroni a spasso (guidob)
Bloguerra (guerra)


