Equivalente di Thevenin
Moderatori:
g.schgor,
IsidoroKZ
0
voti
Salve,
è da un paio di giorni che leggo in internet come risolvere gli esercizi poiché per motivi personali non sono potuto andare alle lezioni universitarie.
Se io ho un circutio e voglio trovare l'equivalente di thevenin devo:
1. Creare cortocircuiti sui generatori di tensione e circuiti aperti sui generatori di corrente.
2. Calcolare la resistenza equivalente come parallelo e serie delle varie resistenze
In questo punto mi blocco poiché il calcolo della resistenza equivalente non corrisponde con quello corretto.
Il mio problema è:
In linea generale, come faccio a capire se due resistenze sono tra di loro in serie o parallelo, se siamo di fronte a una stella (quindi da risolvere trasformando la stella in triangolo)?
Grazie.
è da un paio di giorni che leggo in internet come risolvere gli esercizi poiché per motivi personali non sono potuto andare alle lezioni universitarie.
Se io ho un circutio e voglio trovare l'equivalente di thevenin devo:
1. Creare cortocircuiti sui generatori di tensione e circuiti aperti sui generatori di corrente.
2. Calcolare la resistenza equivalente come parallelo e serie delle varie resistenze
In questo punto mi blocco poiché il calcolo della resistenza equivalente non corrisponde con quello corretto.
Il mio problema è:
In linea generale, come faccio a capire se due resistenze sono tra di loro in serie o parallelo, se siamo di fronte a una stella (quindi da risolvere trasformando la stella in triangolo)?
Grazie.
2
voti
in linea generale:
due resistenze sono in serie se attraversate dalla stessa corrente.
due resistenze sono in parallelo se sottoposte alla stessa tensione.
Una stella è un tripolo costituito da tre resistenze aventi un terminale comune mentre i tre terminali liberi sono collegati a punti di diverso potenziale.
Un triangolo è un tripolo costituito da tre resistenze collegate una di seguito all'altra formando una figura chiusa.
qualsiasi situazione rientra in uno dei casi descritti.
da un occhiata anche a questi 3D:
viewtopic.php?f=2&t=33612
viewtopic.php?f=2&t=32991
due resistenze sono in serie se attraversate dalla stessa corrente.
due resistenze sono in parallelo se sottoposte alla stessa tensione.
Una stella è un tripolo costituito da tre resistenze aventi un terminale comune mentre i tre terminali liberi sono collegati a punti di diverso potenziale.
Un triangolo è un tripolo costituito da tre resistenze collegate una di seguito all'altra formando una figura chiusa.
qualsiasi situazione rientra in uno dei casi descritti.
da un occhiata anche a questi 3D:
viewtopic.php?f=2&t=33612
viewtopic.php?f=2&t=32991
0
voti
Di solito si fa quello che hai detto tu, cioè spegnere i generatori (tranne eventualmente quelli controllati, ma tralasciamoli pure), dopodichè si procede con l'applicare un generatore di sonsa nel punto in cui vuoi calcolare la resistenza equivalente.
Il generatore di sonda può essere di tensione o di corrente, la scelta non è univoca, uno dei due va bene, ma se scegli quello appropriato i calcoli sono un pelo più semplici e potresti risparmiare qualche passaggio.
Se scegli l'altro, poco male, il risultato viene lo stesso.
La resistenza equivalente Req la trovi come rapporto tra Vs e Is .
Cioè
dove :
è la tensione del generatore di sonda
è la corrente che esce dal generatore.
Se hai scelto di mettere un generatore di tensione, devi trovare un espressione analitica della Is in funzione della Vs , in modo che quando vai a fare il rapporto delle due, la tensione Vs si semplifica e ti rimane un valore che è proprio la resistenza equivalente.
Se scegli il gen di sonda , è la stessa cosa. Esprimi Vs in funzione della Is dopodichè semplifichi
Il generatore di sonda può essere di tensione o di corrente, la scelta non è univoca, uno dei due va bene, ma se scegli quello appropriato i calcoli sono un pelo più semplici e potresti risparmiare qualche passaggio.
Se scegli l'altro, poco male, il risultato viene lo stesso.
La resistenza equivalente Req la trovi come rapporto tra Vs e Is .
Cioè
dove :
è la tensione del generatore di sonda
è la corrente che esce dal generatore.Se hai scelto di mettere un generatore di tensione, devi trovare un espressione analitica della Is in funzione della Vs , in modo che quando vai a fare il rapporto delle due, la tensione Vs si semplifica e ti rimane un valore che è proprio la resistenza equivalente.
Se scegli il gen di sonda , è la stessa cosa. Esprimi Vs in funzione della Is dopodichè semplifichi
Visita il mio sito : http://www.raffotech.altervista.org
0
voti
Grazie a entrambi per le risposte, però non ho ancora capito come calcolare la resistenza equivalente (ovviamente senza utilizzare la formula R=V/I)
Se io ho un circuito di questo tipo,

Prima con i due generatori di tensione e il generatore di corrente, poi ho cortocircuitato i gdt e aperto i gdc.
Ora però non saprei come calcolare la resistenza.
Io voglio calcolare il valore della resistenza RTH di Thevenin ai morsetti A-B sapendo che tutte le resistenze sono di 1omh.
Grazie per l'attenzione.
Se io ho un circuito di questo tipo,

Prima con i due generatori di tensione e il generatore di corrente, poi ho cortocircuitato i gdt e aperto i gdc.
Ora però non saprei come calcolare la resistenza.
Io voglio calcolare il valore della resistenza RTH di Thevenin ai morsetti A-B sapendo che tutte le resistenze sono di 1omh.
Grazie per l'attenzione.
8
voti
Ciao.
Cerchiamo di fare un po' di ordine.
Innanzitutto:
Facciamo qualche esempio, così vediamo anche come trovare resistenze in serie ed in parallelo:
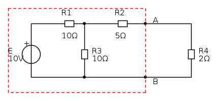
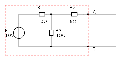
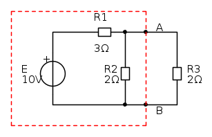
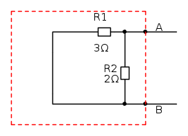
Circuito 1:
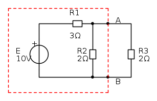
Si calcoli l'equivalente Thevenin ai morsetti A e B della rete seguente:
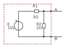
Come prima cosa isoliamo il bipolo di interesse:
Dobbiamo calcolare la tensione a vuoto tra i morsetti A e B, cioè la tensione che si presenta ai due morsetti dopo aver eliminato ciò che ne era al di là: in pratica la tensione tra i morsetti A e B dell'ultimo circuito.
Possiamo utilizzare la legge del partitore di tensione per resistenze, ottenendo:

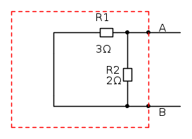
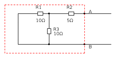
A questo punto spegniamo il generatore di tensione e troviamo la resistenza equivalente ai morsetti A e B:
Le due resistenze sono in parallelo. perché? Condividono la stessa tensione.
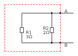
Inoltre puoi ridisegnare il circuito così, rendendo la cosa più evidente:
Quindi il parallelo vale:

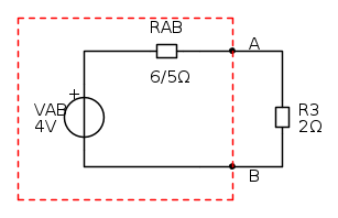
In definitiva l'equivalente Thevenin del rettangolo rosso vale:
e la rete complessiva, equivalente a quella originaria è:
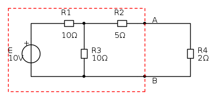
Circuito 2:
Come prima, calcolare l'equivalente Thevenin tra i morsetti A e B:
Come prima cosa dobbiamo trovare la tensione a vuoto, isoliamo pertanto il bipolo:
La resistenza
non sarà percorsa da alcuna corrente, pertanto la tensione che cadrà ai suoi capi è zero.
Non resta quindi che trovare la tensione ai capi di
, che coincide con la tensione AB.
Usiamo nuovamente il partitore:

Calcoliamo ora la resistenza equivalente a generatori spenti:
Con lo stesso metodo di prima osserviamo che
è in parallelo a
. La rete diventa:
Non resta che notare che le due resistenze sono in serie (condividono la stessa corrente) e quindi la resistenza equivalente è
L'equivalente cercato è quindi:
Prova per esercizio, a rifare i conti con dei generatori di corrente al posto di quelli di tensione.
Se hai bisogno dimmi pure.
Ciao.
Cerchiamo di fare un po' di ordine.
Innanzitutto:
- Esistono due tipi di equivalenti: l'equivalente di Thevenin e l'equivalente di Norton;
- Questi due equivalenti hanno validità, in generale, solo per reti lineari;
- Fatta eccezione per un paio di circuiti di cui non è il caso di parlare adesso, uno dei due equivalenti esiste sempre, anche se non è detto che esistano entrambi;
- Consideriamo per ora soltanto bipoli, cioè circuiti racchiudibili in una scatola da cui escono soltanto due morsetti;
- Fare un equivalente Thevenin significa sostituire tutto quello che c'è nel bipolo con un generatore di tensione indipendente al quale è stata posta una resistenza in serie. Il teorema di Thevenin ci spiega come calcolare la tensione del generatore e la resistenza equivalente per conservare l'uguaglianza tra i due circuiti, cioè per fare in modo che i due circuiti abbiano le stesse equazioni di Kirchhoff.
- Per calcolare la tensione del generatore equivalente Thevenin devo isolare il bipolo che mi interessa dal resto del circuito e calcolarne la tensione a vuoto, cioè la tensione che vedo a morsetti aperti.
- Per calcolare il valore della resistenza equivalente devo trovare la resistenza che vedo ispezionando la rete dentro il bipolo con i generatori indipendenti spenti. I generatori indipendenti sono spenti se la loro variabile indipendente è posta a zero. Per un generatore di tensione la variabile indipendente è la tensione e porla a zero significa sostituire il generatore di tensione con un corto circuito. Per un generatore di corrente la variabile indipendente è la corrente e porla a zero significa sostituire il generatore di tensione con un circuito aperto.
- A questo punto posso buttare via il bipolo e sostituirlo con il circuito equivalente di Thevenin conservando l'uguaglianza.
Facciamo qualche esempio, così vediamo anche come trovare resistenze in serie ed in parallelo:
Circuito 1:
Si calcoli l'equivalente Thevenin ai morsetti A e B della rete seguente:
Come prima cosa isoliamo il bipolo di interesse:
Dobbiamo calcolare la tensione a vuoto tra i morsetti A e B, cioè la tensione che si presenta ai due morsetti dopo aver eliminato ciò che ne era al di là: in pratica la tensione tra i morsetti A e B dell'ultimo circuito.
Possiamo utilizzare la legge del partitore di tensione per resistenze, ottenendo:

A questo punto spegniamo il generatore di tensione e troviamo la resistenza equivalente ai morsetti A e B:
Le due resistenze sono in parallelo. perché? Condividono la stessa tensione.
Inoltre puoi ridisegnare il circuito così, rendendo la cosa più evidente:
Quindi il parallelo vale:

In definitiva l'equivalente Thevenin del rettangolo rosso vale:
e la rete complessiva, equivalente a quella originaria è:
Circuito 2:
Come prima, calcolare l'equivalente Thevenin tra i morsetti A e B:
Come prima cosa dobbiamo trovare la tensione a vuoto, isoliamo pertanto il bipolo:
La resistenza
non sarà percorsa da alcuna corrente, pertanto la tensione che cadrà ai suoi capi è zero.Non resta quindi che trovare la tensione ai capi di
, che coincide con la tensione AB.Usiamo nuovamente il partitore:

Calcoliamo ora la resistenza equivalente a generatori spenti:
Con lo stesso metodo di prima osserviamo che
è in parallelo a
. La rete diventa:Non resta che notare che le due resistenze sono in serie (condividono la stessa corrente) e quindi la resistenza equivalente è

L'equivalente cercato è quindi:
Prova per esercizio, a rifare i conti con dei generatori di corrente al posto di quelli di tensione.
Se hai bisogno dimmi pure.
Ciao.
-

PietroBaima
90,7k 7 12 13 - G.Master EY

- Messaggi: 12207
- Iscritto il: 12 ago 2012, 1:20
- Località: Londra
2
voti
Vicar1992 ha scritto: però non ho ancora capito come calcolare la resistenza equivalente (ovviamente senza utilizzare la formula R=V/I)
Comincia da reti più semplici. Quando ti sarà chiaro come operare su reti a scala (cioè senza triangoli o stelle) passerai ad analizzare triangoli e stelle.
-

PietroBaima
90,7k 7 12 13 - G.Master EY

- Messaggi: 12207
- Iscritto il: 12 ago 2012, 1:20
- Località: Londra
1
voti
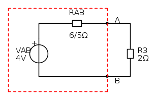
Vicar1992 ha scritto: ---Io voglio calcolare il valore della resistenza RTH di Thevenin ai morsetti A-B sapendo che tutte le resistenze sono di 1omh.
![\[{R_{Th}} = {R_{AB}} = {R_1}||({R_3} + {R_2}||{R_4})\] \[{R_{Th}} = {R_{AB}} = {R_1}||({R_3} + {R_2}||{R_4})\]](/forum/latexrender/pictures/15677a651d74aa7501d30ea90ab898b8.png)
"Il circuito ha sempre ragione" (Luigi Malesani)
0
voti
Grazie mille della risposta.
Ora mi sono posto alcune domande:
1. Quando nel primo esercizio si calcola la tensione A-B si utilizza la formula del partitore di tensione, questa va sempre bene oppure bisogna utilizzarne altre? perché al numeratore abbiamo R2 e non R1?
Grazie renzo, (ohm è stato un errore di battitura)
ma fare:
R1||(R2+R3||R4)
è la stessa cosa? (Considerando il fatto che le resistenze possano essere tutte diverse)
Ora mi sono posto alcune domande:
1. Quando nel primo esercizio si calcola la tensione A-B si utilizza la formula del partitore di tensione, questa va sempre bene oppure bisogna utilizzarne altre? perché al numeratore abbiamo R2 e non R1?
Grazie renzo, (ohm è stato un errore di battitura)
ma fare:
R1||(R2+R3||R4)
è la stessa cosa? (Considerando il fatto che le resistenze possano essere tutte diverse)
5
voti
Vicar1992 ha scritto:Grazie mille della risposta.
Dovere di sito.
Vicar1992 ha scritto:Ora mi sono posto alcune domande:
1. Quando nel primo esercizio si calcola la tensione A-B si utilizza la formula del partitore di tensione, questa va sempre bene oppure bisogna utilizzarne altre? perché al numeratore abbiamo R2 e non R1?
Facciamo un po' di ordine anche qui.
Esistono 4 tipi di leggi sui partitori, analizziamole e vediamo come si usano.
I partitori si dividono in:
- Partitori di tensione per resistenze;
- Partitori di tensione per conduttanze;
- Partitori di corrente per resistenze;
- Partitori di corrente per conduttanze.
Vediamo come si usano:
- Partitori di tensione per resistenze:
Tensione equivalente = Resistenza interessata diviso somma delle resistenze per tensione applicata.
Con resistenza interessata intendo quella che ha ai suoi capi la tensione che voglio calcolare.
Esempi:
Se voglio trovare la tensione BC la resistenza che mi interessa è R2, per cui ho che:
Se voglio trovare la tensione AB la resistenza che mi interessa è R1, per cui ho che:
Infatti
Se voglio trovare la tensione AC non posso applicare il partitore perché non ho una resistenza a cui interessarmi
(e inoltre non ne ho bisogno) - Partitori di corrente per resistenze
E' il duale del caso precedente. Consideriamo il circuito:
La filastrocca diventa:
Corrente= Resistenza NON interessata fratto somma delle due per corrente applicata.
Voglio calcolare I1, la resistenza NON interessata è R2.
Voglio calcolare I2, la resistenza NON interessata è R1.
Infatti ho che
I partitori per conduttanze li vediamo appena ti senti forte su questi due
Ciao!
-

PietroBaima
90,7k 7 12 13 - G.Master EY

- Messaggi: 12207
- Iscritto il: 12 ago 2012, 1:20
- Località: Londra
0
voti
perfetto, mi servono solo quei partitori per ora.
Ora ho capito i tuoi esempi però se volessi calcolare la tensione AB nel mio come devo farei?
Grazie.
Ora ho capito i tuoi esempi però se volessi calcolare la tensione AB nel mio come devo farei?
Grazie.
Torna a Elettrotecnica generale
Chi c’è in linea
Visitano il forum: Nessuno e 133 ospiti

Elettrotecnica e non solo (admin)
Un gatto tra gli elettroni (IsidoroKZ)
Esperienza e simulazioni (g.schgor)
Moleskine di un idraulico (RenzoDF)
Il Blog di ElectroYou (webmaster)
Idee microcontrollate (TardoFreak)
PICcoli grandi PICMicro (Paolino)
Il blog elettrico di carloc (carloc)
DirtEYblooog (dirtydeeds)
Di tutto... un po' (jordan20)
AK47 (lillo)
Esperienze elettroniche (marco438)
Telecomunicazioni musicali (clavicordo)
Automazione ed Elettronica (gustavo)
Direttive per la sicurezza (ErnestoCappelletti)
EYnfo dall'Alaska (mir)
Apriamo il quadro! (attilio)
H7-25 (asdf)
Passione Elettrica (massimob)
Elettroni a spasso (guidob)
Bloguerra (guerra)















pigreco]=π

