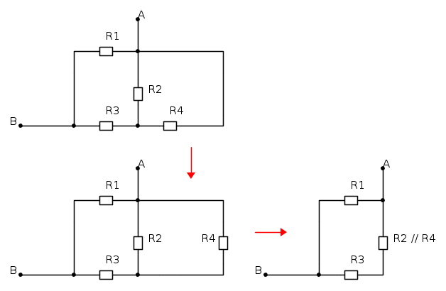
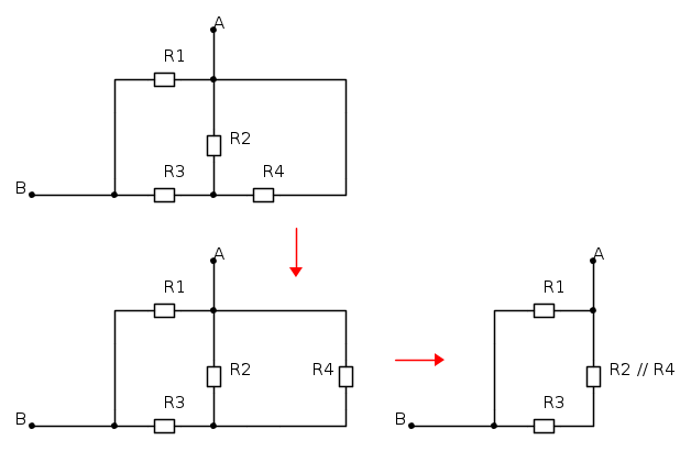
Vicar1992 ha scritto:R2 e R4 sono collegate agli stessi nodi per cui sono in parallelo, certo ora hocapito forse, perché facendo kirkhoff di quella maglia risulta V2-V4=0 quindi V2=V4,è corretto ?
bene. Adesso però in cambio mi posti la rete fidocad della rete con il parallelo calcolato, dove sono sparite le due resistenze e c'è invece quella equivalente.

Elettrotecnica e non solo (admin)
Un gatto tra gli elettroni (IsidoroKZ)
Esperienza e simulazioni (g.schgor)
Moleskine di un idraulico (RenzoDF)
Il Blog di ElectroYou (webmaster)
Idee microcontrollate (TardoFreak)
PICcoli grandi PICMicro (Paolino)
Il blog elettrico di carloc (carloc)
DirtEYblooog (dirtydeeds)
Di tutto... un po' (jordan20)
AK47 (lillo)
Esperienze elettroniche (marco438)
Telecomunicazioni musicali (clavicordo)
Automazione ed Elettronica (gustavo)
Direttive per la sicurezza (ErnestoCappelletti)
EYnfo dall'Alaska (mir)
Apriamo il quadro! (attilio)
H7-25 (asdf)
Passione Elettrica (massimob)
Elettroni a spasso (guidob)
Bloguerra (guerra)
pigreco]=π





