Ti sei ridisegnato la rete in un modo decente?
Equivalente di Thevenin
Moderatori:
g.schgor,
IsidoroKZ
1
voti
-

PietroBaima
90,7k 7 12 13 - G.Master EY

- Messaggi: 12207
- Iscritto il: 12 ago 2012, 1:20
- Località: Londra
0
voti
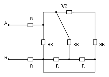
Ci sto provando ma per il momento sono in alto mare. Ho trovato solo una stella(R-R-3R)
1
voti
Vicar1992 ha scritto:Ci sto provando ma per il momento sono in alto mare. Ho trovato solo una stella(R-R-3R)
non ci sono stelle.
Prova a trovare R in parallelo.
E' meglio se ti ridisegni la rete in un altro modo.
-

PietroBaima
90,7k 7 12 13 - G.Master EY

- Messaggi: 12207
- Iscritto il: 12 ago 2012, 1:20
- Località: Londra
0
voti
mmmm.... una stella eh?
allora, non voglio confonderti e ti dico che si, quella da te indicata è una stella.
ma se ti dicessi che non serve alcuna trasformazione stella-triangolo?
hai notato i collegamenti eqipotenziali in alto e in basso?
in [60]
Lele_u_biddrazzu ti ha scritto una cosa molto importante per valutare le resistenze equivalenti.
ooops sovrapposto a PietroBaima
allora, non voglio confonderti e ti dico che si, quella da te indicata è una stella.
ma se ti dicessi che non serve alcuna trasformazione stella-triangolo?
hai notato i collegamenti eqipotenziali in alto e in basso?
in [60]
ooops sovrapposto a PietroBaima
0
voti
lillo ha scritto:ooops sovrapposto a PietroBaima
Figurati!!!
In effetti la stella c'è, ma è meglio che non si veda, dato che se ne può fare a meno
-

PietroBaima
90,7k 7 12 13 - G.Master EY

- Messaggi: 12207
- Iscritto il: 12 ago 2012, 1:20
- Località: Londra
0
voti
non capisco dove devo mettere la resistenza in parallelo creata in alto. Così è giusto?
1
voti
Vicar1992 ha scritto:
non capisco dove devo mettere la resistenza in parallelo creata in alto. Così è giusto?
non è giusto, ma mi interessa di più che tu ci stia ragionando.
Allora ti aiuto e ti faccio una domanda specifica: le due resistenze che valgono 8R sono in parallelo?
Come fai a rispondermi sì o no? perché?
-

PietroBaima
90,7k 7 12 13 - G.Master EY

- Messaggi: 12207
- Iscritto il: 12 ago 2012, 1:20
- Località: Londra
0
voti
vedendolo ora, in questa situazione non riuscirei a dirti si o no. Come potrei fare?
1
voti
Vicar1992 ha scritto:vedendolo ora, in questa situazione non riuscirei a dirti si o no. Come potrei fare?
Come ti ho spiegato. Mettici un if
Se condividono la stessa tensione - > parallelo
Se condividono la stessa corrente - > serie
-

PietroBaima
90,7k 7 12 13 - G.Master EY

- Messaggi: 12207
- Iscritto il: 12 ago 2012, 1:20
- Località: Londra
1
voti
osserva questo:
i due nodi cerchiati in rosso sono allo stesso potenziale.
i due nodi cerchiati in azzurro sono allo stesso potenziale.
ora dovrebbe essere più semplice rispondere a
PietroBaima
i due nodi cerchiati in rosso sono allo stesso potenziale.
i due nodi cerchiati in azzurro sono allo stesso potenziale.
ora dovrebbe essere più semplice rispondere a
Torna a Elettrotecnica generale
Chi c’è in linea
Visitano il forum: Nessuno e 44 ospiti

Elettrotecnica e non solo (admin)
Un gatto tra gli elettroni (IsidoroKZ)
Esperienza e simulazioni (g.schgor)
Moleskine di un idraulico (RenzoDF)
Il Blog di ElectroYou (webmaster)
Idee microcontrollate (TardoFreak)
PICcoli grandi PICMicro (Paolino)
Il blog elettrico di carloc (carloc)
DirtEYblooog (dirtydeeds)
Di tutto... un po' (jordan20)
AK47 (lillo)
Esperienze elettroniche (marco438)
Telecomunicazioni musicali (clavicordo)
Automazione ed Elettronica (gustavo)
Direttive per la sicurezza (ErnestoCappelletti)
EYnfo dall'Alaska (mir)
Apriamo il quadro! (attilio)
H7-25 (asdf)
Passione Elettrica (massimob)
Elettroni a spasso (guidob)
Bloguerra (guerra)
pigreco]=π



