Allora
Ho a disposizione un ADC con portata max di 1V. Dovrei progettare un partitore di tensione che mi consenta di misurare tensioni di 2V, 2.5V, 4V.
Per l' ADC ho usato quel simbolo ma probabilmente non è corretto.
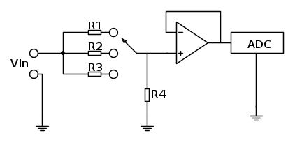
Io ho pensato, in linea di massima, che il circuito debba essere questo
Ora mi sfugge un concetto. In ingresso all'ADC deve sempre esserci la tensione di 1V (che è la massima portata) ? Come faccio a dimensionare le resistenze non avendo alcun dato sulla corrente in entrata?
Problema sulla portata massima di un ADC
29 messaggi
• Pagina 1 di 3 • 1, 2, 3
0
voti
0
voti
Difficile che cosi' possa funzionare, alle portate intermedie non arriva corrente nell'ADC ma ricircola nelle resistenze e basta
Prova in questo modo, calcolando un partitore formato ogni volta dalla coppia R1/R4, R2/R4, R3/R4 per far si che arrivi all'ingresso dell'ADC sempre 1 volt massimi. Sono tre frazioni e algebra elementare... a te i conti
Prova in questo modo, calcolando un partitore formato ogni volta dalla coppia R1/R4, R2/R4, R3/R4 per far si che arrivi all'ingresso dell'ADC sempre 1 volt massimi. Sono tre frazioni e algebra elementare... a te i conti
-

rusty
4.075 2 9 11 - Utente disattivato per decisione dell'amministrazione proprietaria del sito
- Messaggi: 1578
- Iscritto il: 25 gen 2009, 13:10
0
voti
Grazie mille per la tua soluzione. Mi pareva che il prof l'avesse fatta come l'avevo proposta io... mah sarà che ricordo male. In ogni caso, il problema chiede la soluzione da adottare se le tensioni sono inferiori alla portata massima. Il circuito dovrebbe essere lo stesso che mi hai mostrato, giusto? Io avevo pensato che non ci sarebbe stato bisogno del partitore in caso di tensioni inferiori ad 1V ma , a quanto pare, nell'ADC dovrebbe arrivare sempre 1 V ma non mi spiego il motivo.
0
voti
lionell88 ha scritto:Ho a disposizione un ADC con portata max di 1V. Dovrei progettare un partitore di tensione che mi consenta di misurare tensioni di 2V, 2.5 V, 4V.
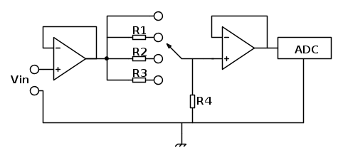
Scusa, ma partendo da quello che hai detto io ho capito che l'escursione massima di tensione misurabile dall'ADC è di 1 V, dunque se vuoi misurare tensioni fino a 2, fino a 2.5 e fino a 4 V devi fare in modo che qualsiasi tensione arrivi comunque sia nel range di 1 V. Questo lo puoi fare con un partitore come quello che ho disegnato, dimensionando opportunamente R1,R2,R3 e scegliendo la R4 fissa per i tre partitori.
Non ha senso far arrivare sempre 1 V all'ADC, perché quello stara' fisso a leggere lo stesso valore, semmai il massimo che puo' leggere è 1 V, questo ha piu' senso.
-

rusty
4.075 2 9 11 - Utente disattivato per decisione dell'amministrazione proprietaria del sito
- Messaggi: 1578
- Iscritto il: 25 gen 2009, 13:10
0
voti
E quando mi chiede la soluzione da adottare per misurare tensioni inferiori alla portata massima? Collego direttamente all'ADC ? Questa domanda mi sembra senza senso
0
voti
Ma dov'è che chiede sta cosa? Se la tensione è minore di 1 V e la portata massima dell'ADC è di 1 V ha senso collegarlo direttamente, ma non ho capito se è un circuito che stai facendo o un problema scolastico... nella seconda ipotesi non posso aiutarti anche perché il testo del problema non l'ho visto.
-

rusty
4.075 2 9 11 - Utente disattivato per decisione dell'amministrazione proprietaria del sito
- Messaggi: 1578
- Iscritto il: 25 gen 2009, 13:10
0
voti
si è un problema....si ipotizzi di avere un ADC con portata massima di x V. Si progetti un partitore di tensione resistivi che consenta misure di y V, z V , t V, s V. Si disegni il circuito di misura con visualizzatore finale, si indichino i fattori di partizione in corrispondenza delle diverse portate e si indichi poi la soluzione da adottare quando si vogliano misurare tensioni inferiori a x V.
Io avevo dato dei valori numerici per cercare di semplificare la cosa... ma credo che la soluzione a questo punto sia quella da te proposta e non quella che ho proposto io
Io avevo dato dei valori numerici per cercare di semplificare la cosa... ma credo che la soluzione a questo punto sia quella da te proposta e non quella che ho proposto io
0
voti
rusty ha scritto:Prova in questo modo, calcolando un partitore formato ogni volta dalla coppia R1/R4, R2/R4, R3/R4 per far si che arrivi all'ingresso dell'ADC sempre 1 volt massimi.
Quella soluzione ha un difetto: la resistenza di ingresso del voltmetro varia con la portata. C'è una soluzione che permette di avere resistenza di ingresso costante: riesci a trovarla?
PS: Non usare il simbolo di terra per lo 0 V
It's a sin to write
instead of
(Anonimo).
...'cos you know that
ain't
, right?
You won't get a sexy tan if you write
in lieu of
.
Take a log for a fireplace, but don't take
for
arithm.
instead of
(Anonimo)....'cos you know that
ain't
, right?You won't get a sexy tan if you write
in lieu of
.Take a log for a fireplace, but don't take
for
arithm.-

DirtyDeeds
55,9k 7 11 13 - G.Master EY

- Messaggi: 7012
- Iscritto il: 13 apr 2010, 16:13
- Località: Somewhere in nowhere
0
voti
DirtyDeeds ha scritto:Quella soluzione ha un difetto: la resistenza di ingresso del voltmetro varia con la portata. C'è una soluzione che permette di avere resistenza di ingresso costante: riesci a trovarla?
Ciao
Se devo progettare un controllore su CPLD o micro ok, ma purtroppo in analogica sono sempre stato un pippone
Illuminami
-

rusty
4.075 2 9 11 - Utente disattivato per decisione dell'amministrazione proprietaria del sito
- Messaggi: 1578
- Iscritto il: 25 gen 2009, 13:10
29 messaggi
• Pagina 1 di 3 • 1, 2, 3
Chi c’è in linea
Visitano il forum: Nessuno e 18 ospiti

Elettrotecnica e non solo (admin)
Un gatto tra gli elettroni (IsidoroKZ)
Esperienza e simulazioni (g.schgor)
Moleskine di un idraulico (RenzoDF)
Il Blog di ElectroYou (webmaster)
Idee microcontrollate (TardoFreak)
PICcoli grandi PICMicro (Paolino)
Il blog elettrico di carloc (carloc)
DirtEYblooog (dirtydeeds)
Di tutto... un po' (jordan20)
AK47 (lillo)
Esperienze elettroniche (marco438)
Telecomunicazioni musicali (clavicordo)
Automazione ed Elettronica (gustavo)
Direttive per la sicurezza (ErnestoCappelletti)
EYnfo dall'Alaska (mir)
Apriamo il quadro! (attilio)
H7-25 (asdf)
Passione Elettrica (massimob)
Elettroni a spasso (guidob)
Bloguerra (guerra)



