Circuiti, campi elettromagnetici e teoria delle linee di trasmissione e distribuzione dell’energia elettrica
Moderatori:
g.schgor,
IsidoroKZ
da
Lele_u_biddrazzu » 24 ott 2012, 22:08
Vicar1992 ha scritto:...corretto il ragionamento?
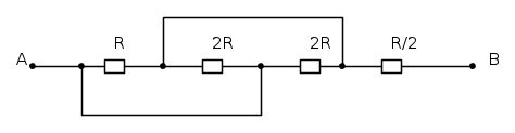
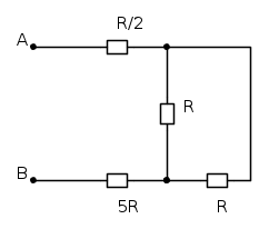
Quanto vale la d.d.p. ai capi della serie di (57/25)R e R

Emanuele Lorina
-
Chi lotta contro i mostri deve fare attenzione a non diventare lui stesso un mostro. E se tu riguarderai a lungo in un abisso, anche l'abisso vorrà guardare dentro di te (F. Nietzsche)
-
Tavole della legge by admin
-

Lele_u_biddrazzu
8.154
3
8
13
- Master EY

-
- Messaggi: 1288
- Iscritto il: 23 gen 2007, 16:13
- Località: Modena
da
PietroBaima » 24 ott 2012, 22:09
Vicar1992 ha scritto:Però ora non so se sono in serie o in parallelole resistenze 57/25 e R perché hanno la stessa corrente e facendo kirchhoff risulta che hanno la stessa tensione, corretto il ragionamento?
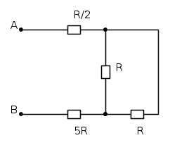
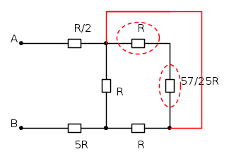
Dunque. Dallo schema
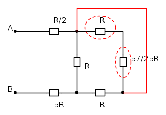
prova a vedere cosa fa il filo rosso alle due resistenze marcate in rosso.
EDIT: Così si capisce meglio
Generatore codice per articoli:
nomiSul forum:
[

pigreco]=π
[

ohm]=Ω
[

quadrato]=²
[

cubo]=³
-

PietroBaima
90,7k
7
12
13
- G.Master EY

-
- Messaggi: 12206
- Iscritto il: 12 ago 2012, 1:20
- Località: Londra
da
PietroBaima » 24 ott 2012, 22:12
Lele_u_biddrazzu ha scritto:Vicar1992 ha scritto:...corretto il ragionamento?
Quanto vale la d.d.p. ai capi della serie di (57/25)R e R

Scusa, ci siamo sovrapposti!

Generatore codice per articoli:
nomiSul forum:
[

pigreco]=π
[

ohm]=Ω
[

quadrato]=²
[

cubo]=³
-

PietroBaima
90,7k
7
12
13
- G.Master EY

-
- Messaggi: 12206
- Iscritto il: 12 ago 2012, 1:20
- Località: Londra
da
Vicar1992 » 24 ott 2012, 22:14
Certo, è zero quindi diventa così il circutio:
quindi Req=6R
All right?
-

Vicar1992
37 4
- New entry

-
- Messaggi: 81
- Iscritto il: 23 ott 2012, 17:28
da
PietroBaima » 24 ott 2012, 22:16
Vicar1992 ha scritto:
All right?
yes.
Questa non è mia, ma è troppo bella e voglio proportela. non credo che il proprietario se ne avrà a male.
Generatore codice per articoli:
nomiSul forum:
[

pigreco]=π
[

ohm]=Ω
[

quadrato]=²
[

cubo]=³
-

PietroBaima
90,7k
7
12
13
- G.Master EY

-
- Messaggi: 12206
- Iscritto il: 12 ago 2012, 1:20
- Località: Londra
da
Lele_u_biddrazzu » 24 ott 2012, 22:18
PietroBaima ha scritto:Scusa, ci siamo sovrapposti!

Figurati

Emanuele Lorina
-
Chi lotta contro i mostri deve fare attenzione a non diventare lui stesso un mostro. E se tu riguarderai a lungo in un abisso, anche l'abisso vorrà guardare dentro di te (F. Nietzsche)
-
Tavole della legge by admin
-

Lele_u_biddrazzu
8.154
3
8
13
- Master EY

-
- Messaggi: 1288
- Iscritto il: 23 gen 2007, 16:13
- Località: Modena
da
Lele_u_biddrazzu » 24 ott 2012, 22:20
PietroBaima ha scritto:...Questa non è mia, ma è troppo bella e voglio proportela...
Quella rete mi ricorda qualcosa in effetti...

Emanuele Lorina
-
Chi lotta contro i mostri deve fare attenzione a non diventare lui stesso un mostro. E se tu riguarderai a lungo in un abisso, anche l'abisso vorrà guardare dentro di te (F. Nietzsche)
-
Tavole della legge by admin
-

Lele_u_biddrazzu
8.154
3
8
13
- Master EY

-
- Messaggi: 1288
- Iscritto il: 23 gen 2007, 16:13
- Località: Modena
da
PietroBaima » 24 ott 2012, 22:33
Vicar1992 ha scritto:Ma nell'unica resistenza R non passa corrente, giusto?
No
Generatore codice per articoli:
nomiSul forum:
[

pigreco]=π
[

ohm]=Ω
[

quadrato]=²
[

cubo]=³
-

PietroBaima
90,7k
7
12
13
- G.Master EY

-
- Messaggi: 12206
- Iscritto il: 12 ago 2012, 1:20
- Località: Londra
Torna a Elettrotecnica generale
Chi c’è in linea
Visitano il forum: Nessuno e 96 ospiti