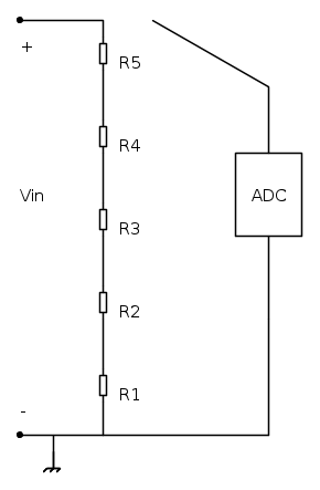
lionell88 ha scritto:La tensione va calcolata quindi utilizzando il partitore di tensione in base alle resistenze "collegate" con l' ADC...
I valori delle tensioni di fondo scala definiscono solo i rapporti di resistenze, il valore della resistenza totale o quello di una delle resistenze (non tutti e due insieme) sono parametri liberi. Per esempio, se uno volesse le portate 1 V, 10 V, 100 V, 1000 V (quest'ultima teorica, praticamente quel partitore potrebbe dare problemi per 1000 V di fondo scala) potrebbe scegliere i valori 1 kohm, 9 kohm, 90 kohm e 900 kohm (resistenza totale di 1 Mohm), ma anche 10 kohm, 90 kohm, 900 kohm e 9 Mohm (resistenza totale di 10 Mohm).

Elettrotecnica e non solo (admin)
Un gatto tra gli elettroni (IsidoroKZ)
Esperienza e simulazioni (g.schgor)
Moleskine di un idraulico (RenzoDF)
Il Blog di ElectroYou (webmaster)
Idee microcontrollate (TardoFreak)
PICcoli grandi PICMicro (Paolino)
Il blog elettrico di carloc (carloc)
DirtEYblooog (dirtydeeds)
Di tutto... un po' (jordan20)
AK47 (lillo)
Esperienze elettroniche (marco438)
Telecomunicazioni musicali (clavicordo)
Automazione ed Elettronica (gustavo)
Direttive per la sicurezza (ErnestoCappelletti)
EYnfo dall'Alaska (mir)
Apriamo il quadro! (attilio)
H7-25 (asdf)
Passione Elettrica (massimob)
Elettroni a spasso (guidob)
Bloguerra (guerra)
instead of
(Anonimo).
ain't
, right?
in lieu of
.
for
arithm.



, 


Questa condizione è necessaria.






