Ho iniziato a studiare i BJT in università, mi stanno prendendo molto !
Come al solito, sono sempre molto legato all'aspetto pratico, non credo la teoria possa bastare per diventare veramente 'capace'.
Quello che volevo quindi proporvi, è uno studio passo-passo delle progettazone di un amplificatore a BJT, con simulazioni e quant'altro.
I requisiti che vorrei avere sono :
-utilizzare in ingresso uno di quei micrfonini classici, che si trovano dappertutto come questi :

- Pilotare una cassa da 8 ohm (di quelle da radio con lettore cd che si avevano sul comodino una volta :)
- Per rendere più interessante la questione, sarebbe bello progettare l'amplificatore indipendentemente dal carico, in modo da cercare di rendere l'amplificazione la più indipendente possibile dal carico che si collega.
-utilizzare dei transistori molto comuni , quali i BC337
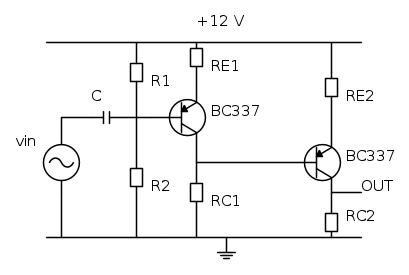
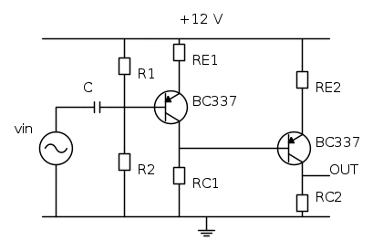
Ok, Direi che un buon circuito di base possa essere questo :
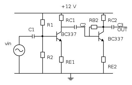
Che dite, si può fare ?
Penso possa essere utile a tutti! :)

Elettrotecnica e non solo (admin)
Un gatto tra gli elettroni (IsidoroKZ)
Esperienza e simulazioni (g.schgor)
Moleskine di un idraulico (RenzoDF)
Il Blog di ElectroYou (webmaster)
Idee microcontrollate (TardoFreak)
PICcoli grandi PICMicro (Paolino)
Il blog elettrico di carloc (carloc)
DirtEYblooog (dirtydeeds)
Di tutto... un po' (jordan20)
AK47 (lillo)
Esperienze elettroniche (marco438)
Telecomunicazioni musicali (clavicordo)
Automazione ed Elettronica (gustavo)
Direttive per la sicurezza (ErnestoCappelletti)
EYnfo dall'Alaska (mir)
Apriamo il quadro! (attilio)
H7-25 (asdf)
Passione Elettrica (massimob)
Elettroni a spasso (guidob)
Bloguerra (guerra)











