Cos'è ElectroYou | Login Iscriviti

ElectroYou - la comunità dei professionisti del mondo elettrico

relè? e che tipo di relè?

Circuiti, campi elettromagnetici e teoria delle linee di trasmissione e distribuzione dell’energia elettrica

Moderatori: Foto Utenteg.schgor, Foto UtenteIsidoroKZ

0
voti

[31] Re: relè? e che tipo di relè?

Messaggioda Foto Utentedriko77 » 31 ott 2012, 1:10

Sì finalmente ho capito come si postano i circuiti(anche se non capisco perché mi ha rigirato la bobina), quando incollavo mi si mangiava una parentesi quadra del tag e andava tutto a ... "donne di piacere" ,ora mi resta solo da capire come si fanno circuiti corretti (così evito che me lo diciate voi)....
Non sono grullo come dicono in toscana, è che faccio il vetrinista e questo per me è un hobby del fai da te.
Comunque sono sicuro che voi possiate interpretare ugualmente il mio quesito.
Io voglio che in assenza di corrente( a casa mia basta un temporale e scatta il differenziale) il mio amplificatore e la mia centralina allarme si alimentino dalla batteria, e quest'ultima inizi a farlo dopo un tempo "x" dettato dal temporizzatore.
Ho collegato bene i deviatori del relè?
C'è qualche collegamento che potrebbe danneggiare (cortocircuitare) qualcosa?
Se collego alla bobina la DC 12 V, funziona o devo attingere alla AC 230 V?
Poi se qualcuno mi vuole mostrare come avrei dovuto disegnarlo, tanto piacere io sono un curioso di natura e mi fa piacere apprendere.
nel mio lavoro ho imparato tantissime cose, ma la soddisfazione più grande è stata insegnarla agli altri....
edit Foto Utentemir: non scrivere in maiuscolo perché equivale ad urlare.
Ultima modifica di Foto Utentemir il 31 ott 2012, 15:58, modificato 1 volta in totale.
Motivazione: rieditato testo da maiuscolo inminuscolo.
Avatar utente
Foto Utentedriko77
10 4
 
Messaggi: 44
Iscritto il: 21 ott 2012, 21:13

0
voti

[32] Re: relè? e che tipo di relè?

Messaggioda Foto UtenteMassimoB » 31 ott 2012, 1:12

Foto Utentemir hai ragione la prossima volta mi atterò ad uno schema standard, nel disegno volevo solo esprimere il concetto di quel che pensavo ma in effetti non sono stato molto chiaro
Avatar utente
Foto UtenteMassimoB
14,2k 6 12 13
Expert free
 
Messaggi: 3163
Iscritto il: 28 ott 2012, 9:56
Località: Milano

0
voti

[33] Re: relè? e che tipo di relè?

Messaggioda Foto Utentemir » 31 ott 2012, 16:15

driko77 ha scritto:Io voglio che in assenza di corrente( a casa mia basta un temporale e scatta il differenziale) il mio amplificatore e la mia centralina allarme si alimentino dalla batteria, e quest'ultima inizi a farlo dopo un tempo "x" dettato dal temporizzatore.

forse bisognerebbe affrontare il problema diversamente, ad esempio:
driko77 ha scritto:...a casa mia basta un temporale e scatta il differenziale...

perché non interpellare un tecnico qualificato per capire se ci sia un problema nell'impianto.
driko77 ha scritto:in assenza di corrente.... la mia centralina allarme si alimentino dalla batteria,

normalmente le centraline di allarme hanno una propria batteria tampone che alimenta la centrale quando la tensione di rete è assente ed hanno una buon autonomia,lo stesso dicasi per la sirena esterna anch'essa ha una propria batteria tampone, certo queste batterie hanno bisogno nel tempo di verifiche/sostituzioni non sono eterne, quindi il problema inq uesto caso non esiste.
driko77 ha scritto: in assenza di corrente.. il mio amplificatore ..si alimentino dalla batteria,....

in questo caso occorre dapprima vedere se l'amplificatore ha una sua possibilità di alimentazione sterna con tensione continua di 12 V ho se è del tipo che ha un alimentatore esterno, anche se mi vien da chiedere se viene a mancare la tensione di rete di 230 V 50Hz e riuscissi ad alimentare l'amplificatore dell'impianto di antenna come si potrebbe vedere il programma desiderato se non si possono alimentare i Tvc (manca la tensione di rete) ?
driko77 ha scritto:..e quest'ultima inizi a farlo dopo un tempo "x" dettato dal temporizzatore.

mell'ipotesi che tu riesca nell'impresa, perché temporizzare lo scambio rete/batterie una volta che la tensione di rete va via lo scambio deve essere automatico, perché temporizzare ?
driko77 ha scritto:Ho collegato bene i deviatori del relè?

non saprei dallo schema ( :( ) non è molto chiaro,
driko77 ha scritto:C'è qualche collegamento che potrebbe danneggiare (cortocircuitare) qualcosa?

come sopra ...
driko77 ha scritto:Se collego alla bobina la DC 12 V, funziona o devo attingere alla AC 230 V?

se un relè ha una bobina funzionante alla tensione di 12 Vdc non può e non deve essere alimentata alla tensione di rete di 230 V 50 Hz ..in quest'ultimo caso il botto è assicurato.
Avatar utente
Foto Utentemir
66,0k 9 12 13
G.Master EY
G.Master EY
 
Messaggi: 21870
Iscritto il: 19 ago 2004, 21:10

0
voti

[34] Re: relè? e che tipo di relè?

Messaggioda Foto Utentedriko77 » 31 ott 2012, 17:00

Allora.....
mir ha scritto:normalmente le centraline di allarme hanno una propria batteria tampone che alimenta la centrale quando la tensione di rete è assente ed hanno una buon autonomia,lo stesso dicasi per la sirena esterna anch'essa ha una propria batteria tampone, certo queste batterie hanno bisogno nel tempo di verifiche/sostituzioni non sono eterne, quindi il problema inq uesto caso non esiste.

La batteria tampone dura tre ore, ma quando vado in vacanza ci resto più tempo.
in questo caso occorre dapprima vedere se l'amplificatore ha una sua possibilità di alimentazione sterna con tensione continua di 12 V ho se è del tipo che ha un alimentatore esterno, anche se mi vien da chiedere se viene a mancare la tensione di rete di 230 V 50Hz e riuscissi ad alimentare l'amplificatore dell'impianto di antenna come si potrebbe vedere il programma desiderato se non si possono alimentare i Tvc (manca la tensione di rete) ?

L'amplificatore è di un'antenna radio che manda il segnale per la telefonia voip in casa e grazie a tale segnale partono le chiamate della centralina, non ci guardo la TV.Funziona con il suo alimentatore in DC 12 V proprio come la centralina.
mell'ipotesi che tu riesca nell'impresa, perché temporizzare lo scambio rete/batterie una volta che la tensione di rete va via lo scambio deve essere automatico, perché temporizzare ?

driko77 ha scritto:Come ultimo punto vorrei che quando il relè attiva l'alimentazione della batteria uno dei due apparecchi inizi a funzionare subito, mentre il secondo con un ritardo di 3\4 ore. Non sono pazzo, e che si tratta di una centralina d'allarme che ha al suo interno una piccola batteria tampone, questa centralina avvisa telefonicamente dell'assenza di corrente al quasi esaurimento della sopracitata batteria e a me farebbe piacere sapere che in casa è mancata corrente quando sono via, per dire a mio fratello di togliere i cadaveri dal freezer.

mir ha scritto:non saprei dallo schema ( ) non è molto chiaro,

Vabbè, a voce non sono chiaro e deve usare fidocadj,con questo non lo sono nemmeno dopo che mi sono impegnato per farlo, ora esco un attimo vado a prendere la laurea in elettrotecnica e poi mi spiego meglio.
Avatar utente
Foto Utentedriko77
10 4
 
Messaggi: 44
Iscritto il: 21 ott 2012, 21:13

1
voti

[35] Re: relè? e che tipo di relè?

Messaggioda Foto Utentemir » 31 ott 2012, 17:28

driko77 ha scritto:La batteria tampone dura tre ore, ma quando vado in vacanza ci resto più tempo.

credo sia un tempo sufficiente perché si ripristino le condizioni normali sull'alimentazione di rete,
driko77 ha scritto:L'amplificatore è di un'antenna radio che manda il segnale per la telefonia voip...

ok, avevo intepretato male,
driko77 ha scritto:ora esco un attimo vado a prendere la laurea in elettrotecnica...

beato te, io anche uscendo qualche ora non ci riuscirei ... :mrgreen:
scherzi a parte,
direi che volendo schematizzare quanto vorresti realizzare si potrebbe disegnare così...

uno schema di concetto, cioè il relè è sottoposto alla tensione di rete, e normalmente eccitato ha i contatti in posizione di apertutra quindi le batterie non alimentano nulla, quando la tensione manca il relè andrà nelle condizioni di riposo e le batterie andranno ada limentare con i loro positivi i due dispositivi, ovviament ei negativi andrannoin comune con le rispettive batterie.
però attenzione lo schema è un'idea da cui partire perché mancano molte considerazioni fra cui una semplice : le batterie chi le mantiene costantemente cariche ? e come ?
Avatar utente
Foto Utentemir
66,0k 9 12 13
G.Master EY
G.Master EY
 
Messaggi: 21870
Iscritto il: 19 ago 2004, 21:10

0
voti

[36] Re: relè? e che tipo di relè?

Messaggioda Foto Utentemarco438 » 31 ott 2012, 17:31

Qui non si tratta di prendere la laurea; il tuo schema e' incomprensibile.
Quindi se ti va di rifarlo e farci capire le tue intenzioni, bene; altrimenti...............
O_/
marco
Avatar utente
Foto Utentemarco438
37,1k 7 11 13
-EY Legend-
-EY Legend-
 
Messaggi: 16323
Iscritto il: 24 mar 2010, 15:09
Località: Versilia

0
voti

[37] Re: relè? e che tipo di relè?

Messaggioda Foto Utentedriko77 » 31 ott 2012, 19:55

Grazie mir per lo schema,ammetto che io mi sono complicato la vita decidendo di utilizzare un relè 12 V,comunque la batteria viene caricata da un piccolo pannello fv che fisserò sul tetto e tirerò giù i cavi.
mir ha scritto:credo sia un tempo sufficiente perché si ripristino le condizioni normali sull'alimentazione di rete,

Scatta il differenziale, non si ripristina niente..
marco438 ha scritto:Qui non si tratta di prendere la laurea; il tuo schema e' incomprensibile.

Allora io credo che non voglia essere compreso in quanto non segue perfettamente i crismi del buon elettrotecnico, mi sembra ovvio che una volta eccitata la bobina, i 4 deviatori del relè commutano contemporaneamente generando continuità su linee che prima erano interrotte e interrompendone altre che prima erano continue

Se poi devo distinguere i fili rossi + dai neri- lo farò, ma non credo sia determinante per essere compreso, ma mi sbaglierò
Avatar utente
Foto Utentedriko77
10 4
 
Messaggi: 44
Iscritto il: 21 ott 2012, 21:13

0
voti

[38] Re: relè? e che tipo di relè?

Messaggioda Foto Utentemarco438 » 31 ott 2012, 20:06

Mah. :-M
marco
Avatar utente
Foto Utentemarco438
37,1k 7 11 13
-EY Legend-
-EY Legend-
 
Messaggi: 16323
Iscritto il: 24 mar 2010, 15:09
Località: Versilia

0
voti

[39] Re: relè? e che tipo di relè?

Messaggioda Foto Utentemir » 31 ott 2012, 20:41

driko77 ha scritto:Grazie mir per lo schema..

prego, figurati; ma ricorda che il mio era solo uno schema di principio , diciamo a scopo didattico.
driko77 ha scritto:io mi sono complicato la vita decidendo di utilizzare un relè 12 V...

ma no, avresti inserito un'alimentatorino, mentre con il relè alla tensione di rete te lo sei risparmiato.
driko77 ha scritto:Scatta il differenziale, non si ripristina niente.

per ripristino mi riferivo che ci sia dopo tre ore un ritorno alla normalità= no temporali-no cattivo tempo-no mancanza tensione di rete-
driko77 ha scritto:Allora io credo che non voglia essere compreso in quanto non segue perfettamente i crismi del buon elettrotecnico,....

io invece credo che se si continua ad utilizzare ogni mezzo incomprensibile si continua a rimanere tali, cioè incomprensibili; il punto non è essere elettrotecnici o meno il punto è farsi capire, ed allora d'accordo non essere esperti ma per farsi capire occorre utilizzare mezzi idonei ed in questo caso per spiegare un possible circuito occorre rappresentarlo con uno schema e quest'ultimo non può essere improvvisato solo perché non si conosce l'utilizzo dei simboli, perché per poter rappresentare correttamente il funzionamento ed essere compreso da tutti deve rispettare quanto previsto per il disegno tecnico, cioè l'utilizzo corretto dei simboli ed il tipo di schema.
Lo schema che hai realizzato e continui a postare non è interpretabile può indicare tutto e niente, potresti provare a modifcare quello che ho realizzato io copiando il codice sorgente ed incollarlo in fidocadj e poi modificarlo.
Questo per dire che non è non sei compreso, ma è incomprensibile lo schema, è diversa la cosa.
a tal proposito ti invito a leggere le regole del forum in alto la finestra di colore rosa. ;-)
driko77 ha scritto:mi sembra ovvio....

dipende perché non è proprio cosi ovvio come pensi, ad esempio dipende dal tipo di contatto che utilizzi e se la bobbina è sempre eccitata o meno.
driko77 ha scritto:Se poi devo distinguere i fili rossi + dai neri- lo farò...

nello schema non è necessario, basta anche indicare le polarità per avere un riferimento.
ad esempio utilizzando i tuoi stessi simboli si poteva ottenere:
Avatar utente
Foto Utentemir
66,0k 9 12 13
G.Master EY
G.Master EY
 
Messaggi: 21870
Iscritto il: 19 ago 2004, 21:10

0
voti

[40] Re: relè? e che tipo di relè?

Messaggioda Foto Utentedriko77 » 1 nov 2012, 1:41

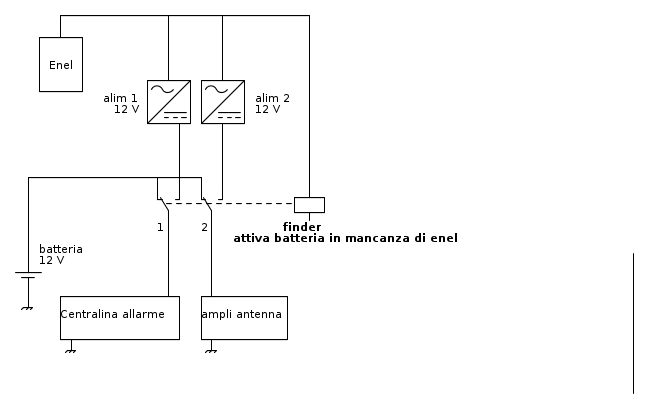
Bello il tuo schema mir, però se non si offende nessuno io la bobina del relè la vorrei alimentare con la DC 12 V a valle degli alimentatori.
mir ha scritto: o invece credo che se si continua ad utilizzare ogni mezzo incomprensibile si continua a rimanere tali, cioè incomprensibili; il punto non è essere elettrotecnici o meno il punto è farsi capire, ed allora d'accordo non essere esperti ma per farsi capire occorre utilizzare mezzi idonei ed in questo caso per spiegare un possible circuito occorre rappresentarlo con uno schema e quest'ultimo non può essere improvvisato solo perché non si conosce l'utilizzo dei simboli, perché per poter rappresentare correttamente il funzionamento ed essere compreso da tutti deve rispettare quanto previsto per il disegno tecnico, cioè l'utilizzo corretto dei simboli ed il tipo di schema.
Lo schema che hai realizzato e continui a postare non è interpretabile può indicare tutto e niente, potresti provare a modifcare quello che ho realizzato io copiando il codice sorgente ed incollarlo in fidocadj e poi modificarlo.
Questo per dire che non è non sei compreso, ma è incomprensibile lo schema, è diversa la cosa.
a tal proposito ti invito a leggere le regole del forum in alto la finestra di colore rosa.

Se no si conosce l'uso dei simboli tipo "le virgole" e quant'altro si rischia di essere incomprensibili.....
Avatar utente
Foto Utentedriko77
10 4
 
Messaggi: 44
Iscritto il: 21 ott 2012, 21:13

PrecedenteProssimo

Torna a Elettrotecnica generale

Chi c’è in linea

Visitano il forum: Nessuno e 102 ospiti