Cos'è ElectroYou | Login Iscriviti

ElectroYou - la comunità dei professionisti del mondo elettrico

filtro sallen key

Elettronica lineare e digitale: didattica ed applicazioni

Moderatori: Foto Utentecarloc, Foto Utenteg.schgor, Foto UtenteBrunoValente, Foto UtenteIsidoroKZ

0
voti

[11] Re: filtro sallen key

Messaggioda Foto Utentemarco438 » 31 ott 2012, 19:02

Teuzzo ha scritto:come mai il divieto di postare file in format fidocadj allora?

Perche' i file FidoCadJ non devono essere postati come immagini; se avessi letto fino in fondo le istruzioni, sapresti come fare.
Inoltre postando addirittura in zip costringi chi potrebbe aiutarti a perdere tempo per leggere lo schema e non e' possibile interagire ed eventualmente modificare lo schema stesso, senza doverlo ridisegnare.
Quindi, leggi le istruzioni fino alla fine e posta nel modo dovuto.
marco
Avatar utente
Foto Utentemarco438
37,1k 7 11 13
-EY Legend-
-EY Legend-
 
Messaggi: 16323
Iscritto il: 24 mar 2010, 15:09
Località: Versilia

3
voti

[12] Re: filtro sallen key

Messaggioda Foto UtenteIsidoroKZ » 31 ott 2012, 21:02

Teuzzo ha scritto:I stadio : op177gpz
II stadio: opa134pa


Avevo chiesto anche le librerie degli operazionali usati. Qui dai due modelli, e nello schema ne usi ancora uno diverso.

Ho messo il primo operazionale che ho trovato e a me sembra che la simulazione funzioni, anche se non e` una buona cosa far guadagnare cosi` tanto gli stadi alla Sallen-Key perche' diventa difficile il controllo del Q: la cella passa basso ha un peaking di 3dB.
Per usare proficuamente un simulatore, bisogna sapere molta più elettronica di lui
Plug it in - it works better!
Il 555 sta all'elettronica come Arduino all'informatica! (entrambi loro malgrado)
Se volete risposte rispondete a tutte le mie domande
Avatar utente
Foto UtenteIsidoroKZ
121,2k 1 3 8
G.Master EY
G.Master EY
 
Messaggi: 21059
Iscritto il: 17 ott 2009, 0:00

1
voti

[13] Re: filtro sallen key

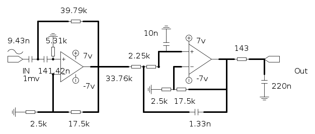
Messaggioda Foto Utenteadmin » 1 nov 2012, 1:21

Teuzzo ha scritto:come mai il divieto di postare file in format fidocadj allora?

Perché, come ti hanno detto, non si deve allegare lo schema come file, ma inserire il codice fcd direttamente nel messaggio tra i tag fcd.
Questo è il codice del tuo file zippato, inserito tra i tag detti
Codice: Seleziona tutto
[fcd][FIDOCAD]
FJC C 1.5
FJC L 0 -16777216 1.0
FJC L 1 -16777216 1.0
FJC L 3 -52 0.63
FJC L 10 -26317 1.0
FJC A 0.25
FJC B 0.25
MC 55 55 0 0 580
MC 140 50 0 0 580
MC 45 55 0 0 170
FCJ
TY 45 60 4 3 0 0 0 * 141.42n
TY 55 65 4 3 0 0 0 *
MC 35 55 0 0 170
FCJ
TY 25 40 4 3 0 0 0 * 9.43n
TY 45 65 4 3 0 0 0 *
SA 45 55 0
SA 55 55 0
SA 55 65 0
MC 55 45 0 0 115
MC 55 45 2 0 040
TY 50 40 5 3 0 0 0 * 5.31k
EV 55 50 55 55 0
EV 50 45 50 45 0
PL 55 65 55 90 1 0
PL 55 90 45 90 1 0
PL 55 90 65 90 1 0
PL 65 90 65 90 1 0
MC 45 90 1 0 115
FCJ
TY 40 95 4 3 0 0 0 * 2.5k
TY 55 100 4 3 0 0 0 *
MC 75 90 1 0 115
FCJ
TY 65 95 4 3 0 0 0 * 17.5k
TY 85 100 4 3 0 0 0 *
MC 35 90 1 0 040
PL 80 90 75 90 1 0
PL 80 90 85 90 1 0
PL 85 90 85 60 1 0
PL 85 60 80 60 1 0
PL 45 55 45 30 1 0
PL 45 30 65 30 1 0
MC 75 30 1 0 115
FCJ
TY 60 20 4 3 0 0 0 * 39.79k
TY 85 40 4 3 0 0 0 *
PL 75 30 85 30 1 0
PL 85 30 85 60 1 0
PL 85 60 100 60 1 0
PL 100 60 105 60 1 0
MC 115 60 1 0 115
FCJ
TY 90 65 4 3 0 0 0 * 33.76k
TY 125 70 4 3 0 0 0 *
MC 125 60 1 0 115
FCJ
TY 105 50 4 3 0 0 0 * 2.25k
TY 155 60 4 3 0 0 0 *
SA 115 60 0
PL 115 60 115 90 1 0
PL 115 90 145 90 1 0
MC 145 90 0 0 170
FCJ
TY 145 95 4 3 0 0 0 * 1.33n
TY 155 100 4 3 0 0 0 *
SA 125 60 0
PL 125 60 125 50 1 0
PL 125 50 140 50 1 0
MC 130 40 1 0 170
FCJ
TY 115 35 4 3 0 0 0 * 10n
TY 140 50 4 3 0 0 0 *
MC 130 40 2 0 040
PL 155 90 170 90 1 0
PL 170 90 170 55 1 0
PL 170 55 165 55 1 0
PL 140 60 135 60 1 0
PL 135 60 135 75 1 0
MC 135 75 1 0 115
FCJ
TY 120 80 4 3 0 0 0 * 2.5k
TY 145 85 4 3 0 0 0 *
MC 145 75 1 0 115
FCJ
TY 135 80 4 3 0 0 0 * 17.5k
TY 155 85 4 3 0 0 0 *
PL 145 75 170 75 1 0
MC 125 75 1 0 040
MC 25 55 0 0 073
FCJ
TY 35 60 4 3 0 0 0 * IN
TY 35 65 4 3 0 0 0 * 1mv
MC 185 55 1 0 115
FCJ
TY 175 45 4 3 0 0 0 * 143
TY 195 65 4 3 0 0 0 *
PL 170 55 175 55 1 0
PL 185 55 195 55 1 0
PL 195 55 195 55 1 0
PL 195 55 195 65 1 0
MC 195 65 1 0 170
FCJ
TY 200 70 4 3 0 0 0 * 220n
TY 205 75 4 3 0 0 0 *
MC 195 75 0 0 040
MC 205 55 2 0 073
FCJ
TY 215 60 4 3 0 0 0 * Out
TY 215 65 4 3 0 0 0 *
MC 25 50 0 0 070
MC 145 45 3 0 010
FCJ
TY 150 40 4 3 0 0 0 * 7v
TY 155 55 4 3 0 0 0 *
MC 70 55 3 0 010
FCJ
TY 75 50 4 3 0 0 0 * 7v
TY 80 65 4 3 0 0 0 *
MC 145 65 1 0 020
FCJ
TY 150 65 4 3 0 0 0 * -7v
TY 155 75 4 3 0 0 0 *
MC 70 65 1 0 020
FCJ
TY 75 70 4 3 0 0 0 * -7v
TY 80 75 4 3 0 0 0 *[/fcd]

e questo è il risultato, immediatamente riutilizzabile da chi ha intenzione di colllaborare
Avatar utente
Foto Utenteadmin
196,6k 9 12 17
Manager
Manager
 
Messaggi: 11950
Iscritto il: 6 ago 2004, 13:14

0
voti

[14] Re: filtro sallen key

Messaggioda Foto UtenteTeuzzo » 2 nov 2012, 13:37

Avatar utente
Foto UtenteTeuzzo
10 2
 
Messaggi: 22
Iscritto il: 15 giu 2010, 20:42

4
voti

[15] Re: filtro sallen key

Messaggioda Foto UtenteIsidoroKZ » 2 nov 2012, 14:23

Forse ho capito. I problemi li hai dal circuito reale, non in simulazione?

La ragione e` che con un guadagno cosi` alto la sensitivity dei parametri del circuito alle tolleranze dei componenti diventa decisamente importante: la tolleranza dei componenti puo` portare a un cambiamento elevato della funzione di trasferimento, incluse instabilita` e peaking.

Guarda ad esempio questo articolo, formule da 17 a 23.

I valori che hai messo come li hai ottenuti?

I valori dello schema con fidocadj sono diversi da quelli del file spice. Quali sono quelli giusti?

Inoltre l'OP177 non e` dei piu` adatti in quella applicazione: ha un prodotto guadagno banda proprio basso, potrebbe dare dei problemi, ma non ho verificato.

Il suggerimento migliore e` di fare un filtro con celle con guadagno basso (unitario o poco piu`) e poi guadagnare dopo.
Per usare proficuamente un simulatore, bisogna sapere molta più elettronica di lui
Plug it in - it works better!
Il 555 sta all'elettronica come Arduino all'informatica! (entrambi loro malgrado)
Se volete risposte rispondete a tutte le mie domande
Avatar utente
Foto UtenteIsidoroKZ
121,2k 1 3 8
G.Master EY
G.Master EY
 
Messaggi: 21059
Iscritto il: 17 ott 2009, 0:00

0
voti

[16] Re: filtro sallen key

Messaggioda Foto UtenteTeuzzo » 2 nov 2012, 16:51

sì sulla breadboard ho il problema. Guarda il confronto tra circuito simulato e breadboard. Per guadagni più bassi non ho questa differenza e nemmeno quel brutto picco a 4khz... Adesso mi leggo la guida. Grazie!
Allegati
gain10.jpg
gain10.jpg (15.65 KiB) Osservato 2698 volte
Avatar utente
Foto UtenteTeuzzo
10 2
 
Messaggi: 22
Iscritto il: 15 giu 2010, 20:42

0
voti

[17] Re: filtro sallen key

Messaggioda Foto UtenteTeuzzo » 2 nov 2012, 16:54

già che ci sono vi facciovedere la differenza nel caso di guadagni più bassi : 3,5 , 4 , 5
Allegati
gain5.jpg
gain5.jpg (16.44 KiB) Osservato 2698 volte
gain4.jpg
gain4.jpg (16.98 KiB) Osservato 2698 volte
gain3.5.jpg
gain3.5.jpg (15.98 KiB) Osservato 2698 volte
Avatar utente
Foto UtenteTeuzzo
10 2
 
Messaggi: 22
Iscritto il: 15 giu 2010, 20:42

1
voti

[18] Re: filtro sallen key

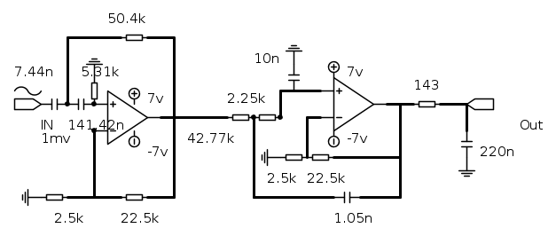
Messaggioda Foto UtenteTeuzzo » 2 nov 2012, 17:00

I valori veri sono quelli di Spice (ottenuti tramite filterpro). Ho sbagliato a ripoortarli su Fidocad :cry:
Ecco la versione giusta:
Avatar utente
Foto UtenteTeuzzo
10 2
 
Messaggi: 22
Iscritto il: 15 giu 2010, 20:42

2
voti

[19] Re: filtro sallen key

Messaggioda Foto UtenteIsidoroKZ » 2 nov 2012, 21:44

Ci sono delle sensitivities molto alte, dalle parti di 10 e per questo motivo il filtro non e` realizzabile in quel modo. Il guadagno di ciascuna delle due celle e` decisamente troppo alto.

Il polo in uscita mi sembra che carichi un po' troppo l'operazionale, avendo una impedenza di ingresso di 200ohm.

Mi pare buffo che un programma che si chiama FilterPRO lasci fare dei progetti cosi` sballati e non calcoli le sensitvities. Ma in TI non hanno mai capito molto di analogica :-).
Per usare proficuamente un simulatore, bisogna sapere molta più elettronica di lui
Plug it in - it works better!
Il 555 sta all'elettronica come Arduino all'informatica! (entrambi loro malgrado)
Se volete risposte rispondete a tutte le mie domande
Avatar utente
Foto UtenteIsidoroKZ
121,2k 1 3 8
G.Master EY
G.Master EY
 
Messaggi: 21059
Iscritto il: 17 ott 2009, 0:00

0
voti

[20] Re: filtro sallen key

Messaggioda Foto UtenteTeuzzo » 3 nov 2012, 11:33

ehm cosa intendi per "Il polo in uscita mi sembra che carichi un po' troppo l'operazionale, avendo una impedenza di ingresso di 200ohm. "?
Grazie mille per l'aiuto!
Avatar utente
Foto UtenteTeuzzo
10 2
 
Messaggi: 22
Iscritto il: 15 giu 2010, 20:42

PrecedenteProssimo

Torna a Elettronica generale

Chi c’è in linea

Visitano il forum: Majestic-12 [Bot] e 53 ospiti