Gate di un mosfet assorbe corrente??
Moderatori:
carloc,
g.schgor,
BrunoValente,
IsidoroKZ
41 messaggi
• Pagina 2 di 5 • 1, 2, 3, 4, 5
0
voti
Seguendo lo schema i 5v del micro li userei solo per saturare le basi dei BJT e sul collettore del BJT npn(vcc) darei i 10v necessari ad accendere il MOS. Potrebbe funzionare?
1
voti
No perche' quello stadio non guadagna in tensione, essendo in configurazione collettore comune.
Usa un logic level.
Usa un logic level.
Per usare proficuamente un simulatore, bisogna sapere molta più elettronica di lui
Plug it in - it works better!
Il 555 sta all'elettronica come Arduino all'informatica! (entrambi loro malgrado)
Se volete risposte rispondete a tutte le mie domande
Plug it in - it works better!
Il 555 sta all'elettronica come Arduino all'informatica! (entrambi loro malgrado)
Se volete risposte rispondete a tutte le mie domande
0
voti
Ok, peccato perché il primo negozio a disposizione è "vicino" 40Km quindi mi tocca ordinare da un negozio on-line
1
voti
Puoi provare a collegare direttamente un IRF520 all'uscita del micro. Se il MOS non e` venuto tanto "sordo" e il carico non e` molto elevato, potrebbe farcela, scaldando un pochino. Verifica che non scaldi troppo.
Per usare proficuamente un simulatore, bisogna sapere molta più elettronica di lui
Plug it in - it works better!
Il 555 sta all'elettronica come Arduino all'informatica! (entrambi loro malgrado)
Se volete risposte rispondete a tutte le mie domande
Plug it in - it works better!
Il 555 sta all'elettronica come Arduino all'informatica! (entrambi loro malgrado)
Se volete risposte rispondete a tutte le mie domande
0
voti
Grazie mille
IsidoroKZ avendo a disposizione ancora tre superstiti li proverò tutti e spero di averne uno che ci "sente" bene
Intanto ho scaricato il datasheet dell'IRL520 per cercare di capirne le differenze
Intanto ho scaricato il datasheet dell'IRL520 per cercare di capirne le differenze
0
voti
Ho provato tutti e tre i MOS collegando il pin direttamente al gate con la resistenza tra gate e source e due su tre accendono la lampada in maniera appena percettibile
Non capisco perché i 5v erogati dal PIC sono insufficienti mentre quelli erogati direttamente dall'alimentatore danno i risultati previsti....a questo punto penso proprio che è la corrente che eroga il micro a non essere sufficiente a caricare la capacità di ingresso del MOS o sbaglio? perché quando il pin collegato al gate va a livello alto la tensione scende a circa 2v?
Non capisco perché i 5v erogati dal PIC sono insufficienti mentre quelli erogati direttamente dall'alimentatore danno i risultati previsti....a questo punto penso proprio che è la corrente che eroga il micro a non essere sufficiente a caricare la capacità di ingresso del MOS o sbaglio? perché quando il pin collegato al gate va a livello alto la tensione scende a circa 2v?
0
voti
stainless ha scritto:Non capisco perché i 5 V erogati dal PIC sono insufficienti mentre quelli erogati direttamente dall'alimentatore danno i risultati previsti
IsidoroKZ ha scritto:Dal micro escono al massimo 5 V, mentre l'IRF520 ha bisogno di 10V per accendersi bene. A 5 V si accendicchia
Dal datasheet devi guardare i valori di test per
.È ovvio che se applichi una tensione di 12V tra Gate e Source si accende bene.
EDIT: un MOSFET che potresti usare è questo.
stainless ha scritto:perché quando il pin collegato al gate va a livello alto la tensione scende a circa 2v?
A quale tensione ti riferisci?
PS: Dal primo schema, non manca un resistore in serie al LED sul MOS?
1
voti
Perche' hai qualcosa che non va nel collegamento oppure nei MOS o nel microcontrollore. Ad esempio i negativi del 12V e del 5V sono collegati insieme? Sei sicuro di aver letto correttamente la piedinatura del MOS?
L'uscita che hai collegato al gate, quando e` libera, va a 5V? L'uscita e` a livello alto costante oppure modulata in PWM?
L'uscita che hai collegato al gate, quando e` libera, va a 5V? L'uscita e` a livello alto costante oppure modulata in PWM?
Per usare proficuamente un simulatore, bisogna sapere molta più elettronica di lui
Plug it in - it works better!
Il 555 sta all'elettronica come Arduino all'informatica! (entrambi loro malgrado)
Se volete risposte rispondete a tutte le mie domande
Plug it in - it works better!
Il 555 sta all'elettronica come Arduino all'informatica! (entrambi loro malgrado)
Se volete risposte rispondete a tutte le mie domande
0
voti
Tra gate e source ci sono 5v che tiro fuori dal pin RB7 comandato in on-off tramite pulsante (non in PWM che per il momento ho messo da parte in attesa di risolvere semplicemente con il pin a livello alto). Questa configurazione non è presente nello schema del primo post perché è un test che ho fatto successivamente ed è su questo pin che la tensione si abbassa ad un valore di circa 2 volt quando, collegato direttamente al gate, passa a livello alto.
Lo stesso pin quando è libero dà proprio 5v.
I riferimenti delle alimentazioni sono collegati insieme e la piedinatura l'ho ricontrollata.
I 5v che fanno accendere il MOS come dovrebbe sono gli stessi che alimentano la scheda di sviluppo che ospita il micro e li uso al posto di quelli erogati dal pin RB7 per verificare la differenza di funzionamento.
per [user]gohan[/user], il led è in realtà una lampada da 24 led che funziona a 12v come ho scritto nel primo post
Lo stesso pin quando è libero dà proprio 5v.
I riferimenti delle alimentazioni sono collegati insieme e la piedinatura l'ho ricontrollata.
I 5v che fanno accendere il MOS come dovrebbe sono gli stessi che alimentano la scheda di sviluppo che ospita il micro e li uso al posto di quelli erogati dal pin RB7 per verificare la differenza di funzionamento.
per [user]gohan[/user], il led è in realtà una lampada da 24 led che funziona a 12v come ho scritto nel primo post
0
voti
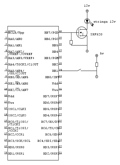
Per spiegarmi meglio questo è lo schema che non funziona
l'uscita RB7 cambia di stato alla pressione del pulsante su RB1;
questo invece lo schema che funziona
entrambe le soluzioni hanno sul gate la stessa tensione ma nel primo caso con RB7 a livello alto la tensione si abbassa a circa 2v mentre nel secondo caso tutto funziona
l'uscita RB7 cambia di stato alla pressione del pulsante su RB1;
questo invece lo schema che funziona
entrambe le soluzioni hanno sul gate la stessa tensione ma nel primo caso con RB7 a livello alto la tensione si abbassa a circa 2v mentre nel secondo caso tutto funziona
41 messaggi
• Pagina 2 di 5 • 1, 2, 3, 4, 5
Chi c’è in linea
Visitano il forum: Nessuno e 104 ospiti

Elettrotecnica e non solo (admin)
Un gatto tra gli elettroni (IsidoroKZ)
Esperienza e simulazioni (g.schgor)
Moleskine di un idraulico (RenzoDF)
Il Blog di ElectroYou (webmaster)
Idee microcontrollate (TardoFreak)
PICcoli grandi PICMicro (Paolino)
Il blog elettrico di carloc (carloc)
DirtEYblooog (dirtydeeds)
Di tutto... un po' (jordan20)
AK47 (lillo)
Esperienze elettroniche (marco438)
Telecomunicazioni musicali (clavicordo)
Automazione ed Elettronica (gustavo)
Direttive per la sicurezza (ErnestoCappelletti)
EYnfo dall'Alaska (mir)
Apriamo il quadro! (attilio)
H7-25 (asdf)
Passione Elettrica (massimob)
Elettroni a spasso (guidob)
Bloguerra (guerra)





