Cos'è ElectroYou | Login Iscriviti

ElectroYou - la comunità dei professionisti del mondo elettrico

Uscita negativa operazionale

Elettronica lineare e digitale: didattica ed applicazioni

Moderatori: Foto Utentecarloc, Foto Utenteg.schgor, Foto UtenteBrunoValente, Foto UtenteIsidoroKZ

0
voti

[1] Uscita negativa operazionale

Messaggioda Foto UtenteAndryBest » 3 nov 2012, 22:33

Ciao a tutti. O_/

Ultimamente sto lavorando ad un progetto che si occupa di monitorare alcune tensioni attraverso un PIC e di inviarle al computer.
Queste tensioni sono divise in due gruppi, positive e negative; in pratica ho 6 input a circa 8.5V e altri 6 a -8.5V.
Per poterle leggere dal PIC, il cui adc va da 0V a +5V, le sto prima facendo passare per un operazionale, come buffer per le positive e come invertente a guadagno unitario per le negative. Infine il tutto passa per un partitore di tensione che divide per 3, ottenendo 2.8V circa.

Ora il dubbio che mi è sorto è questo: per questioni pratiche capiterà di disconnettere alcuni input lasciando la scheda accesa. Questo suppongo porterà gli ingressi degli operazionali a tensioni casuali dovute al rumore.
Quindi è possibile che gli stadi invertitori processino questa tensione positiva convertendola in negativa, per poi ritrovarla sugli ingressi del PIC? :shock: Perché sul datasheet è chiaramente indicato che le tensioni dell'adc devono essere necessariamente positive...

Per maggior chiarezza allego un frammento di schema...

P.S.: La resistenza indicata dalla freccia rossa è necessaria? :? Perché ho visto che in alcuni schemi viene messa, imponendo che sia uguale al valore delle resistenze del guadagno poste in parallelo. Se collegassi direttamente l'ingresso a massa cambierebbe qualcosa?
opamp.png
opamp.png (15.85 KiB) Osservato 7893 volte

Grazie in anticipo! :D
Avatar utente
Foto UtenteAndryBest
25 2
 
Messaggi: 16
Iscritto il: 4 lug 2011, 14:57

3
voti

[2] Re: Uscita negativa operazionale

Messaggioda Foto UtenteGuidoB » 4 nov 2012, 1:23

Ciao,
AndryBest ha scritto:Questo suppongo porterà gli ingressi degli operazionali a tensioni casuali dovute al rumore.

No, l'uscita di U4A si porterà al massimo valore positivo, perché a ingresso scollegato, con l'operazionale utilizzato con stadio di ingresso a PNP, la corrente di base del PNP dell'ingresso + è nulla.
Se vuoi che vada a massa, devi collegare tra ingresso e massa una resistenza di pull-down, per esempio da 10 k.
L'uscita di U9A invece andrà a massa.

AndryBest ha scritto:P.S.: La resistenza indicata dalla freccia rossa è necessaria? :? Perché ho visto che in alcuni schemi viene messa, imponendo che sia uguale al valore delle resistenze del guadagno poste in parallelo. Se collegassi direttamente l'ingresso a massa cambierebbe qualcosa?

Quella resistenza serve a minimizzare (idealmente annullare) l'offset di tensione provocato dalle correnti di bias dei due transistor d'ingresso dell'amplificatore operazionale reale, facendo loro attraversare resistenze equivalenti uguali.
Poi ci sono altri offset dovuti ad altre cause (per esempio alla differenza tra le due correnti di bias e tra le Vbe di soglia dei transistor d'ingresso, che non vengono mai identici).

Ti ricordo la regola generale del forum di inserire gli schemi elettrici in formato sorgente Fidocadj, per permetterne la modificabilità da parte di altri utenti.
Big fan of ƎlectroYou!       Ausili per disabili e anziani su ƎlectroYou
Caratteri utili: À È É Ì Ò Ó Ù α β γ δ ε η θ λ μ π ρ σ τ φ ω Ω º ª ² ³ √ ∛ ∜ ₀ ₁ ₂ ₃ ₄ ₅ ₆ ∃ ∄ ∆ ∈ ∉ ± ∓ ∾ ≃ ≈ ≠ ≤ ≥
Avatar utente
Foto UtenteGuidoB
17,8k 7 12 13
G.Master EY
G.Master EY
 
Messaggi: 2809
Iscritto il: 3 mar 2011, 16:48
Località: Madrid

2
voti

[3] Re: Uscita negativa operazionale

Messaggioda Foto UtenteIsidoroKZ » 4 nov 2012, 1:51

AndryBest ha scritto:Per maggior chiarezza allego un frammento di schema...


Se lo avessi allegato in fidocad avrei potuto modificarlo mostrando come mettere delle protezioni nel caso in cui capitasse qualcosa di strano e non previsto in fase di progetto. Ad esempio connettori collegati all'ingresso sbagliato, dita che vanno dove non dovrebbero...
Per usare proficuamente un simulatore, bisogna sapere molta più elettronica di lui
Plug it in - it works better!
Il 555 sta all'elettronica come Arduino all'informatica! (entrambi loro malgrado)
Se volete risposte rispondete a tutte le mie domande
Avatar utente
Foto UtenteIsidoroKZ
121,2k 1 3 8
G.Master EY
G.Master EY
 
Messaggi: 21059
Iscritto il: 17 ott 2009, 0:00

1
voti

[4] Re: Uscita negativa operazionale

Messaggioda Foto UtenteAndryBest » 4 nov 2012, 2:19

Grazie Foto UtenteGuidoB, mi hai chiarito parecchio le idee! :D

GuidoB ha scritto:[...] Ti ricordo la regola generale del forum di inserire gli schemi elettrici in formato sorgente Fidocadj, per permetterne la modificabilità da parte di altri utenti.

Sì, scusa, hai ragione!
Sinceramente non ci avevo neanche pensato... :oops: Dato che avevo lo schema già pronto su Orcad ho giusto fatto uno screen...

Ora provo a rifarlo con Fidocad e vi posto il risultato!



IsidoroKZ ha scritto:
AndryBest ha scritto:Per maggior chiarezza allego un frammento di schema...


Se lo avessi allegato in fidocad avrei potuto modificarlo mostrando come mettere delle protezioni nel caso in cui capitasse qualcosa di strano e non previsto in fase di progetto. Ad esempio connettori collegati all'ingresso sbagliato, dita che vanno dove non dovrebbero...


Grazie, sarebbe veramente magnifico!! :ok: Anche perché la scheda verrà usata da personale non proprio "addestrato"! :roll:

EDIT:
-----------------------------------------------------------------------------------------------------------------------------------
Ecco lo schema!
Avatar utente
Foto UtenteAndryBest
25 2
 
Messaggi: 16
Iscritto il: 4 lug 2011, 14:57

7
voti

[5] Re: Uscita negativa operazionale

Messaggioda Foto UtenteIsidoroKZ » 4 nov 2012, 9:51

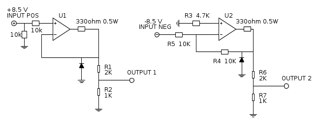
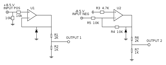
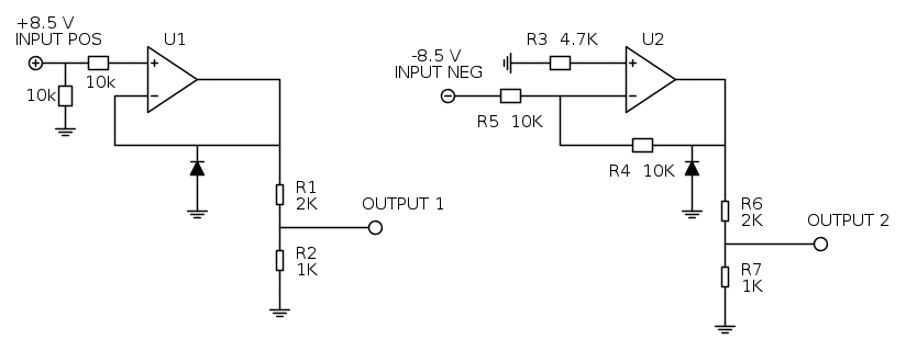
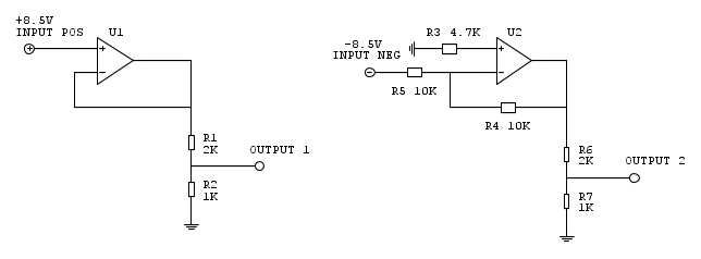
Questa e` la complicata protezione:



Il diodo in uscita all'operazionale impedisce che la tensione scenda al di sotto di -0.7V. Il partitore che hai messo riduce questo valore dalle parti di -300mV che per l'ingresso del micro vanno bene.

Se invece l'uscita va al massimo valore positivo (15V? 12V?) la riduzione di un fattore 3 da` 5V all'uscita del partitore: sono OK per te?

Il 358 e` certificato per tenere i cortocircuiti verso 0V per un tempo illimitato. Se invece prevedi che entrambi gli operazionali possano andare in negativo (ingressi scambiati), allora meglio aggiungere le R da 330ohm come in questo schema



Queste resistenze da 330ohm non cambiano il partitore di uscita, che divide sempre per 3 il valore della tensione di ingresso.

Ho poi aggiunto due resistenze all'ingresso del canale non invertente. La R in parallelo al segnale ha due scopi: rende l'impedenza di ingresso del canale positivo uguale a quella del canale negativo, e soprattutto fa si` che se non si collega l'ingresso del +8.5V la tensione di uscita dell'operazionale va a zero, che e` lo stesso comportamento del canale per la tensione negativa.

La resistenza in serie all'ingresso dell'operazionale invece serve come protezione: se si ha una tensione elevata in ingresso (di breve durata), la resistenza in serie limita la corrente di ingresso all'operazionale, corrente che passa attraverso i diodi di protezione del 358, diodi che non sono robustissimi, ma qualche decina di milliampere li tengono.
Per usare proficuamente un simulatore, bisogna sapere molta più elettronica di lui
Plug it in - it works better!
Il 555 sta all'elettronica come Arduino all'informatica! (entrambi loro malgrado)
Se volete risposte rispondete a tutte le mie domande
Avatar utente
Foto UtenteIsidoroKZ
121,2k 1 3 8
G.Master EY
G.Master EY
 
Messaggi: 21059
Iscritto il: 17 ott 2009, 0:00

0
voti

[6] Re: Uscita negativa operazionale

Messaggioda Foto UtenteAndryBest » 5 nov 2012, 17:31

Grazie Foto UtenteIsidoroKZ!

Solo una cosa: purtroppo mi sono reso conto che l'output da cui prenderò queste tensioni è ad alta impedenza. E quando dico alta, intendo proprio ALTA! :mrgreen:
Stamattina ho preso un multimetro, l'ho collegato direttamente e ho letto 5.6V; quindi ho messo in parallelo una resistenza da 47Kohm per simulare l'impedenza di ingresso degli op. (e non da 10K come avevo messo nello schema) e la tensione è precipitata a 0.2V :shock:
Spannometricamente penso di dover salire nell'ordine dei Mohm, ma si può fare? Gli operazionali funzionano se uso resistenze di controreazione da 10Mohm? Ad esempio usando gli LM224A che parametro dei datasheet devo guardare per calcolarmi la resistenza massima utilizzabile?
Oppure mi conviene cambiare completamente tecnica di approccio?

Più vado avanti, più mi rendo conto della mia ignoranza! :lol:
Avatar utente
Foto UtenteAndryBest
25 2
 
Messaggi: 16
Iscritto il: 4 lug 2011, 14:57

1
voti

[7] Re: Uscita negativa operazionale

Messaggioda Foto UtenteIsidoroKZ » 5 nov 2012, 18:11

Da dove arrivano le tensioni? Che cosa le genera?
Per usare proficuamente un simulatore, bisogna sapere molta più elettronica di lui
Plug it in - it works better!
Il 555 sta all'elettronica come Arduino all'informatica! (entrambi loro malgrado)
Se volete risposte rispondete a tutte le mie domande
Avatar utente
Foto UtenteIsidoroKZ
121,2k 1 3 8
G.Master EY
G.Master EY
 
Messaggi: 21059
Iscritto il: 17 ott 2009, 0:00

0
voti

[8] Re: Uscita negativa operazionale

Messaggioda Foto UtenteAndryBest » 5 nov 2012, 18:30

IsidoroKZ ha scritto:Da dove arrivano le tensioni? Che cosa le genera?


Ad essere sincero lo so al 50%...
Praticamente è uno scatolotto "custom" elevatore di tensione che moltiplica X2000 la tensione con cui viene alimentato. Ce l'ha costruito il CERN e lo usiamo in laboratorio per alimentare alcuni MRPC (camera a ionizzazione per rilevamento di muoni).
Dentro il suddetto scatolotto c'è ovviamente il modulo vero e proprio di cui però ignoro sia marca che modello.
Forse domani posso passare e vedere se ne abbiamo qualcuno non in uso, così lo smonto e vedo cosa c'è dentro.

Ad ogni modo in uscita fornisce due tensioni: una in V pari ai kV di output e una, sempre in V, pari ai uA assorbiti dal carico


Esternamente si presenta come la foto in allegato ma come già detto non si vede nulla...
Da qualche parte avevo un'altra foto dove era aperto e si intravedeva il contenuto; se la trovo la posto...
Allegati
conv.jpg
conv.jpg (48.64 KiB) Osservato 7781 volte
Avatar utente
Foto UtenteAndryBest
25 2
 
Messaggi: 16
Iscritto il: 4 lug 2011, 14:57

0
voti

[9] Re: Uscita negativa operazionale

Messaggioda Foto UtentePioz » 5 nov 2012, 18:36

con un buffer all ingresso?
Al massimo se hai picci elevati, metti uno zener in parallelo che ti protegge dalle sovratensioni...
Però non so se poi hai problemi di altri offset...
Avatar utente
Foto UtentePioz
629 4 8
Expert
Expert
 
Messaggi: 568
Iscritto il: 11 ago 2011, 21:56

6
voti

[10] Re: Uscita negativa operazionale

Messaggioda Foto UtenteIsidoroKZ » 5 nov 2012, 18:44

Se vuoi recuperare il circuito di prima, metti davanti per ogni canale un buffer almeno jfet o anche MOS come front end usati come voltage followers.

Eventualmente puoi mettere una resistenza alta fra ingresso e gnd se vuoi tenere la tensione a 0V quando non c'e` nulla di collegato. Alta vuol dire ad esempio 10Mohm, con un ingresso a MOS non dovrebbe dare problemi. Ma non so se e` abbastanza alta da non caricare il circuito.

Qual e` l'impedenza di ingresso del multimetro? Puoi farti dire dal costruttore le specifiche? Se non riesci a farti dire le specifiche puoi misurare la impedenza di uscita misurando la tensione di uscita con un multimetro di cui sai l'impedenza di ingresso. Poi metti una resistenza elevata (ad esempio 10Mohm) in parallelo e rimisuri la tensione. Con due misure, sapendo il valore della resistenza interna del multimetro e quella del resitore aggiunto puoi calcolare la resistenza interna della sorgente e la tensione a vuoto.

Dopo il voltage follower metti i due operazionali di prima.

Oppure si puo` rifare il circuito usando per il canale positivo un operazionale collegato a voltage follower e direttamente la partizione sull'uscita per andare sul microcontrollore.

All'uscita dell'altro voltage follower, quello per il canale negativo, metti un amplificatore invertente, magari con guadagno di -1, poi il solito partitore che rende la protezione facile da fare e vai sull'ingresso del micro.
Per usare proficuamente un simulatore, bisogna sapere molta più elettronica di lui
Plug it in - it works better!
Il 555 sta all'elettronica come Arduino all'informatica! (entrambi loro malgrado)
Se volete risposte rispondete a tutte le mie domande
Avatar utente
Foto UtenteIsidoroKZ
121,2k 1 3 8
G.Master EY
G.Master EY
 
Messaggi: 21059
Iscritto il: 17 ott 2009, 0:00

Prossimo

Torna a Elettronica generale

Chi c’è in linea

Visitano il forum: Nessuno e 58 ospiti