Quale non vedi? ci sono tutti.Comunque i valori sono
R1=68kohm R2=1,2Kohm R5=R4=270ohm
C1= 10uf C2= 1nf (0,001uf)
con fidocadj ho provato a fare lo sbroglio che volevo mettere in pratica io,eccolo:
ho provato vari modi,ma questo è con meno incroci ma è abbastanza incasinato
Alimentazione circuiti e led
Moderatori:
carloc,
g.schgor,
BrunoValente,
IsidoroKZ
0
voti
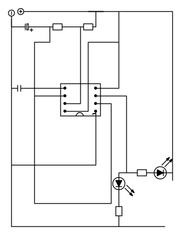
Penso che non sia una presa jack, ma un deviatore (visto dall'alto).
Sta usando uno schema senza trimmer, tipo questo (credo, sto andando a lettura della foto):
Ma i valori sono tutti sballati, ovvero diversi. Questo schema che ho riportato funziona a circa 2 Hz, DC = 60%.
I colori dovrebbero essere:
R1 = 10K = MARRONE-NERO-ARANCIO
R2 = 33K = ARANCIO-ARANCIO-ARANCIO
R3 = R4 = 220 = ROSSO-ROSSO-MARRONE
C1 = 10u , c'è scritto proprio 10u, occhio alla polarita', la banda (- - -) va verso massa
C2 = 0.01u, c'è scritto .01, non ha polarita' inseriscilo come vuoi
I led hanno polarita', controlla che siano inseriti correttamente (guardando lo schema, i positivi verso l'alto).
L'integrato penso sappia gia' come sono messi i piedini.
Schema di montaggio (tutto è visto dall'alto, unico ponte con filo coperto è sotto il 555).
Mi raccomando i valori dei componenti, e se ce l'hai controlla tutto un un tester, ogni componente e pista che connetti controllala per vedere se veramente è connnessa.
PS Se vuoi usare i tuoi valori, puoi usare lo stesso posizionamento, non c'è problema ma controlla che i valori dei resistori siano corretti... putroppo dalla foto i colori non riesco a vederli.
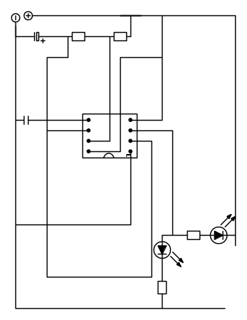
Sta usando uno schema senza trimmer, tipo questo (credo, sto andando a lettura della foto):
Ma i valori sono tutti sballati, ovvero diversi. Questo schema che ho riportato funziona a circa 2 Hz, DC = 60%.
I colori dovrebbero essere:
R1 = 10K = MARRONE-NERO-ARANCIO
R2 = 33K = ARANCIO-ARANCIO-ARANCIO
R3 = R4 = 220 = ROSSO-ROSSO-MARRONE
C1 = 10u , c'è scritto proprio 10u, occhio alla polarita', la banda (- - -) va verso massa
C2 = 0.01u, c'è scritto .01, non ha polarita' inseriscilo come vuoi
I led hanno polarita', controlla che siano inseriti correttamente (guardando lo schema, i positivi verso l'alto).
L'integrato penso sappia gia' come sono messi i piedini.
Schema di montaggio (tutto è visto dall'alto, unico ponte con filo coperto è sotto il 555).
Mi raccomando i valori dei componenti, e se ce l'hai controlla tutto un un tester, ogni componente e pista che connetti controllala per vedere se veramente è connnessa.
PS Se vuoi usare i tuoi valori, puoi usare lo stesso posizionamento, non c'è problema ma controlla che i valori dei resistori siano corretti... putroppo dalla foto i colori non riesco a vederli.
-

rusty
4.075 2 9 11 - Utente disattivato per decisione dell'amministrazione proprietaria del sito
- Messaggi: 1578
- Iscritto il: 25 gen 2009, 13:10
0
voti
Ciao
rusty, se mi dicevi che avevi intenzione di fare lo sbroglio, mi risparmiavo un quarto d'ora di lavoro
Speriamo che il nostro amico lo segua fedelmente e che i valori dei componenti siano quelli giusti (io i colori delle resistenze non li vedo proprio!)
Se comunque,
razielmitico, hai usato i valori esposti, e' possibile che il tuo circuito funzioni; tuttavia, visto che
( 0.0083 sec) e' tanto veloce da essere impercettibile, e' possibile tu veda solo un led sempre acceso.
Speriamo che il nostro amico lo segua fedelmente e che i valori dei componenti siano quelli giusti (io i colori delle resistenze non li vedo proprio!)
Se comunque,
( 0.0083 sec) e' tanto veloce da essere impercettibile, e' possibile tu veda solo un led sempre acceso.marco
0
voti
Oh scusami
marco438, non avevo idea che lo stessi facendo ora.
Si se i valori che ha "saldato" son quelli hai voglia, il led rimane sempre acceso, e l'altro sempre spento
Si se i valori che ha "saldato" son quelli hai voglia, il led rimane sempre acceso, e l'altro sempre spento

-

rusty
4.075 2 9 11 - Utente disattivato per decisione dell'amministrazione proprietaria del sito
- Messaggi: 1578
- Iscritto il: 25 gen 2009, 13:10
0
voti
Figurati
rusty, nessun problema; tra l'altro il tuo risulta piu' chiaro. 
Puo' comunque invertire le resistenze (R1/1.2, R2/68k) ed ottenere un lampeggio con T di un secondo.
Puo' comunque invertire le resistenze (R1/1.2, R2/68k) ed ottenere un lampeggio con T di un secondo.
marco
0
voti
Si so che con quei valori la DC è di 60% ma volevo mettere quelli propio perché li avevo calcolati io XD comunque vi sbagliato il lampeggio si vede e come,è abbastanza veloce ma si precepisce,prima di montare il tutto avevo fatto la prova su breadboard,se cambio i valori (ovvero prima 1,2 e poi 68k o prima 68k e poi 1.2) la differenza è sostanziale? perché sinceramente adesso non ricordo quale avevo messo come R1 sulla breadboard
-

razielmitico
-10 5 - Frequentatore

- Messaggi: 153
- Iscritto il: 23 ott 2012, 22:59
0
voti
razielmitico ha scritto:se cambio i valori (ovvero prima 1,2 e poi 68k o prima 68k e poi 1.2) la differenza è sostanziale? perché sinceramente adesso non ricordo quale avevo messo come R1 sulla breadboard
Se inverti le resistenze ottieni:




Io, comunque, ancora non ho capito cosa tu voglia fare e sinceramente mi sono un po' stancato di seguirti.
Cerca di prendere una decisione - che sia valida - e portala a termine.
marco
0
voti
Voglio riprodurre quel circuito sul millefori,fine XD con i valori che ho pubblicato io (1,2,68 e 10uf) il lampeggio si vede e come,posso dirlo per certo perché ho provato prima il circuito su breadboard,adesso provo a riprodurlo con più ordine.Grazie a tutti dei consigli della disponibilità e della pazienza XD
-

razielmitico
-10 5 - Frequentatore

- Messaggi: 153
- Iscritto il: 23 ott 2012, 22:59
0
voti
razielmitico ha scritto: con i valori che ho pubblicato io (1,2,68 e 10uf) il lampeggio si vede e come,posso dirlo per certo perché ho provato prima il circuito su breadboard,adesso provo a riprodurlo con più ordine.
Si ma quando li hai scritti prima i valori delle resistenze erano invertiti.
marco
0
voti
Nella millefori come R1 ho messo 68k e come R2 ho messo 1,2k,magari è propio per questo che vedo luce fissa come detto da voi.Prima di portare il circuito su millefori però io ho provato sulla breadboard ma non ricordo se come R1 ho presso 1,2k o 68k.Sicuramente,per autovalutarmi,è un macello assurdo XD devo fare tutto molto più sistemato sicuramente.Domani prima della realizzazione del nuovo circuito provo a sistemare quello invertendo i resistori.
Ho anche rifatto i calcoli (anche se li avete gia fatti voi) per ton e toff nei due casi,così per esercizio.
Grazie sempre a tutti per la disponibilità e il grandissimo aiuto!
Ho anche rifatto i calcoli (anche se li avete gia fatti voi) per ton e toff nei due casi,così per esercizio.
Grazie sempre a tutti per la disponibilità e il grandissimo aiuto!
-

razielmitico
-10 5 - Frequentatore

- Messaggi: 153
- Iscritto il: 23 ott 2012, 22:59
Chi c’è in linea
Visitano il forum: Nessuno e 34 ospiti

Elettrotecnica e non solo (admin)
Un gatto tra gli elettroni (IsidoroKZ)
Esperienza e simulazioni (g.schgor)
Moleskine di un idraulico (RenzoDF)
Il Blog di ElectroYou (webmaster)
Idee microcontrollate (TardoFreak)
PICcoli grandi PICMicro (Paolino)
Il blog elettrico di carloc (carloc)
DirtEYblooog (dirtydeeds)
Di tutto... un po' (jordan20)
AK47 (lillo)
Esperienze elettroniche (marco438)
Telecomunicazioni musicali (clavicordo)
Automazione ed Elettronica (gustavo)
Direttive per la sicurezza (ErnestoCappelletti)
EYnfo dall'Alaska (mir)
Apriamo il quadro! (attilio)
H7-25 (asdf)
Passione Elettrica (massimob)
Elettroni a spasso (guidob)
Bloguerra (guerra)



