francos ha scritto:Quindi la simmetria in tensione su di un segnale bilanciato non è incisiva sulla qualità del segnale a fine catena ?
Il concetto di bilanciamento, come detto, non si applica al segnale ma alle impedenze. Le tensioni sui due conduttori caldo e freddo hanno una componente di modo differenziale, che è quella utile, e una componente di modo comune, che costituisce un disturbo (poi di disturbi se ne possono aggiungere altri, generati esternamente): se la componente di modo comune è nulla, è meglio. Se vuoi analizzare la tua sorgente, invece delle prove che hai fatto, misura, con i due canali dell'oscilloscopio, la differenza e la somma delle tensioni dei due conduttori rispetto al riferimento.
francos ha scritto:siccome non ho ben capito , io ho inteso questo (parte della tensione di modo comune viene trasferita al modo differenziale ) sicuramente sbagliando
Stai sbagliando

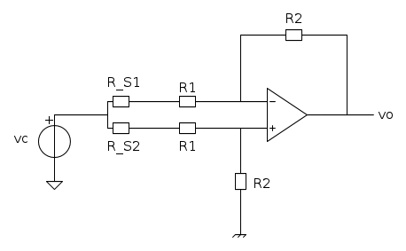
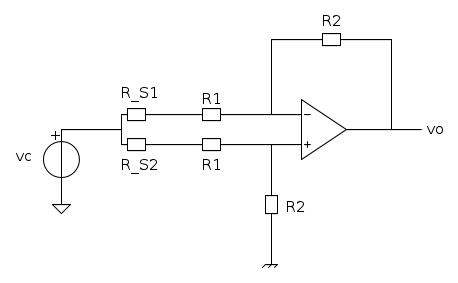
I dettagli dell'amplificatore non interessano, in [4] tutto l'amplificatore è modellato dalle impedenze

,

e

e il trasferimento da modo comune a modo differenziale è un fenomeno che avviene nel collegamento tra sorgente e amplificatore, non all'interno dell'amplificatore.
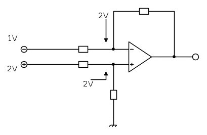
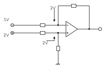
Se volessi considerare l'amplificatore da te disegnato, dovresti chiederti cosa capita nel circuito qua sotto: data una generica tensione di modo comune

, quanto vale

se

?