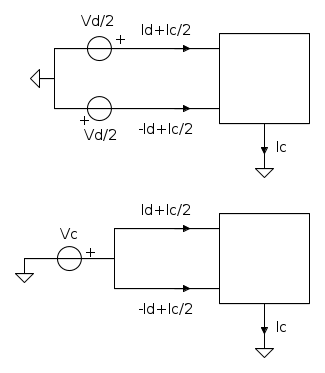
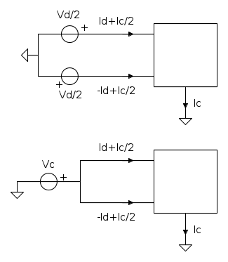
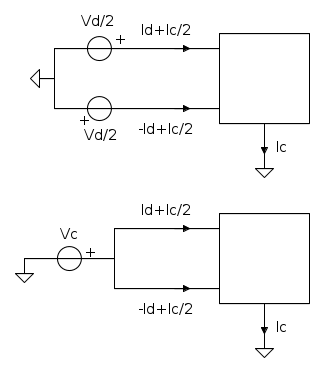
quindi tra il segnale HOT/TIP sul canale 1 e il segnale COLD/RING sul canale 2, guardando la prima foto è presente una differenza di 1 volt.
Se mi spiegate la seconda foto (add - diff.) ve ne sarei infinitamente grato
Moderatore:
IsidoroKZ
instead of
(Anonimo).
ain't
, right?
in lieu of
.
for
arithm.

DirtyDeeds ha scritto:

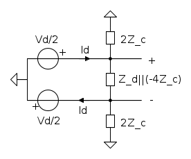
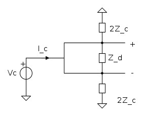
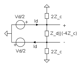
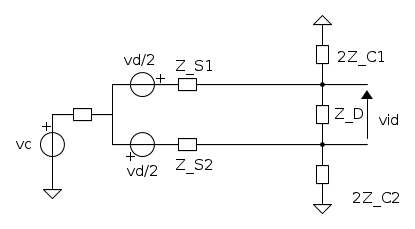
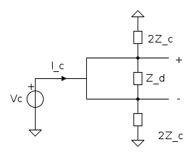
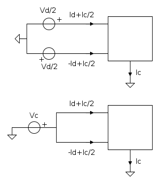
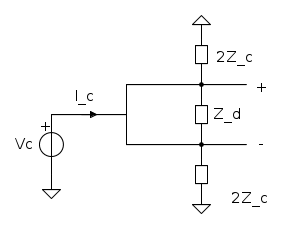
, però, non è direttamente misurabile; come hai detto tu, è "l'impedenza che sta in mezzo ai due ingressi". Un modello più corretto è il seguente:
e
, ovvero
. L'impedenza
, in questo caso, è quella vista da un generatore di modo differenziale:
e
possano apparire un po' strampalate, possono essere giustificate pienamente per mezzo di trasformazioni di coordinate che mantengano invariata la potenza entrante nel circuito (cosa che dovrebbe piacere molto a
instead of
(Anonimo).
ain't
, right?
in lieu of
.
for
arithm.

DirtyDeeds ha scritto:Sebbene a prima vista queste definizioni die
possano apparire un po' strampalate, possono essere giustificate pienamente per mezzo di trasformazioni di coordinate che mantengano invariata la potenza entrante nel circuito (cosa che dovrebbe piacere molto a
DarwinNE
).


DarwinNE ha scritto:Una piccola differenza tra quello che avevo iniziato a descrivere e quello proposto da DirtyDeeds è che io avevo in testa un modello a T mentre quello di DirtyDeeds è a pi greco, per il resto, credo che i calcoli si possano applicare nei due casi.
porte lineare e tempo invariante per cui sia definita la matrice ammettenza
possiamo scrivere il vettore
(la T indica l'operatore di trasposizione) delle correnti di porta come

(l'asterisco indica il complesso coniugato). Adesso immaginiamo di fare una trasformazione lineare delle tensioni di porta, scrivendo il vettore
in funzione di un nuovo vettore
:
è una matrice, eventualmente di rango minore di
(p.es. possiamo attaccare più porte in parallelo). La potenza entrante nel multiporta vale
(il simbolo
indica la matrice hermitiana coniugata). Scegliendo
come vettore delle correnti di porta corrispondenti alle tensioni di porta
si ha che la formula della potenza rimane invariata. Quindi si ha
: questa è l'equazione di trasformazione della matrice ammettenza dal sistema di tensioni e correnti di porta non accentato a quello accentato.



instead of
(Anonimo).
ain't
, right?
in lieu of
.
for
arithm.











può essere determinata a partire da
oppure direttamente. Per determinarla direttamente si deve notare che



e con
.
) e simmetrico (
) allora
e la matrice
diventa diagonale:


e, nel caso reciproco e simmetrico, porta direttamente all'equivalente a T usato da
le eccitazioni devono essere di corrente.
instead of
(Anonimo).
ain't
, right?
in lieu of
.
for
arithm.

Torna a Elettronica e spettacolo
Visitano il forum: Nessuno e 15 ospiti