Cos'è ElectroYou | Login Iscriviti

ElectroYou - la comunità dei professionisti del mondo elettrico

Simmetria di un segnale audio bilanciato

hi-fi, luci, suoni, effetti speciali, palcoscenici...

Moderatore: Foto UtenteIsidoroKZ

0
voti

[31] Re: Simmetria di un segnale audio bilanciato

Messaggioda Foto Utentefrancos » 6 nov 2012, 23:40

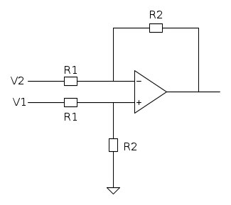
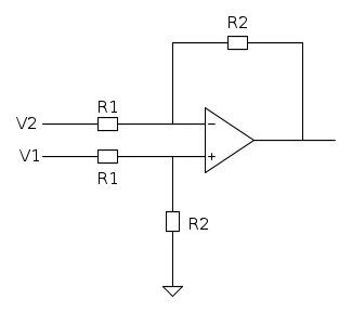
DirtyDeeds ha scritto:Però, adesso, chi si vuole cimentare nel trovare le impedenze (o le ammettenze) differenziali e di modo comune per l'amplificatore differenziale disegnato qui sotto?




se V1=V2 su R1+R1 non c’è differenza di tensione ... quindi se su R1+R1 non scorre corrente
allora nemmeno su R2 ..... mi sbaglio ?... ma che lo domando a fare !!! :cool: :mrgreen:
Avatar utente
Foto Utentefrancos
35 3 7
Frequentatore
Frequentatore
 
Messaggi: 284
Iscritto il: 30 mar 2012, 13:11

0
voti

[32] Re: Simmetria di un segnale audio bilanciato

Messaggioda Foto Utenteclavicordo » 7 nov 2012, 0:03

Belle considerazioni, ma non pensate che forse sarebbe istruttivo dare un'occhiata all'influenza della frequenza?
Le linee bilanciate sono una bella cosa, apparentemente immuni dal rumore esterno: quando è che però si è costretti inserire uno o più schermi intorno ai cavi? E come cambiano allora le caratteristiche del cavo?

Qualcuno che è esperto del campo potrebbe illustrarci questo interessante ma non semplice aspetto.... :-)
O forse è già stato fatto in qualche articolo precedente?
"Ogni cosa va resa il più possibile semplice, ma non ANCORA più semplice" (A. Einstein)
Avatar utente
Foto Utenteclavicordo
20,7k 6 11 12
G.Master EY
G.Master EY
 
Messaggi: 1238
Iscritto il: 4 mar 2011, 14:10
Località: Siena

2
voti

[33] Re: Simmetria di un segnale audio bilanciato

Messaggioda Foto UtenteDirtyDeeds » 7 nov 2012, 0:41

L'effetto della frequenza è un po' nascosto in [4], volevo dire qualcosa ma poi sono un po' partito per la tangente :-)

Tipicamente le impedenze di ingresso degli amplificatori possono essere modellate come delle capacità, la parte resistiva è praticamente trascurabile: all'aumentare della frequenza, l'impedenza d'ingresso diminuisce e piccole differenze tra le capacità di modo comune possono portare a un notevole peggioramento del rapporto di reiezione, con conseguente maggior sensibilità ai disturbi. A ciò bisogna anche aggiungere l'effetto delle capacità del cavo.
It's a sin to write sin instead of \sin (Anonimo).
...'cos you know that cos ain't \cos, right?
You won't get a sexy tan if you write tan in lieu of \tan.
Take a log for a fireplace, but don't take log for \logarithm.
Avatar utente
Foto UtenteDirtyDeeds
55,9k 7 11 13
G.Master EY
G.Master EY
 
Messaggi: 7012
Iscritto il: 13 apr 2010, 16:13
Località: Somewhere in nowhere

0
voti

[34] Re: Simmetria di un segnale audio bilanciato

Messaggioda Foto UtenteDirtyDeeds » 7 nov 2012, 0:50

francos ha scritto:su R1+R1 non c’è differenza di tensione


Cosa sarebbe R1+R1? :-M
It's a sin to write sin instead of \sin (Anonimo).
...'cos you know that cos ain't \cos, right?
You won't get a sexy tan if you write tan in lieu of \tan.
Take a log for a fireplace, but don't take log for \logarithm.
Avatar utente
Foto UtenteDirtyDeeds
55,9k 7 11 13
G.Master EY
G.Master EY
 
Messaggi: 7012
Iscritto il: 13 apr 2010, 16:13
Località: Somewhere in nowhere

0
voti

[35] Re: Simmetria di un segnale audio bilanciato

Messaggioda Foto Utentefrancos » 7 nov 2012, 1:04

DirtyDeeds ha scritto:Cosa sarebbe R1+R1? :-M


Scusami ,mi sono accorto dopo...volevo correggere ma il tastino modifica dopo un po' sparisce :oops:

R1 e R1
Avatar utente
Foto Utentefrancos
35 3 7
Frequentatore
Frequentatore
 
Messaggi: 284
Iscritto il: 30 mar 2012, 13:11

1
voti

[36] Re: Simmetria di un segnale audio bilanciato

Messaggioda Foto UtenteDirtyDeeds » 7 nov 2012, 11:43

francos ha scritto:se V1=V2 su R1+R1 non c’è differenza di tensione ..


Se V_1 = V_2, sulle due R_1 c'è tensione.
It's a sin to write sin instead of \sin (Anonimo).
...'cos you know that cos ain't \cos, right?
You won't get a sexy tan if you write tan in lieu of \tan.
Take a log for a fireplace, but don't take log for \logarithm.
Avatar utente
Foto UtenteDirtyDeeds
55,9k 7 11 13
G.Master EY
G.Master EY
 
Messaggi: 7012
Iscritto il: 13 apr 2010, 16:13
Località: Somewhere in nowhere

0
voti

[37] Re: Simmetria di un segnale audio bilanciato

Messaggioda Foto Utentefrancos » 7 nov 2012, 12:04

DirtyDeeds ha scritto:
francos ha scritto:se V1=V2 su R1+R1 non c’è differenza di tensione ..


Se V_1 = V_2, sulle due R_1 c'è tensione.


forse la mia domanda l'ho posta male :oops:

Se V_1 = V_2..sulle due R_1....non c’è ....differenza di tensione .....
Avatar utente
Foto Utentefrancos
35 3 7
Frequentatore
Frequentatore
 
Messaggi: 284
Iscritto il: 30 mar 2012, 13:11

0
voti

[38] Re: Simmetria di un segnale audio bilanciato

Messaggioda Foto Utenteclavicordo » 7 nov 2012, 13:58

Sì, Foto UtenteDirtyDeeds, quello che dici è corretto naturalmente, ma sarebbe carino che tu ci illustrassi un confronto, con vantaggi e svantaggi, tra linee bilanciate e linee sbilanciate, con vari tipi di schermo, e il loro uso in funzione della frequenza.

Forse servirebbe un articolo, considerata l'ampiezza dell'argomento ...
Ma intanto una sintesi sui principali punti di attenzione non sarebbe male .... :mrgreen:
"Ogni cosa va resa il più possibile semplice, ma non ANCORA più semplice" (A. Einstein)
Avatar utente
Foto Utenteclavicordo
20,7k 6 11 12
G.Master EY
G.Master EY
 
Messaggi: 1238
Iscritto il: 4 mar 2011, 14:10
Località: Siena

0
voti

[39] Re: Simmetria di un segnale audio bilanciato

Messaggioda Foto Utentefrancos » 7 nov 2012, 17:33

clavicordo ha scritto:ma sarebbe carino che tu ci illustrassi un confronto, con vantaggi e svantaggi, tra linee bilanciate e linee sbilanciate



STRAQUOTO

PS
magari anche vedere come si comporta un entrata ed un uscita bilanciata quando gli si collega un segnale sbilanciato (single-ended) sarebbe il TOP.
Avatar utente
Foto Utentefrancos
35 3 7
Frequentatore
Frequentatore
 
Messaggi: 284
Iscritto il: 30 mar 2012, 13:11

0
voti

[40] Re: Simmetria di un segnale audio bilanciato

Messaggioda Foto Utenteclaudiocedrone » 7 nov 2012, 17:49

:shock: Scusa Foto Utentefrancos ma... questa è semplice, diventa sbilanciata (single ended) :!: O_/ P.s. Cosa che non voleva capire neanche Foto Utentegiulia87... a proposito, un'entrata... un'uscita... quando le si collega... :!: :twisted:
"Non farei mai parte di un club che accettasse la mia iscrizione" (G. Marx)
Avatar utente
Foto Utenteclaudiocedrone
21,3k 4 7 9
Master EY
Master EY
 
Messaggi: 15302
Iscritto il: 18 gen 2012, 13:36

PrecedenteProssimo

Torna a Elettronica e spettacolo

Chi c’è in linea

Visitano il forum: Nessuno e 3 ospiti