SI, diventa sbilanciata ok
Simmetria di un segnale audio bilanciato
Moderatore:
IsidoroKZ
3
voti
clavicordo ha scritto:Sì,DirtyDeeds, quello che dici è corretto naturalmente, ma sarebbe carino che tu ci illustrassi un confronto, con vantaggi e svantaggi, tra linee bilanciate e linee sbilanciate, con vari tipi di schermo, e il loro uso in funzione della frequenza.
Forse servirebbe un articolo, considerata l'ampiezza dell'argomento ...
Ma intanto una sintesi sui principali punti di attenzione non sarebbe male ....
Fortunatamente (per me
[1] N. A. Muncy, Noise susceptibility in analog and digital signal processing systems.
[2] B. Whitlock, Balanced lines in audio systems: fact, fiction and transformers.
[3] S. R. Macatee, Considerations in grounding and shielding audio devices.
It's a sin to write
instead of
(Anonimo).
...'cos you know that
ain't
, right?
You won't get a sexy tan if you write
in lieu of
.
Take a log for a fireplace, but don't take
for
arithm.
instead of
(Anonimo)....'cos you know that
ain't
, right?You won't get a sexy tan if you write
in lieu of
.Take a log for a fireplace, but don't take
for
arithm.-

DirtyDeeds
55,9k 7 11 13 - G.Master EY

- Messaggi: 7012
- Iscritto il: 13 apr 2010, 16:13
- Località: Somewhere in nowhere
0
voti
"Ogni cosa va resa il più possibile semplice, ma non ANCORA più semplice" (A. Einstein)
-

clavicordo
20,7k 6 11 12 - G.Master EY

- Messaggi: 1238
- Iscritto il: 4 mar 2011, 14:10
- Località: Siena
0
voti
Se mi permetti vorrei farti una domanda che entra un po' nel pratico, questo tipo ti configurazione quali benefici porta a livelli di tensione e di impedenze ? (se ne comporta) (tratto da un libro di D. SELF)
1
voti
francos ha scritto:Se mi permetti vorrei farti una domanda che entra un po' nel pratico, questo tipo ti configurazione quali benefici porta a livelli di tensione e di impedenze ? (se ne comporta)
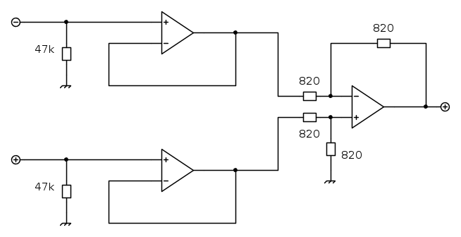
Qualche beneficio lo comporta: diciamo che sta tutto nella risposta alla domanda che ho posto alla fine del [30], ma nessuno si è ancora cimentato nel trovarla :-(
It's a sin to write
instead of
(Anonimo).
...'cos you know that
ain't
, right?
You won't get a sexy tan if you write
in lieu of
.
Take a log for a fireplace, but don't take
for
arithm.
instead of
(Anonimo)....'cos you know that
ain't
, right?You won't get a sexy tan if you write
in lieu of
.Take a log for a fireplace, but don't take
for
arithm.-

DirtyDeeds
55,9k 7 11 13 - G.Master EY

- Messaggi: 7012
- Iscritto il: 13 apr 2010, 16:13
- Località: Somewhere in nowhere
0
voti
3
voti
francos ha scritto:SPETTACOLO !!!
C'è anche l'articolo
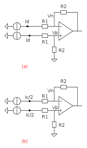
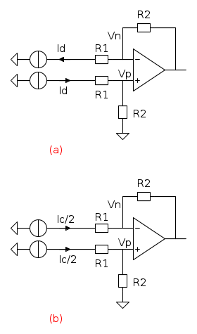
Proviamo allora a determinare la matrice delle ammettenze d'ingresso dell'amplificatore differenziale.
Nel caso (a)
e si ha
e

da cui

e

Di qui

e

Nel caso (b)
e si ha
da cui

e

Di qui


e infine
![\boldsymbol{Y}^\prime = \begin{pmatrix}\frac{1}{2R_1} & 0 \\[1ex] -\frac{1}{R_1}\frac{R_2}{R_1+R_2} & \frac{2}{R_1+R_2}\end{pmatrix} \boldsymbol{Y}^\prime = \begin{pmatrix}\frac{1}{2R_1} & 0 \\[1ex] -\frac{1}{R_1}\frac{R_2}{R_1+R_2} & \frac{2}{R_1+R_2}\end{pmatrix}](/forum/latexrender/pictures/5f9d9a1c21a195f716f26b9d5a9327b7.png)
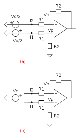
Morale: la rete a 2 porte che rappresenta l'ingresso dell'amplicatore differenziale non è reciproca e ciò implica che l'ingresso dell'amplificatore differenziale non possa essere rappresentato come una rete a
del tipo visto in [30], e ridisegnato qui sotto, né con il corrispondente equivalente a T.Ma non solo. Il fatto che
implica che a fronte di uno stimolo puramente differenziale si generi comunque una corrente di modo comune e se l'impedenza di modo comune della sorgente non è piccola si genererà anche una tensione di modo comune. Il circuito in [44] non ha questo problema.Inoltre, il fatto che
non sia diagonale implica che, in generale, le impedenze di modo comune e di modo differenziale possano non essere uguali al reciproco delle corrispondenti ammettenze: per calcolarle bisogna invertire la matrice:
Nota: qui si ha effettivamente
e
perché
, ovvero
è una matrice triangolare bassa.Per esempio sul libro del Franco vengono determinate le impedenze
e
, ma non quelle miste.La matrice sopra può anche essere determinata direttamente imponendo le correnti di modo comune e differenziale:
Commento: in generale, nel trattamento degli stadi differenziali, i libri determinano le impedenze di modo comune e di modo differenziale per mezzo di stimoli di tensione e non di corrente, ma questa è un'operazione da fare con cautela.
It's a sin to write
instead of
(Anonimo).
...'cos you know that
ain't
, right?
You won't get a sexy tan if you write
in lieu of
.
Take a log for a fireplace, but don't take
for
arithm.
instead of
(Anonimo)....'cos you know that
ain't
, right?You won't get a sexy tan if you write
in lieu of
.Take a log for a fireplace, but don't take
for
arithm.-

DirtyDeeds
55,9k 7 11 13 - G.Master EY

- Messaggi: 7012
- Iscritto il: 13 apr 2010, 16:13
- Località: Somewhere in nowhere
0
voti
Nello schema (b) Vo come vede il tratto Vc I2 R1 Vn R2 ?
0
voti
DirtyDeeds ha scritto:Proviamo allora a determinare la matrice delle ammettenze d'ingresso dell'amplificatore differenziale.
...
Ottimo post! Io mi ero già accorto che le impedenze fossero parecchio asimmetriche nel caso dell'amplificatore differenziale, ma non avevo per nulla fatto attenzione a che il quadripolo non fosse reciproco (a posteriori adesso mi pare ovvio, invece).
Perché non fai un articolino mettendo insieme i post visti in questa discussione? Ne vale senza dubbio la pena, perché come hai giustamente fatto osservare, è un circuito usatissimo, ma su cui si danno per scontati un bel po' di dettagli...
Follow me on Mastodon: @davbucci@mastodon.sdf.org
-

DarwinNE
31,0k 7 11 13 - G.Master EY

- Messaggi: 4420
- Iscritto il: 18 apr 2010, 9:32
- Località: Grenoble - France
Torna a Elettronica e spettacolo
Chi c’è in linea
Visitano il forum: Nessuno e 7 ospiti

Elettrotecnica e non solo (admin)
Un gatto tra gli elettroni (IsidoroKZ)
Esperienza e simulazioni (g.schgor)
Moleskine di un idraulico (RenzoDF)
Il Blog di ElectroYou (webmaster)
Idee microcontrollate (TardoFreak)
PICcoli grandi PICMicro (Paolino)
Il blog elettrico di carloc (carloc)
DirtEYblooog (dirtydeeds)
Di tutto... un po' (jordan20)
AK47 (lillo)
Esperienze elettroniche (marco438)
Telecomunicazioni musicali (clavicordo)
Automazione ed Elettronica (gustavo)
Direttive per la sicurezza (ErnestoCappelletti)
EYnfo dall'Alaska (mir)
Apriamo il quadro! (attilio)
H7-25 (asdf)
Passione Elettrica (massimob)
Elettroni a spasso (guidob)
Bloguerra (guerra)
P.s. Cosa che non voleva capire neanche 




