Cos'è ElectroYou | Login Iscriviti

ElectroYou - la comunità dei professionisti del mondo elettrico

Connessione alla rete di impianti di cogenerazione

Fonti energetiche e produzione e fornitura dell'energia elettrica.

Moderatori: Foto Utentesebago, Foto Utentemario_maggi

0
voti

[11] Re: Connessione alla rete di impianti di cogenerazione

Messaggioda Foto UtenteAndreB » 12 nov 2012, 14:45

Giovepluvio ha scritto:
AndreB ha scritto:Nel quadro parallelo rete le protezioni magnetotermiche differenziali che sono a monte degli inverter vorrei impiegarle anche come rincalzo, in quanto il Sistema di Protezione di interfaccia (quindi il DDI) è già all'interno degli inverter. L'inverter in pratica si comporta come il più classico degli inverter per impianti fotovoltaici.
Altra cosa importante: in caso l'Enel comandi il teledistacco, essa agisce sulla motorizzazione di queste 3 protezioni.

E come la metti con le prescrizioni del paragrafo 8.2.2.2 della CEI 0-21? Gli SPI degli inverter sono predisposti per la gestione della logica OR?

Qua vedo di chiarirmi con chi fornisce l'inverter... E' più che altro una premura mia quella di mettere il rincalzo.

Giovepluvio ha scritto:
AndreB ha scritto:Beh, tra inverter e quadro parallelo rete ho solo un tratto di cavo FG7(O)R (doppio isolamento) posato nel canale metallico; occhio però che sia l'inverter, sia il quadro sono in classe I di isolamento... Verificherò la CEI 64-8 a tal proposito per fugare ogni dubbio...

Io parlavo della tratta tra quadro contatore e quadro parallelo rete.

Nel generale del quadro parallelo rete io metterei il differenziale, dato che in fase d'avvio della macchina devo alimentare dei carichi e a monte ho un quadro a doppio isolamento...
Tuttavia, quando i generatori funzionano il flusso di potenza s'inverte e non ho masse tra quadro parallelo rete e quadro contatore...
Diversamente tra inverter e quadro parallelo rete (carpenteria in classe I) ho un tratto di cavo a doppio isolamento in canale metallico (il quale è una massa)...
Evidentemente mi sfugge qualcosa... forse non servono tutti questi differenziali... Ma io li ho messi per mettermi dalla parte della sicurezza... :?
Che mi consigli? C'é qualche paragrafo della 64-8 che può darmi lumi a tal proposito?
Ti ringrazio... Buona giornata! O_/
Avatar utente
Foto UtenteAndreB
103 2 6
New entry
New entry
 
Messaggi: 99
Iscritto il: 2 ott 2012, 15:09

0
voti

[12] Re: Connessione alla rete di impianti di cogenerazione

Messaggioda Foto UtenteGiovepluvio » 13 nov 2012, 20:05

AndreB ha scritto:Qua vedo di chiarirmi con chi fornisce l'inverter... E' più che altro una premura mia quella di mettere il rincalzo.


Eh no, altro che tua premura! Il rincalzo è una prescrizione della CEI 0-21!

Per il resto devi pensare all'anello di guasto. Ora sono di corsa, ne riparliamo con calma...
Avatar utente
Foto UtenteGiovepluvio
5.978 3 6 10
G.Master EY
G.Master EY
 
Messaggi: 2947
Iscritto il: 21 dic 2010, 1:10
Località: Mantova

0
voti

[13] Re: Connessione alla rete di impianti di cogenerazione

Messaggioda Foto UtenteAndreB » 16 nov 2012, 21:28

Ciao Giovepluvio!
Finalmente ho avuto modo di controllare la CEI 0-21... e un attimo di respiro dal lavoro per poterti rispondere con calma...
Giovepluvio ha scritto:
AndreB ha scritto:Qua vedo di chiarirmi con chi fornisce l'inverter... E' più che altro una premura mia quella di mettere il rincalzo.

Eh no, altro che tua premura! Il rincalzo è una prescrizione della CEI 0-21!

Cito la CEI 0-21: 2012, par. 8.2.2.4:
"La funzione di rincalzo al dispositivo di interfaccia è realizzata tramite l’invio, temporizzato al massimo di 0,5 s, del comando di apertura mediante bobina a mancanza di tensione, bobina a lancio di corrente o altro mezzo equivalente al fine di garantire la sicurezza sull’apertura della protezione di interfaccia ad un altro dispositivo (di rincalzo) in grado di separare il/i generatore/i dalla rete in caso di mancata apertura del dispositivo di interfaccia.
Il ripristino del dispositivo di rincalzo deve avvenire solo manualmente. Per impianti indirettamente connessi, qualora l’inverter sia già dotato di un DDI interno di tipo elettromeccanico conforme a quanto indicato nel paragr. 8.2.2, è ammesso che questo assolva la funzione rincalzo al DDI purché in grado di ricevere il segnale di apertura ritardata proveniente dal SPI esterno. Per impianti di produzione con potenza unitaria o complessiva superiore a 20 kW, devono sempre essere presenti almeno due dispositivi tra il generatore e la rete, asserviti alla protezione di interfaccia di cui:
- uno assolva la funzione di DDI,
- l’altro assolva la funzione di rincalzo al DDI.
L’azione combinata dei due dispositivi separa pertanto in maniera affidabile i generatori dalla rete del Distributore."

La mia idea di partenza era quella di mettere a rincalzo del DDI dell'inverter la protezione immediatamente a monte, ovvero il m.t.diff. nel quadro parallelo rete; inoltre questa protezione l'avrei voluta motorizzare. :oops:
Per fortuna mi sono consultato con l'esperto! =D>

Leggendo questo paragrafo vedo che occorre seguire le seguenti prescrizioni:
1. Il DDI deve essere in grado di escludere tutti i generatori contemporaneamente;
2. Si può impiegare più di un DDI, ma soltanto se gestiti da un unico SPI;
3. Il rincalzo è obbligatorio per potenze superiori a 20 kW;
4. Dovrò impiegare un SPI esterno e non affidarmi a quello degli inverter;
5. Prevedere l'intervento ritardato dei DDI degli inverter;
6. I DDI degli inverter devono intervenire contemporaneamente in caso di fallimento del DDI principale.

A breve invierò lo schema aggiornato, poi scriverò altre note: sto fine settimana mi toccherà studiare ancora! :-x
intanto ti ringrazio per la collaborazione...
Ciao! O_/
Avatar utente
Foto UtenteAndreB
103 2 6
New entry
New entry
 
Messaggi: 99
Iscritto il: 2 ott 2012, 15:09

0
voti

[14] Re: Connessione alla rete di impianti di cogenerazione

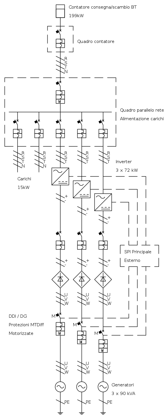
Messaggioda Foto UtenteAndreB » 21 nov 2012, 19:39

Ciao Giovepluvio,

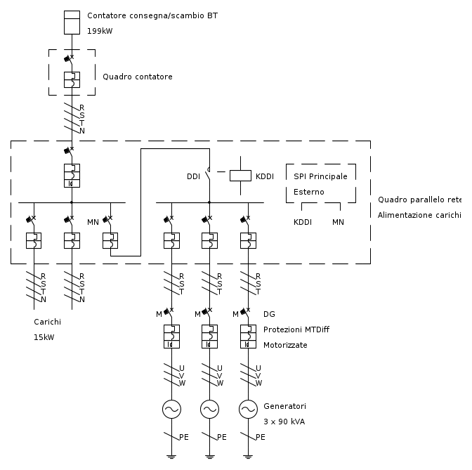
Oggi sono a casa in malattia... :cry: e invece di stare con le mani in mano ho aggiornato lo schema unifilare dell'impianto...



Cerco di essere il più schematico possibile per descrivere ciò che ho variato:
A. Ho aggiunto un SPI principale esterno, che non è all'interno degli inverter;
B. Il DDI coincide con il DG, che è una protezione m.t.diff. motorizzato;
C. La protezione interna dell'inverter vedo di farlo funzionare come rincalzo al DDI, per cui gestita dall'SPI esterno;
D. L'inverter di occuperà della fase di parallelo rete, di far si che tensione, frequenza e fase siano in concordanza con i parametri della rete.

Argomento protezione dai contatti indiretti: secondo me posso eliminare i tre blocchi differenziali a monte degli inverter nel quadro parallelo rete, in quanto c'é già il differenziale sul generale del quadro parallelo rete che provvede alla protezione contro i contatti indiretti. Quindi guardando l'impianto lato rete, secondo me sono protetto.
Ma guardando l'impianto lato generatori??? Gli inverter creano una separazione galvanica, per cui la protezione m.t.diff. del generatore potrebbe non vedere il guasto... Che mi consiglieresti di fare??? :?
Ti ringrazio.
Ciao. O_/
Avatar utente
Foto UtenteAndreB
103 2 6
New entry
New entry
 
Messaggi: 99
Iscritto il: 2 ott 2012, 15:09

1
voti

[15] Re: Connessione alla rete di impianti di cogenerazione

Messaggioda Foto UtenteGiovepluvio » 22 nov 2012, 16:52

AndreB ha scritto:Ciao Giovepluvio,

Oggi sono a casa in malattia... :cry: e invece di stare con le mani in mano ho aggiornato lo schema unifilare dell'impianto...


Consolati pensando che per alcuni la malattia neppure esiste... :mrgreen:

Cerco di essere il più schematico possibile per descrivere ciò che ho variato:
A. Ho aggiunto un SPI principale esterno, che non è all'interno degli inverter;


E qua ci siamo. Cosa hai intenzione di usare per curiosità?

B. Il DDI coincide con il DG, che è una protezione m.t.diff. motorizzato;


Come fai a mettere il DDI a valle dell'inverter?! Il DDI deve stare tra inverter e rete...
Mi permetto anche di farti notare che, in questa situazione, optare per tre motorizzati non è decisamente la soluzione più economica. Usa un bel contattore e vivi sereno. UN dispositivo UNICO e non tre... Poi manca il rincalzo che devi fare obbligatoriamente in questa situazione...

C. La protezione interna dell'inverter vedo di farlo funzionare come rincalzo al DDI, per cui gestita dall'SPI esterno;

Sicuro di poterlo gestire tramite gli inverter? Hai controllato il manuale? Hanno la possibilità di accettare segnali esterni? Guardaci bene perché non ne sono affatto sicuro.

D. L'inverter di occuperà della fase di parallelo rete, di far si che tensione, frequenza e fase siano in concordanza con i parametri della rete.

Ok

Argomento protezione dai contatti indiretti: secondo me posso eliminare i tre blocchi differenziali a monte degli inverter nel quadro parallelo rete, in quanto c'é già il differenziale sul generale del quadro parallelo rete che provvede alla protezione contro i contatti indiretti. Quindi guardando l'impianto lato rete, secondo me sono protetto.


Concordo

Ma guardando l'impianto lato generatori??? Gli inverter creano una separazione galvanica, per cui la protezione m.t.diff. del generatore potrebbe non vedere il guasto... Che mi consiglieresti di fare??? :?


Con lo schema postato secondo me sei a posto. Certo non è il massimo dal punto di vista della selettività.

O_/
Avatar utente
Foto UtenteGiovepluvio
5.978 3 6 10
G.Master EY
G.Master EY
 
Messaggi: 2947
Iscritto il: 21 dic 2010, 1:10
Località: Mantova

0
voti

[16] Re: Connessione alla rete di impianti di cogenerazione

Messaggioda Foto UtenteAndreB » 22 nov 2012, 18:25

Giovepluvio ha scritto:Consolati pensando che per alcuni la malattia neppure esiste... :mrgreen:

Per questo c'é l'assicurazione diaria... Ma sono altri soldini da tirar fuori... :cry:

Giovepluvio ha scritto:
AndreB ha scritto:A. Ho aggiunto un SPI principale esterno, che non è all'interno degli inverter;

E qua ci siamo. Cosa hai intenzione di usare per curiosità?

Thytronic NV021
http://www.thytronic.it/index.asp?menu=3&page=schedaProdotto&id=159
C'é qualche marca che posso prendere in considerazione? Ne conosci altre che fanno questi dispositivi?
Ho guardato Schneider Electric, dato che compro già i quadri, ma non ho trovato nulla che fa al mio caso...
ABB costruisce SPI che possono fare al mio caso???

Giovepluvio ha scritto:
AndreB ha scritto:B. Il DDI coincide con il DG, che è una protezione m.t.diff. motorizzato;

Come fai a mettere il DDI a valle dell'inverter?! Il DDI deve stare tra inverter e rete...
Mi permetto anche di farti notare che, in questa situazione, optare per tre motorizzati non è decisamente la soluzione più economica. Usa un bel contattore e vivi sereno. UN dispositivo UNICO e non tre... Poi manca il rincalzo che devi fare obbligatoriamente in questa situazione...

Fra poco rimetto a posto lo schema... Comunque é possibile impiegare più DDI, purché comandati da un unico SPI (CEI 0-21: 2012 par. 8.2.2.2); inoltre se si impiega più DDI essi devono aprire contemporaneamente, lo stesso discorso vale anche per i sispositivi di rincalzo al DDI...
Però come dici tu è sicuramente più semplice... Io volevo risparmiare una busbar in quadro, solo questo...

Giovepluvio ha scritto:
AndreB ha scritto:C. La protezione interna dell'inverter vedo di farlo funzionare come rincalzo al DDI, per cui gestita dall'SPI esterno;

Sicuro di poterlo gestire tramite gli inverter? Hai controllato il manuale? Hanno la possibilità di accettare segnali esterni? Guardaci bene perché non ne sono affatto sicuro.

Ci guarderò, ma per non rischiare seguirò il tuo consiglio... :ok:

Giovepluvio ha scritto:
AndreB ha scritto:D. L'inverter di occuperà della fase di parallelo rete, di far si che tensione, frequenza e fase siano in concordanza con i parametri della rete.

Ok

:cool:

Giovepluvio ha scritto:
AndreB ha scritto:Argomento protezione dai contatti indiretti: secondo me posso eliminare i tre blocchi differenziali a monte degli inverter nel quadro parallelo rete, in quanto c'é già il differenziale sul generale del quadro parallelo rete che provvede alla protezione contro i contatti indiretti. Quindi guardando l'impianto lato rete, secondo me sono protetto.

Concordo

:cool:

Giovepluvio ha scritto:
AndreB ha scritto:Ma guardando l'impianto lato generatori??? Gli inverter creano una separazione galvanica, per cui la protezione m.t.diff. del generatore potrebbe non vedere il guasto... Che mi consiglieresti di fare??? :?

Con lo schema postato secondo me sei a posto. Certo non è il massimo dal punto di vista della selettività

Il diktat della mi azienda è:
1. Dare il minimo indispensabile per essere in regola; :roll:
2. "Sparagnar schei!!!" :lol:

Grazie mille!!! :D :D :D
O_/
Avatar utente
Foto UtenteAndreB
103 2 6
New entry
New entry
 
Messaggi: 99
Iscritto il: 2 ott 2012, 15:09

0
voti

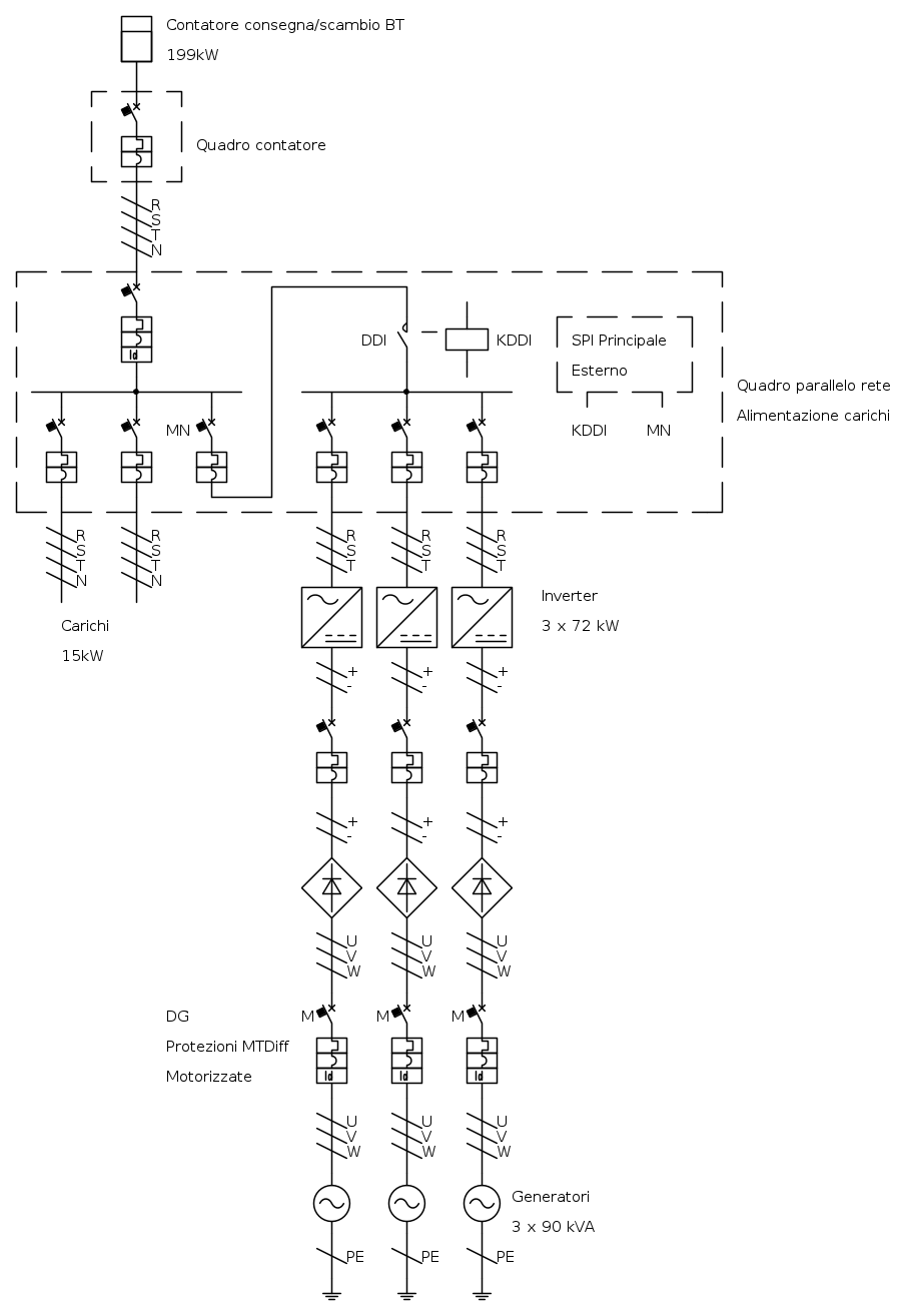
[17] Re: Connessione alla rete di impianti di cogenerazione

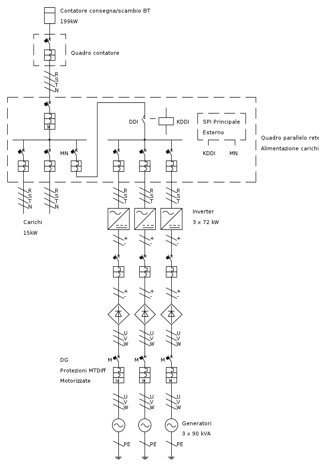
Messaggioda Foto UtenteAndreB » 22 nov 2012, 19:03

Forse ora ci sono quasi...
Che ne dici Giovepluvio? :-)



Mi hai fatto ragionare... Secondo me questa è la configurazione che devo seguire...
O posso eliminare anche i tre magnetotermici a monte degli inverter?

O_/
Avatar utente
Foto UtenteAndreB
103 2 6
New entry
New entry
 
Messaggi: 99
Iscritto il: 2 ott 2012, 15:09

1
voti

[18] Re: Connessione alla rete di impianti di cogenerazione

Messaggioda Foto UtenteGiovepluvio » 22 nov 2012, 19:27

Sì, adesso mi piace abbastanza. :mrgreen:

:ok:
Avatar utente
Foto UtenteGiovepluvio
5.978 3 6 10
G.Master EY
G.Master EY
 
Messaggi: 2947
Iscritto il: 21 dic 2010, 1:10
Località: Mantova

0
voti

[19] Re: Connessione alla rete di impianti di cogenerazione

Messaggioda Foto UtenteAndreB » 22 nov 2012, 19:33

Ti ringrazio per le tue dritte...
Prima mi pareva di sbattere la testa contro un muro di gomma... E' la prima volta! :-)
E poi il mio capo sarà contento, mi occupo del lavoro anche quando sono a casa in malattia... :lol:
Se hai altre osservazioni continua pure a scrivere, sono sempre ben accette!
O_/
Avatar utente
Foto UtenteAndreB
103 2 6
New entry
New entry
 
Messaggi: 99
Iscritto il: 2 ott 2012, 15:09

0
voti

[20] Re: Connessione alla rete di impianti di cogenerazione

Messaggioda Foto UtenteAndreB » 27 nov 2012, 21:18

Ciao Giovepluvio!

Ti devo chiedere una curiosità: e se impiegassi questo schema di interconnessione???



Volendo posso usarlo con impiegando lo stesso alternatore? Dovrei cambiere qualcosa?
E' una mia curiosità. Ti ringrazio.
O_/
Avatar utente
Foto UtenteAndreB
103 2 6
New entry
New entry
 
Messaggi: 99
Iscritto il: 2 ott 2012, 15:09

PrecedenteProssimo

Torna a Energia e qualità dell'energia

Chi c’è in linea

Visitano il forum: Nessuno e 30 ospiti