Ciao a tutti,
sono alle prime armi e questo è il mio primissimo post: spero di non risultare banale e/o commettere errori grossolani.
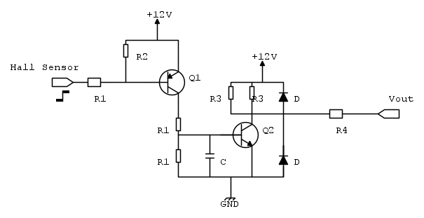
Mi è stato dato questo schematico con lo scopo di capire come funzioni il circuito e ricavarne le relazioni caratteristiche
PS: è la prima volta che utilizzo Fidocad (scoperto grazie al vostro forum).
Praticamente è uno schema che legge il segnale in uscita di un sensore di Hall e lo porta in uscita (Vout) dove poterlo andare a leggere con un multimetro.
Mi aiutereste a comprenderlo e a ricavarne una relazione Vout/Vin?
Grazie mille!
Comprensione del funzionamento di un circuito.
Moderatori:
carloc,
g.schgor,
BrunoValente,
IsidoroKZ
8 messaggi
• Pagina 1 di 1
0
voti
Quando sulla tensione di entrata "Hall Sensor" si ha il fronte di discesa, il PNP si accende e la
va ad alimentare la base del transistore Q2 che si accende a sua volta.
La tensione "Hall Sensor" deve anche essere sufficientemente alta da non permettere al PNP di essere sempre acceso.
Il circuito non è dimensionato. I due diodi sul morsetto di uscita dovrebbero essere di protezione. Manca un puntino di incrocio (anzi due). Te li aggiungo io?
va ad alimentare la base del transistore Q2 che si accende a sua volta. La tensione "Hall Sensor" deve anche essere sufficientemente alta da non permettere al PNP di essere sempre acceso.
Il circuito non è dimensionato. I due diodi sul morsetto di uscita dovrebbero essere di protezione. Manca un puntino di incrocio (anzi due). Te li aggiungo io?
2
voti
densha ha scritto:Mi aiutereste a comprenderlo e a ricavarne una relazione Vout/Vin?
La relazione che chiedi di quel circuito e` abbastanza "inutile" perche' dipende dal guadagno di corrente dei transistori (oltre che dal valore dei componenti) ed e` abbastanza non lineare.
L'unico legame che si puo` ragionevolmente dire e` che quando la tensione di ingresso scende al di sotto di 11.4V circa la tensione di uscita scende da 12V verso una tensione molto bassa.
Ma come in dettaglio scenda la tensione di uscita quando quella di ingresso e` intorno alla tensione di soglia non si puo` dire per tutti i circuiti.
Questo circuito puo` ragionevolmente solo essere analizzato in stato acceso/spento: la transizione e` complicata, dipendendo da parametri sconosciuti.
Per usare proficuamente un simulatore, bisogna sapere molta più elettronica di lui
Plug it in - it works better!
Il 555 sta all'elettronica come Arduino all'informatica! (entrambi loro malgrado)
Se volete risposte rispondete a tutte le mie domande
Plug it in - it works better!
Il 555 sta all'elettronica come Arduino all'informatica! (entrambi loro malgrado)
Se volete risposte rispondete a tutte le mie domande
0
voti
gohan ha scritto:Quando sulla tensione di entrata "Hall Sensor" si ha il fronte di discesa, il PNP si accende e lava ad alimentare la base del transistore Q2 che si accende a sua volta.
Se ho capito bene:
V(h.s.) alta --> Q1 off --> Q2 off -->
V(h.s.) bassa --> Q1 on --> Q2 on -->
Mi manca l'ultimo (e credo più importante) passaggio: Vout come varia? E' semplicemente l'uscita di un partitore tra il parallelo delle 2 R3 in serie con R4?
La tensione "Hall Sensor" deve anche essere sufficientemente alta da non permettere al PNP di essere sempre acceso.
Sì, credo che i 12V di alimentazione siano impostati ad hoc per gestire l'on-off di Q1 in base alle tensioni di uscita del sensore di Hall.
Il circuito non è dimensionato. I due diodi sul morsetto di uscita dovrebbero essere di protezione. Manca un puntino di incrocio (anzi due). Te li aggiungo io?
I diodi ho pensato anche io potessero essere di protezione, in maniera da limitare la tensione di uscita da -0.7V e +12.7V, o sbaglio?
I punti di incrocio mancanti sono tra R3 e collettore, e Diodo e collettore? Preferirei aggiungerli io in maniera da prender dimestichezza con Fidocad :) (è il pulsante "connessione elettrica", giusto?)
Grazie infinite, davvero!
0
voti
IsidoroKZ ha scritto:densha ha scritto:Mi aiutereste a comprenderlo e a ricavarne una relazione Vout/Vin?
La relazione che chiedi di quel circuito e` abbastanza "inutile" perche' dipende dal guadagno di corrente dei transistori (oltre che dal valore dei componenti) ed e` abbastanza non lineare.
L'unico legame che si puo` ragionevolmente dire e` che quando la tensione di ingresso scende al di sotto di 11.4V circa la tensione di uscita scende da 12 V verso una tensione molto bassa.
Sotto gli 11.4V di alimentazione Veb1 non andrebbe in conduzione e Q1 risulterebbe OFF, giusto?
Ma come in dettaglio scenda la tensione di uscita quando quella di ingresso e` intorno alla tensione di soglia non si puo` dire per tutti i circuiti.
Questo circuito puo` ragionevolmente solo essere analizzato in stato acceso/spento: la transizione e` complicata, dipendendo da parametri sconosciuti.
Capisco, grazie del prezioso punto di vista
Una curiosità (forse banale): ad un occhio inesperto come il mio questo circuito (replica più o meno fedelmente) in uscita la tensione che riceve in ingresso dal sensore di Hall. Allora che senso ha implementarlo?
Non si potrebbe semplicemente prelevare il segnale dal sensore di Hall e via?
Forse i due stadi amplificatori servono a compensare eventuali attenuazioni introdotte da possibili cavi di collegamento troppo lunghi? (vado un po per tentativi,
1
voti
densha ha scritto:Sotto gli 11.4V di alimentazione Veb1 non andrebbe in conduzione e Q1 risulterebbe OFF, giusto?
Se l'alimentazione e` a 11.4V, il segnale in ingresso deve scendere almeno a 10.7V perche Q1 vada in conduzione. Poi esattamente quanto al di sotto dipende dal valore di R2 e R1.
densha ha scritto:Una curiosità (forse banale): ad un occhio inesperto come il mio questo circuito (replica più o meno fedelmente) in uscita la tensione che riceve in ingresso dal sensore di Hall. Allora che senso ha implementarlo?
Non si potrebbe semplicemente prelevare il segnale dal sensore di Hall e via?
La tensione di uscita varia da circa 12V a circa 0V quando la tensione di ingresso varia di un valore molto piu` piccolo: il circuito amplifica il sengnale. In grafico Vo Vin potrebbe venire qualcosa del genere:
Per usare proficuamente un simulatore, bisogna sapere molta più elettronica di lui
Plug it in - it works better!
Il 555 sta all'elettronica come Arduino all'informatica! (entrambi loro malgrado)
Se volete risposte rispondete a tutte le mie domande
Plug it in - it works better!
Il 555 sta all'elettronica come Arduino all'informatica! (entrambi loro malgrado)
Se volete risposte rispondete a tutte le mie domande
0
voti
IsidoroKZ ha scritto:densha ha scritto:Sotto gli 11.4V di alimentazione Veb1 non andrebbe in conduzione e Q1 risulterebbe OFF, giusto?
Se l'alimentazione e` a 11.4V, il segnale in ingresso deve scendere almeno a 10.7V perche Q1 vada in conduzione. Poi esattamente quanto al di sotto dipende dal valore di R2 e R1.
Errore mio, mi sono espresso male. Intendevo dire:
"Tenendo come certi i 12V di alimentazione, quando in ingresso ho un valore al di sotto degli 11.4V, Veb1 non andrebbe in conduzione e Q1 risulterebbe OFF, giusto?"
IsidoroKZ ha scritto:densha ha scritto:Una curiosità (forse banale): ad un occhio inesperto come il mio questo circuito (replica più o meno fedelmente) in uscita la tensione che riceve in ingresso dal sensore di Hall. Allora che senso ha implementarlo?
Non si potrebbe semplicemente prelevare il segnale dal sensore di Hall e via?
La tensione di uscita varia da circa 12 V a circa 0V quando la tensione di ingresso varia di un valore molto piu` piccolo: il circuito amplifica il sengnale.
Sul range della tensione di uscita ci sono, da 12V a 0V.
In ingresso (ovvero la tensione fornita dal sensore di Hall) dovrebbe essere dai 20V a 0V: che senso avrebbe quindi amplificare?
Il sensore di Hall dovrebbe esser questo:
http://www.allegromicro.com/~/Media/Files/Datasheets/A1220-1-2-3-Datasheet.ashx
1
voti
Quello devi chiederlo a chi ha fatto quel circuito (del quale non sono noti i valori dei componenti).
Per usare proficuamente un simulatore, bisogna sapere molta più elettronica di lui
Plug it in - it works better!
Il 555 sta all'elettronica come Arduino all'informatica! (entrambi loro malgrado)
Se volete risposte rispondete a tutte le mie domande
Plug it in - it works better!
Il 555 sta all'elettronica come Arduino all'informatica! (entrambi loro malgrado)
Se volete risposte rispondete a tutte le mie domande
8 messaggi
• Pagina 1 di 1
Chi c’è in linea
Visitano il forum: Nessuno e 60 ospiti

Elettrotecnica e non solo (admin)
Un gatto tra gli elettroni (IsidoroKZ)
Esperienza e simulazioni (g.schgor)
Moleskine di un idraulico (RenzoDF)
Il Blog di ElectroYou (webmaster)
Idee microcontrollate (TardoFreak)
PICcoli grandi PICMicro (Paolino)
Il blog elettrico di carloc (carloc)
DirtEYblooog (dirtydeeds)
Di tutto... un po' (jordan20)
AK47 (lillo)
Esperienze elettroniche (marco438)
Telecomunicazioni musicali (clavicordo)
Automazione ed Elettronica (gustavo)
Direttive per la sicurezza (ErnestoCappelletti)
EYnfo dall'Alaska (mir)
Apriamo il quadro! (attilio)
H7-25 (asdf)
Passione Elettrica (massimob)
Elettroni a spasso (guidob)
Bloguerra (guerra)




