Devi partire dal sensore scelto (vedi datasheet di E3F2-SUS
che riporta gli schemi relativi). Questi forniscono in uscita
segnali positivi, ma il monostabile 555 funziona sul fronte d'onda
negativo (quindi agirebbe alla fine dell'impulso)
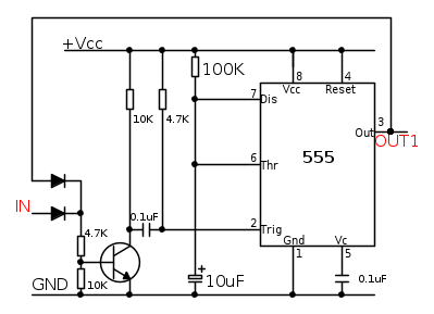
Suggerisco per il 555 questo schema:
(Dove IN è l'uscita del sensore.)
Impianto di cronometraggio
Moderatori:
carloc,
g.schgor,
BrunoValente,
IsidoroKZ
1
voti
Grazie infinitamente g.schgor !
in effetti avevo dubitato che l'uscita di quel sensore potesse non andare bene.
Sto facendo i primi passi con l'elettronica e non è assolutamente facile capire cosa, come e perché fare.
Approfitto per un paio di domande:
1) il diodo che messo sul collegamento out1-in (nell'immagine quello sopra IN) serve come protezione del circuito o per altro?
2) il tempo che out1 rimane alto è dato da 1.1*100k*10uF quindi circa 1seondo, giusto?
3) potresti spiegarmi che funzione hanno le due resistenze in parallelo col condensatore al centro poste tra l''uscita del transistor e l'ingresso del IC?
in effetti avevo dubitato che l'uscita di quel sensore potesse non andare bene.
Sto facendo i primi passi con l'elettronica e non è assolutamente facile capire cosa, come e perché fare.
Approfitto per un paio di domande:
1) il diodo che messo sul collegamento out1-in (nell'immagine quello sopra IN) serve come protezione del circuito o per altro?
2) il tempo che out1 rimane alto è dato da 1.1*100k*10uF quindi circa 1seondo, giusto?
3) potresti spiegarmi che funzione hanno le due resistenze in parallelo col condensatore al centro poste tra l''uscita del transistor e l'ingresso del IC?
3
voti
I 2 diodi costituiscono un OR dei segnali IN e OUT1.
Appena arriva un fronte positivo di IN, il transistor
si satura, applicando, attraverso il condensatore,
un breve impulso a zero sul Trigger del 555.
Questo fa partire la temporizzazione del monostabile,
cioè l'uscita OUT1 va a Vcc (per ca 1s, modificabile
cambiando il valore della resistenza da 100K).
Ponendo OUT1 in OR con IN, si eliminano gli effetti
di ulteriori variazioni di IN per tutta la durata
della temporizzazione.
Appena arriva un fronte positivo di IN, il transistor
si satura, applicando, attraverso il condensatore,
un breve impulso a zero sul Trigger del 555.
Questo fa partire la temporizzazione del monostabile,
cioè l'uscita OUT1 va a Vcc (per ca 1s, modificabile
cambiando il valore della resistenza da 100K).
Ponendo OUT1 in OR con IN, si eliminano gli effetti
di ulteriori variazioni di IN per tutta la durata
della temporizzazione.
1
voti
grazie mille per la spiegazione!
..se non "capisco" mi risulta difficile anche il solo "copiare" uno schema ed inoltre che gusto ci sarebbe?!
..se non "capisco" mi risulta difficile anche il solo "copiare" uno schema ed inoltre che gusto ci sarebbe?!
0
voti
... Rieccomi!
prima di andare avanti vorrei chiedere se è possibile stabilire il "consumo" dello schema gentilmente postato da g.schgor
so che la fotocellula consuma 30mA max
quanto potrebbe durare una batteria al piombo tipo allarmi 12V 7Ah???
devo anche considerare il consumo del telecomando, ma forse per questo mi conviene lasciare le sue pile..
prima di andare avanti vorrei chiedere se è possibile stabilire il "consumo" dello schema gentilmente postato da g.schgor
so che la fotocellula consuma 30mA max
quanto potrebbe durare una batteria al piombo tipo allarmi 12V 7Ah???
devo anche considerare il consumo del telecomando, ma forse per questo mi conviene lasciare le sue pile..
1
voti
fabriziob ha scritto:è possibile stabilire il "consumo" dello schema
direi che, compresa la fotocellula, la durata dell'alimentazione da batteria
si può valutare attorno alla 100 ore.
0
voti
Finalmente mi è arrivato tutto il materiale! Ora devo passare alla fase di assemblaggio.
Ho appurato che il pulsante di start/stop del cronometro funziona con il negativo (con una batteria da1.5v).
..e negativo è anche l' OUT del 555.
è corretto utilizzare direttamente questa uscita come se fosse il pulsante del cronometro? magari unendo i negativi del cronometro e quello del 555 per fare avere un riferimento univoco.
oppure è più opportuno utilizzare all'uscita del 555 un relay o altro per fargli fare la funzione del pulsante?
Ancora mille grazie per la disponibilità e la pazienza
Ho appurato che il pulsante di start/stop del cronometro funziona con il negativo (con una batteria da1.5v).
..e negativo è anche l' OUT del 555.
è corretto utilizzare direttamente questa uscita come se fosse il pulsante del cronometro? magari unendo i negativi del cronometro e quello del 555 per fare avere un riferimento univoco.
oppure è più opportuno utilizzare all'uscita del 555 un relay o altro per fargli fare la funzione del pulsante?
Ancora mille grazie per la disponibilità e la pazienza
0
voti
fabriziob ha scritto:.il pulsante di start/stop del cronometro funziona con il negativo...
.e negativo è anche l' OUT del 555.
Che c'entra il pulsante? Non era una fotocellula?
Aspetto che tu completi lo schema del 555 con
la parte che genera il trigger.
0
voti
inizialmente avevo pensato di creare il sistema di cronometraggio secondo questo schema:
fotocellula-->antirimbalzo--> trasmettitore
ricevente-->cornometro
valutando gli ingombri dei vari componenti, ho deciso di cambiare in
fotocellula-->trasmettitore (entrambe alimentate con una batteria 12v)
ricevente-->antirimbalzo-->cronometro
sia la ricevente che la scheda antirimbalzo sono alimentate con una seconda batteria 12v mentre il cronometro è alimentato con la sua batteria 1.5v
quando la ricevente viene attivata dal segnale del trasmettitore, chiude il contatto che fa arrivare il +12v all' IN della scheda antirimbalzo (vedi schema in risposta n11). a quanto ho capito questo, tramite il 555 , dovrebbe attivare l' OUT sul pin 3 sul fronte negativo.
Il pulsante del cronometro funziona interrompendo il negativo (riferito alla propria batteria).
la mia domanda quindi è questa: se io collego assieme il polo negativo della batteria 12v e quello negativo della batteria 1.5v , posso utilizzare l'uscita "negativa" proveniente dall' OUT dell' antirimbalzo per far si che il cronometro riceva il comando di start/stop come se fosse stato premuto il proprio pulsante?
spero di essermi spiegato meglio del precedente messaggio..
grazie
fotocellula-->antirimbalzo--> trasmettitore
ricevente-->cornometro
valutando gli ingombri dei vari componenti, ho deciso di cambiare in
fotocellula-->trasmettitore (entrambe alimentate con una batteria 12v)
ricevente-->antirimbalzo-->cronometro
sia la ricevente che la scheda antirimbalzo sono alimentate con una seconda batteria 12v mentre il cronometro è alimentato con la sua batteria 1.5v
quando la ricevente viene attivata dal segnale del trasmettitore, chiude il contatto che fa arrivare il +12v all' IN della scheda antirimbalzo (vedi schema in risposta n11). a quanto ho capito questo, tramite il 555 , dovrebbe attivare l' OUT sul pin 3 sul fronte negativo.
Il pulsante del cronometro funziona interrompendo il negativo (riferito alla propria batteria).
la mia domanda quindi è questa: se io collego assieme il polo negativo della batteria 12v e quello negativo della batteria 1.5v , posso utilizzare l'uscita "negativa" proveniente dall' OUT dell' antirimbalzo per far si che il cronometro riceva il comando di start/stop come se fosse stato premuto il proprio pulsante?
spero di essermi spiegato meglio del precedente messaggio..
grazie
1
voti
Le spiegazioni a parole sono chiare solo a chi le dà,
quasi mai a chi le riceve. Meglio uno schema.
Non è per es. chiaro se la fotocellula, attraverso
il telecomando e il 555 fa da Start della registrazione.
E chi fa lo Stop?
quasi mai a chi le riceve. Meglio uno schema.
Non è per es. chiaro se la fotocellula, attraverso
il telecomando e il 555 fa da Start della registrazione.
E chi fa lo Stop?
Chi c’è in linea
Visitano il forum: Nessuno e 253 ospiti

Elettrotecnica e non solo (admin)
Un gatto tra gli elettroni (IsidoroKZ)
Esperienza e simulazioni (g.schgor)
Moleskine di un idraulico (RenzoDF)
Il Blog di ElectroYou (webmaster)
Idee microcontrollate (TardoFreak)
PICcoli grandi PICMicro (Paolino)
Il blog elettrico di carloc (carloc)
DirtEYblooog (dirtydeeds)
Di tutto... un po' (jordan20)
AK47 (lillo)
Esperienze elettroniche (marco438)
Telecomunicazioni musicali (clavicordo)
Automazione ed Elettronica (gustavo)
Direttive per la sicurezza (ErnestoCappelletti)
EYnfo dall'Alaska (mir)
Apriamo il quadro! (attilio)
H7-25 (asdf)
Passione Elettrica (massimob)
Elettroni a spasso (guidob)
Bloguerra (guerra)



