Ho recuperato questo trasformatore http://www.electric2.com/electric2/dettaglioprodotto.php?prodotto=9951 posso considerarlo a presa centrale e collegare insieme i secondari da 12v ottenendo un secondario da 12v 30VA?
Collegamento del secondario
Moderatori:
carloc,
g.schgor,
BrunoValente,
IsidoroKZ
16 messaggi
• Pagina 1 di 2 • 1, 2
0
voti
2
voti
Puoi sicuramente collegarlo in quel modo, essendo un secondario a presa centrale.
Sul considerarlo da 30VA boh? dipende da che cosa intendi.
Ognuno dei due secondari e` in grado di erogare una corrente efficace sinusoidale pari a
.
Se metti dei diodi all'uscita la corrente nei secondari non e` piu`sinusoidale. Sicuramente ogni secondario eroga corrente solo sempre con una polarita` e a seconda di che cosa metti dopo i diodi (condensatore o resistenza) la corrente media cue puoi ottenere e` diversa.
Se dopo i diodi metti un condensatore per livellare la tensione, la corrente che circola nei secondari e` fortemente impulsiva e la corrente media che puoi ottenere in continua e` pari alla corrente efficace di ogni secondario diviso 1.2 . In pratica se fai un alimentatore puoi avere 1A in uscita.
Sul considerarlo da 30VA boh? dipende da che cosa intendi.
Ognuno dei due secondari e` in grado di erogare una corrente efficace sinusoidale pari a
.Se metti dei diodi all'uscita la corrente nei secondari non e` piu`sinusoidale. Sicuramente ogni secondario eroga corrente solo sempre con una polarita` e a seconda di che cosa metti dopo i diodi (condensatore o resistenza) la corrente media cue puoi ottenere e` diversa.
Se dopo i diodi metti un condensatore per livellare la tensione, la corrente che circola nei secondari e` fortemente impulsiva e la corrente media che puoi ottenere in continua e` pari alla corrente efficace di ogni secondario diviso 1.2 . In pratica se fai un alimentatore puoi avere 1A in uscita.
Per usare proficuamente un simulatore, bisogna sapere molta più elettronica di lui
Plug it in - it works better!
Il 555 sta all'elettronica come Arduino all'informatica! (entrambi loro malgrado)
Se volete risposte rispondete a tutte le mie domande
Plug it in - it works better!
Il 555 sta all'elettronica come Arduino all'informatica! (entrambi loro malgrado)
Se volete risposte rispondete a tutte le mie domande
0
voti
Grazie
IsidoroKZ credo di aver confuso questa configurazione con quella in cui vi è un doppio secondario che se messi in parallelo erogano il massimo della potenza a differenza del caso in cui i secondari collegati singolarmente si dividono la potenza disponibile.


0
voti
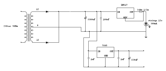
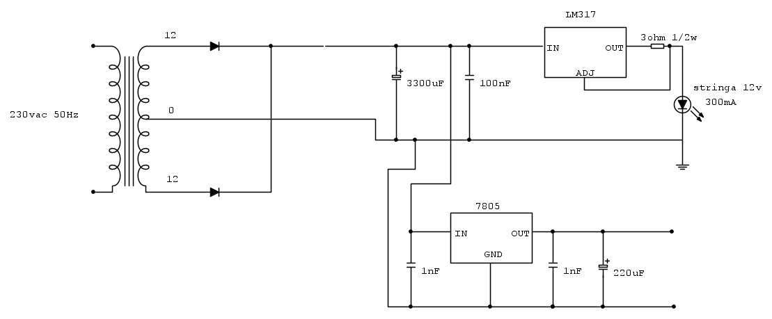
Seguendo l'ottima guida di
IsidoroKZ vorrei usare il trafo in questione per alimentare la stringa di led discussa qui e contemporaneamente la parte microcontrollore come in questo schema
dove il micro sarà un 12F683 che assorbe al massimo 95mA. La soluzione dello zener la vorrei utilizzare per recuperare spazio, ma pensate sia fattibile o è preferibile un secondo stabilizzatore dedicato?
grazie
dove il micro sarà un 12F683 che assorbe al massimo 95mA. La soluzione dello zener la vorrei utilizzare per recuperare spazio, ma pensate sia fattibile o è preferibile un secondo stabilizzatore dedicato?
grazie
4
voti
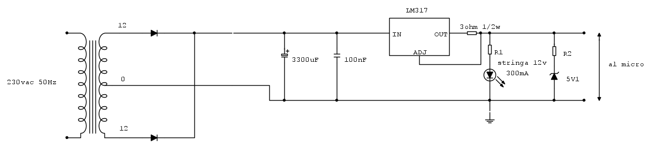
Gli zener prima si dimenticano, meglio e` 
Per usare proficuamente un simulatore, bisogna sapere molta più elettronica di lui
Plug it in - it works better!
Il 555 sta all'elettronica come Arduino all'informatica! (entrambi loro malgrado)
Se volete risposte rispondete a tutte le mie domande
Plug it in - it works better!
Il 555 sta all'elettronica come Arduino all'informatica! (entrambi loro malgrado)
Se volete risposte rispondete a tutte le mie domande
0
voti
Questa soluzione è piu efficiente?
1
voti
Efficiente piu` di uno zener sempre, ma soprattutto tensione di uscita piu` stabile e precisa.
Per usare proficuamente un simulatore, bisogna sapere molta più elettronica di lui
Plug it in - it works better!
Il 555 sta all'elettronica come Arduino all'informatica! (entrambi loro malgrado)
Se volete risposte rispondete a tutte le mie domande
Plug it in - it works better!
Il 555 sta all'elettronica come Arduino all'informatica! (entrambi loro malgrado)
Se volete risposte rispondete a tutte le mie domande
0
voti
scusate l'intromissione
ma :
IsidoroKZ il fattore non è 1.8 ?
la corrente media che puoi ottenere in continua e` pari alla corrente efficace di ogni secondario diviso 1.2 . In pratica se fai un alimentatore puoi avere 1A in uscita.
1
voti
1.8 per raddrizzatore a ponte di Graetz e condensatore. Per raddrizzatore a presa centrale e condensatore il fattore e` 1.2.
Per usare proficuamente un simulatore, bisogna sapere molta più elettronica di lui
Plug it in - it works better!
Il 555 sta all'elettronica come Arduino all'informatica! (entrambi loro malgrado)
Se volete risposte rispondete a tutte le mie domande
Plug it in - it works better!
Il 555 sta all'elettronica come Arduino all'informatica! (entrambi loro malgrado)
Se volete risposte rispondete a tutte le mie domande
16 messaggi
• Pagina 1 di 2 • 1, 2
Chi c’è in linea
Visitano il forum: Google [Bot] e 34 ospiti

Elettrotecnica e non solo (admin)
Un gatto tra gli elettroni (IsidoroKZ)
Esperienza e simulazioni (g.schgor)
Moleskine di un idraulico (RenzoDF)
Il Blog di ElectroYou (webmaster)
Idee microcontrollate (TardoFreak)
PICcoli grandi PICMicro (Paolino)
Il blog elettrico di carloc (carloc)
DirtEYblooog (dirtydeeds)
Di tutto... un po' (jordan20)
AK47 (lillo)
Esperienze elettroniche (marco438)
Telecomunicazioni musicali (clavicordo)
Automazione ed Elettronica (gustavo)
Direttive per la sicurezza (ErnestoCappelletti)
EYnfo dall'Alaska (mir)
Apriamo il quadro! (attilio)
H7-25 (asdf)
Passione Elettrica (massimob)
Elettroni a spasso (guidob)
Bloguerra (guerra)






grazie mille
