Cos'è ElectroYou | Login Iscriviti

ElectroYou - la comunità dei professionisti del mondo elettrico

Esercizio C.A. monofase

Circuiti, campi elettromagnetici e teoria delle linee di trasmissione e distribuzione dell’energia elettrica

Moderatori: Foto Utenteg.schgor, Foto UtenteIsidoroKZ

0
voti

[1] Esercizio C.A. monofase

Messaggioda Foto UtenteEneru » 20 nov 2012, 16:42

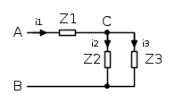
Mi serve aiuto per completare questo esercizio.

Nel circuito in figura sono noti:
Z_{2}=(4+j3) \Omega
Z_{3}=(3-j4)\Omega
V_{AB}=40 V
I_{1}=10A

Sapendo che l'impedenza Z_{1} è ohmico-induttiva con angolo caratteristico di 30° determinare:
• la corrente di ciascun ramo;
• la tensione ai capi del parallelo;
• l'angolo di sfasamento fra corrente totale e tensione totale.

Mi sono trovato la Z equivalente del parallelo e mi esce:
Z_{CB}=3,54\Omega \angle -8,13^{\circ}
Poi mi ricavo la Z totale del circuito facendo:
Z_{TOT}=\frac{V_{AB}}{I_{1}}=4\Omega
Da cui trovo Z_{1}:
Z_{1}=Z_{TOT} -Z_{CB}= 0,46 \Omega \angle 30^{\circ}
Calcolo la caduta di tensione su Z1 e mi risulta uguale:
V_{Z1}=4,6 V
Dopodiché ho trovato la tensione ai capi del parallelo che mi risulta uguale a:
V_{CB}=V_{AB}-V_{Z1}=35,4 V
E mi sono ricavato quindi le correnti che circolano in ogni ramo che risultano entrambe di:
I_{2}=I_{3}=7,08 A
Fino qui i risultati mi tornano come quelli del libro ma per calcolare l'angolo di sfasamento totale tra tensione e corrente non so come fare.
Se potreste aiutarmi vi sarei molto grato.
Il risultato sul libro dice che deve risultare: \varphi_{TOT}=3,08^{\circ} in anticipo.
Avatar utente
Foto UtenteEneru
51 1 6
New entry
New entry
 
Messaggi: 68
Iscritto il: 3 lug 2012, 9:40
Località: Bergamo

0
voti

[2] Re: Esercizio C.A. monofase

Messaggioda Foto UtenteRenzoDF » 20 nov 2012, 17:39

Direi che non sia "legale" sottrarre i moduli di due impedenze ;-)

Visto la parità di modulo (5) e la complementarità degli argomenti di Z2 e Z3 che la corrente si dividesse in due parti uguali di modulo

\left| {{I}_{2}} \right|=\left| {{I}_{3}} \right|=\frac{10}{\sqrt{2}}\,\text{A}

è immediato, come pure che la tensione ai morsetti del parallelo sia

\left| {{V}_{C}} \right|=5\left| {{I}_{2}} \right|=\frac{50}{\sqrt{2}}\,\text{V}

per l'ultima domanda si possono seguire diverse metodologie, la prima che mi viene in mente è quella di scrivere l'impedenza Z1 come

{{Z}_{1}}=x\frac{\sqrt{3}}{2}+jx\frac{1}{2}

sommarla alla Z2||Z3 ed imporre che il modulo dell'impedenza totale sia pari a 4 ohm.
"Il circuito ha sempre ragione" (Luigi Malesani)
Avatar utente
Foto UtenteRenzoDF
55,9k 8 12 13
G.Master EY
G.Master EY
 
Messaggi: 13189
Iscritto il: 4 ott 2008, 9:55

1
voti

[3] Re: Esercizio C.A. monofase

Messaggioda Foto UtenteEneru » 20 nov 2012, 18:30

ho fatto il calcolo e mi è uscito che:
Z_{1}=0,4942+j0,28535

Spero sia giusto il risultato però ora non so cosa devo fare per trovare \varphi_{TOT}
Avatar utente
Foto UtenteEneru
51 1 6
New entry
New entry
 
Messaggi: 68
Iscritto il: 3 lug 2012, 9:40
Località: Bergamo

0
voti

[4] Re: Esercizio C.A. monofase

Messaggioda Foto UtenteRenzoDF » 20 nov 2012, 19:53

Eneru ha scritto:... ho fatto il calcolo e mi è uscito che:
Z_{1}=0,4942+j0,28535

Proprio così :ok:

Eneru ha scritto:Spero sia giusto il risultato però ora non so cosa devo fare per trovare \varphi_{TOT}

Per calcolare lo sfasamento fra tensione e corrente ai morsetti d'ingresso dovrai solo trovare l'argomento dell'impedenza totale vista dagli stessi, ovvero l'argomento di Z1 + Z2||Z3.
"Il circuito ha sempre ragione" (Luigi Malesani)
Avatar utente
Foto UtenteRenzoDF
55,9k 8 12 13
G.Master EY
G.Master EY
 
Messaggi: 13189
Iscritto il: 4 ott 2008, 9:55

0
voti

[5] Re: Esercizio C.A. monofase

Messaggioda Foto UtenteEneru » 20 nov 2012, 22:01

Grazie mille ora mi esce.
Un'ultima cosa dopo non disturbo più; siccome l'argomento dell'impedenza totale mi risulta negativo vuol dire che la corrente sarà in anticipo rispetto alla tensione, giusto?
Avatar utente
Foto UtenteEneru
51 1 6
New entry
New entry
 
Messaggi: 68
Iscritto il: 3 lug 2012, 9:40
Località: Bergamo

1
voti

[6] Re: Esercizio C.A. monofase

Messaggioda Foto UtenteRenzoDF » 20 nov 2012, 22:30

Eneru ha scritto:... Un'ultima cosa dopo non disturbo più; siccome l'argomento dell'impedenza totale mi risulta negativo vuol dire che la corrente sarà in anticipo rispetto alla tensione, giusto?

Giusto :ok:

\varphi ={{\alpha }_{Z}}={{\alpha }_{V}}-{{\alpha }_{I}}

BTW Risolvendo il problema con wxMaxima

2012-11-20_212949.gif
2012-11-20_212949.gif (12.94 KiB) Osservato 3442 volte


-----------------------------------------------------------------------------------------

Edit

Alternativamente, usando i triangoli delle impedenze o meglio ancora delle potenze, rappresentabili qualitativamente come segue



dove le potenze relative al parallelo, visto quanto detto in [2] sono facilmente determinabili con

\begin{align}
  & {{P}_{23}}={{R}_{2}}I_{2}^{2}+{{R}_{3}}I_{3}^{2}=(4+3){{\left( \frac{10}{\sqrt{2}} \right)}^{2}}=350\,\text{W} \\ 
 & {{Q}_{23}}={{X}_{2}}I_{2}^{2}-{{X}_{3}}I_{3}^{2}=(3-4){{\left( \frac{10}{\sqrt{2}} \right)}^{2}}=-50\,\text{var} \\ 
\end{align}

{{{\bar{S}}}_{23}}=\frac{500}{\sqrt{2}}\angle -8,13{}^\circ

{{S}_{tot}}=VI=400\,\text{VA}

e quindi i tre angoli

\begin{align}
  & \alpha =\varphi +8.13{}^\circ  \\ 
 & \gamma =90{}^\circ -8.13{}^\circ +60{}^\circ =141.87{}^\circ  \\ 
 & \beta =180{}^\circ -\alpha -\gamma =30{}^\circ -\varphi  \\ 
\end{align}

applicando il teorema dei seni al suddetto triangolo St-S1-S23, potremo ottenere una semplice relazione risolutiva

\frac{\sin \gamma }{{{S}_{tot}}}=\frac{\sin \beta }{{{S}_{23}}}\quad \to \quad \frac{\sin \gamma }{400}=\frac{\sin \beta }{\frac{500}{\sqrt{2}}}\quad

ed infine

\varphi ={{30}^{{}^\circ }}-\arcsin (\frac{5}{4\sqrt{2}}\sin 141.87{}^\circ )\approx -3.08{}^\circ
"Il circuito ha sempre ragione" (Luigi Malesani)
Avatar utente
Foto UtenteRenzoDF
55,9k 8 12 13
G.Master EY
G.Master EY
 
Messaggi: 13189
Iscritto il: 4 ott 2008, 9:55


Torna a Elettrotecnica generale

Chi c’è in linea

Visitano il forum: Nessuno e 41 ospiti