Cos'è ElectroYou | Login Iscriviti

ElectroYou - la comunità dei professionisti del mondo elettrico

Alimentatore duale 0-30 5 A

Elettronica lineare e digitale: didattica ed applicazioni

Moderatori: Foto Utentecarloc, Foto Utenteg.schgor, Foto UtenteBrunoValente, Foto UtenteIsidoroKZ

0
voti

[1] Alimentatore duale 0-30 5 A

Messaggioda Foto Utenteroberta84 » 23 nov 2012, 12:36

Salve,
volevo cimentarmi nella creazione di questo strumento,
dato che so' creare PCB , preferisco qualcosa che abbia il PCB:)
su internet non ho trovato un progetto di un alimentatore duale con queste caretteristiche
(o solo schemi o solo descrizioni)
Voi conoscete qualcosa che possa fare al caso mio? (magari qualcosa che utilizza i PIC in modo da testare il pickit3 :D )

grazie mille
Avatar utente
Foto Utenteroberta84
0 2
 
Messaggi: 28
Iscritto il: 4 nov 2012, 19:21

0
voti

[2] Re: Alimentatore duale 0-30 5 A

Messaggioda Foto Utentemarco438 » 23 nov 2012, 13:12

In un alimentatore variabile e' impensabile poter ottenere alte correnti alle basse tensioni specie quando l'escursione (0/30V) e' cosi' ampia.
I transistor di potenza a supporto dei regolatori si troverebbe a dover dissipare 140/150W riducendo l'alimentatore ad una stufa.
Ti consiglio di rivedere la tua idea, magari dopo aver letto questo articolo
marco
Avatar utente
Foto Utentemarco438
37,1k 7 11 13
-EY Legend-
-EY Legend-
 
Messaggi: 16323
Iscritto il: 24 mar 2010, 15:09
Località: Versilia

0
voti

[3] Re: Alimentatore duale 0-30 5 A

Messaggioda Foto Utenteroberta84 » 23 nov 2012, 13:17

ok 5 A son troppi
e uno na 2 A?
Avatar utente
Foto Utenteroberta84
0 2
 
Messaggi: 28
Iscritto il: 4 nov 2012, 19:21

0
voti

[4] Re: Alimentatore duale 0-30 5 A

Messaggioda Foto Utentelelerelele » 23 nov 2012, 13:23

sto pensando a quanto affermi, sai creare PCB ma non sai progettare elettronica, scusa se lo trovo strano, capisco che l'eccessiva specializzazione può arrivare a questo.

il mio consiglio è tenere separato il progetto del micro con quello dell'alimentatore, sono due ambienti alquanto differenti ed abbinarli non è per niente semplice, anche allo scopo educativo ti consiglio di farti l'alimentatore, finito questo ti dedichi al micro su un altro progetto.

per l'alimentatore ti propongo questo:
http://www.antoniosantoro.com/alduale.htm

mi sembra semplice e comunque funzionale, certo che con questi stabilizzatori puoi raggiungere poco più di 1A in uscita, ma ci sono stabilizzatori che portano fino a 4-5A, ma con queste correnti diventa critico il trasformatore e filtrare a dovere la tensione raddrizzata prima degli stabilizzatori.


oppure questo: http://www.antoniosantoro.com/alduale.htm ma mi sembra alquanto complesso.

poi quando ti dedicherai al micro magari puoi andare a leggere la tensione d'uscita e indicarla tramite display.
Avatar utente
Foto Utentelelerelele
4.899 3 7 9
Master
Master
 
Messaggi: 5505
Iscritto il: 8 giu 2011, 8:57
Località: Reggio Emilia

0
voti

[5] Re: Alimentatore duale 0-30 5 A

Messaggioda Foto Utentemarco438 » 23 nov 2012, 13:23

Cominciamo a ragionare; ma a cosa ti servono 30V?
marco
Avatar utente
Foto Utentemarco438
37,1k 7 11 13
-EY Legend-
-EY Legend-
 
Messaggi: 16323
Iscritto il: 24 mar 2010, 15:09
Località: Versilia

0
voti

[6] Re: Alimentatore duale 0-30 5 A

Messaggioda Foto Utenteroberta84 » 23 nov 2012, 13:29

@lele grazie mille, si so creare PCB (mi piace, anche se è una follia)
ma non so progettarli :)
mi hai postato lo stesso alimentatore anche quello complesso e non c'è il PCB :_(

marco: bho, non si sà mai :)
Ultima modifica di Foto Utenteroberta84 il 23 nov 2012, 13:38, modificato 1 volta in totale.
Avatar utente
Foto Utenteroberta84
0 2
 
Messaggi: 28
Iscritto il: 4 nov 2012, 19:21

1
voti

[7] Re: Alimentatore duale 0-30 5 A

Messaggioda Foto Utentemarco438 » 23 nov 2012, 13:38

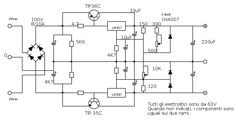
Uno schema di massima potrebbe essere questo:

Con un idoneo trasformatore puo' superare i 2A , anche se non e' bene richiederli alle basse tensioni.
marco
Avatar utente
Foto Utentemarco438
37,1k 7 11 13
-EY Legend-
-EY Legend-
 
Messaggi: 16323
Iscritto il: 24 mar 2010, 15:09
Località: Versilia

0
voti

[8] Re: Alimentatore duale 0-30 5 A

Messaggioda Foto Utenteclaudiocedrone » 23 nov 2012, 13:41

:mrgreen: Loso che sono un gran rompi... non occorre che me lo diciate, lo so da solo; noi esseri mortali non siamo in grado di creare un bel niente, fermo restando quanto ti è stato detto. O_/
"Non farei mai parte di un club che accettasse la mia iscrizione" (G. Marx)
Avatar utente
Foto Utenteclaudiocedrone
21,3k 4 7 9
Master EY
Master EY
 
Messaggi: 15302
Iscritto il: 18 gen 2012, 13:36

0
voti

[9] Re: Alimentatore duale 0-30 5 A

Messaggioda Foto Utentelelerelele » 23 nov 2012, 13:42

roberta84 ha scritto:mi hai postato lo stesso alimentatore anche quello complesso e non c'è il PCB :_(



allora non ho capito niente! hai scritto che sai creare il PCB!

non è che intendi dire la sola realizzazione della basetta?
Avatar utente
Foto Utentelelerelele
4.899 3 7 9
Master
Master
 
Messaggi: 5505
Iscritto il: 8 giu 2011, 8:57
Località: Reggio Emilia

0
voti

[10] Re: Alimentatore duale 0-30 5 A

Messaggioda Foto Utentelelerelele » 23 nov 2012, 13:48

claudiocedrone ha scritto: noi esseri mortali non siamo in grado di creare un bel niente


mi associo come rompi....
ma se creare significa fare qualcosa di funzionale che prima era massa inerte allora il significato è corretto,

in caso contrario questo termine non si potrebbe mai usare in quanto come specificato da Einstein nulla si crea e nella si distrugge, ed il termine sarebbe inutile. :D

forse sono più rompi di te! chissa.
Avatar utente
Foto Utentelelerelele
4.899 3 7 9
Master
Master
 
Messaggi: 5505
Iscritto il: 8 giu 2011, 8:57
Località: Reggio Emilia

Prossimo

Torna a Elettronica generale

Chi c’è in linea

Visitano il forum: Nessuno e 78 ospiti