Le spiegazioni a parole sono chiare solo a chi le dà,
quasi mai a chi le riceve.
Concordo perfettamente! ...lo diceva sempre anche il mio Prof di matematica del liceo.
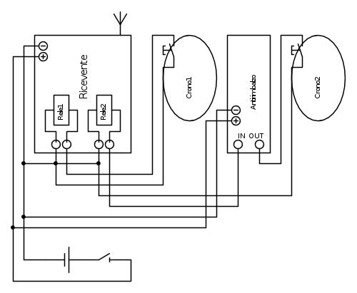
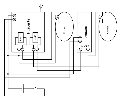
Mi rimane un po difficile fare uno schema di tutto, ma ci proverò!
Lo start e lo stop vengono date entrambe dalla fotocellula, poiché il circuito su cui verrà applicato il sistema è circolare e partenza ed arrivo coincidono.

Elettrotecnica e non solo (admin)
Un gatto tra gli elettroni (IsidoroKZ)
Esperienza e simulazioni (g.schgor)
Moleskine di un idraulico (RenzoDF)
Il Blog di ElectroYou (webmaster)
Idee microcontrollate (TardoFreak)
PICcoli grandi PICMicro (Paolino)
Il blog elettrico di carloc (carloc)
DirtEYblooog (dirtydeeds)
Di tutto... un po' (jordan20)
AK47 (lillo)
Esperienze elettroniche (marco438)
Telecomunicazioni musicali (clavicordo)
Automazione ed Elettronica (gustavo)
Direttive per la sicurezza (ErnestoCappelletti)
EYnfo dall'Alaska (mir)
Apriamo il quadro! (attilio)
H7-25 (asdf)
Passione Elettrica (massimob)
Elettroni a spasso (guidob)
Bloguerra (guerra)







